行业周资讯
8月28日——9月2日
NEWS TODAY
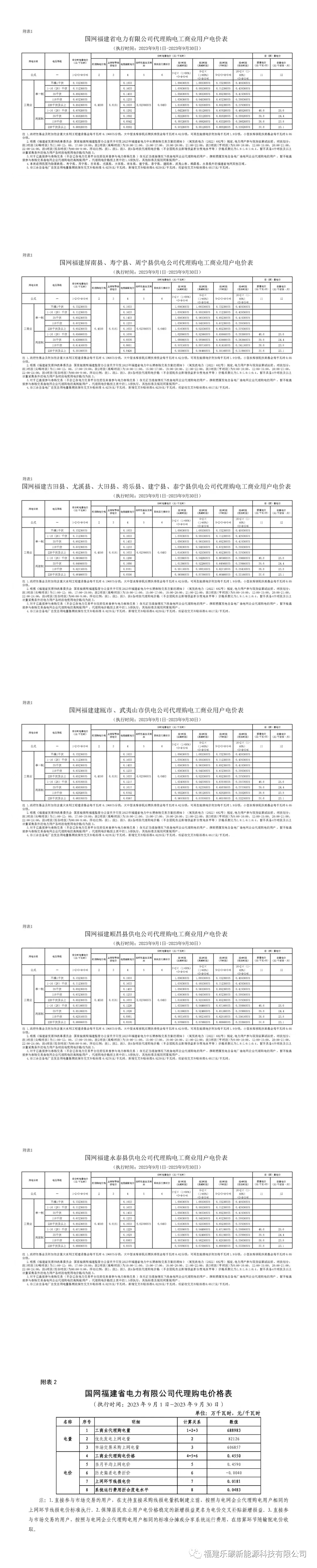
福建省九月销售电价表
福建省九月份综合电价再次上涨至0.8239元/度。


又一家光伏巨头杀入储能,储能内卷再升级
协鑫集团进军储能蓝海再添新版图。8月28日,张家港协鑫超能云动科技有限公司年产20GWh储能系统项目在江苏省张家港经济技术开发区正式投产。
这是协鑫在构建新型电力系统的背景下,全新启动“电力+储能+算力”三位一体战略的重要里程碑,也是协鑫源网荷储、光储充算耦合发展模式下的又一项标志性创新成果,同时标志着协鑫正式完成从上游储能材料、中游储能制造到下游储能场景应用的全产业链生态闭环。
截至目前,协鑫成功掌握超级快充技术、大型储能单相液冷技术、高比能量电芯、新型CTP集成工艺、主动式电池组均衡技术、储能高安全预警系统等一系列储能核心技术。

又一个新能源央企公司!中国电建拟分拆!
8月24日,中国电建发布分拆预案公告称,拟分拆所属子公司中电建新能源集团股份有限公司至上海证券交易所主板上市。中国电建表示,本次分拆完成后,公司股权结构不会发生变化,中国电建仍为电建新能源控股股东。公告显示,电建新能源注册资本为75亿元,主营业务包括水电、风力发电、太阳能发电、生物发电等再生能源开发。

投资14亿!A股唯一沼气公司跨界异质结!
近日,据百川畅银(300614)8月27日晚公告,公司拟与莫干山管委会签署《高效异质结电池项目合作协议》,对年产4GW高效异质结电池项目固定资产投资约14亿元,建设8条高效异质结电池生产线,公司在湖州莫干山高新技术产业开发区设立的全资子公司浙江百川畅银新能源有限公司为本次项目的投资主体。
据介绍,异质结电池项目4GW固定资产投资约14亿元,新增产业用地约100亩,建筑物面积约6万㎡,土地厂房建设(包括洁净车间装修、动力设施)投资约3.2亿元,设备投资约10亿元,110千伏变电站约8000万元,建设8条高效异质结电池生产线,全部达产后将形成年产4GW异质结电池的产能。项目分两期实施,一期建设2GW产能,投资金额约8亿元。

硅料7连涨,组件成本累计增加6-7分/W!
8月30日,硅业分会公布了太阳能级多晶硅最新价格。

· N型料成交价9.00-9.50万元/吨,平均为9.13万元/吨,均价周环比上涨2.47%。
· 单晶复投料成交价7.60-8.60万元/吨,平均为8.11万元/吨,均价周环比上涨5.05%。
· 单晶致密料成交价7.40-8.40万元/吨,平均为7.92万元/吨,均价周环比上涨5.46%。
· 单晶菜花料成交价7.10-8.20万元/吨,平均为7.63万元/吨,均价周环比上涨5.83%。
这是7月份以来,多晶硅价格第7次整体上调,也是n型料第9次涨价。
硅片方面,继8月21日TCL中环公布单晶硅片最新价格后,8月25日,隆基绿能也对硅片价格进行更新,182mm硅片报价3.38元/W. 与7月底相比,涨幅达到15.36%。
与此同时,玻璃等辅材价格也出现上涨。按照某厂商3.2mm玻璃涨价3元/㎡、2.0mm玻璃涨价2元/㎡计算,仅此一项,单面组件成本增加1.3-1.5分/W,双面组件成本增加1.5-1.8分/W。
与8月初时相比,非一体化组件企业的生产成本已增加6-7分/W,外采电池生产组件的成本已超过市场价格,形成“倒挂”。从招投标情况看,部分一线、新一线厂商还在凭借相对较低的价格争抢订单,p型最低可达1.15-1.17元/W,n型也有低于1.23/W的报价。

中国中车成立新能源公司
8月25日,中国中车发布第三届董事会第十五次会议决议公告。其中董事会审议通过了《关于设立中车新能源技术有限公司的议案》,同意公司及全资子公司中车株洲电力机车研究所有限公司、全资子公司中车山东风电有限公司合资设立中车新能源技术有限公司。
中车新能源公司注册资本为100,000万元人民币,其中:公司现金出资60,000万元人民币,持股60%;中车株洲电力机车研究所有限公司现金出资20,000万元人民币,持股20%;中车山东风电有限公司现金出资20,000 万元人民币,持股 20%。

福建:光伏项目开发参考!
1、福建电力装机结构截止到2023年7月底,福建省的电力总装机规模为7808万千瓦,各类电源的装机占比如下图所示!

2、福建光伏装机情况
2015年以来,福建省历年光伏新增装机规模如下图所示。


从上表可以看出,截止到2023年6月底,福建省光伏累计装机为649万千瓦,占福建省整体电力装机的8.7%。其中,地面电站为39万千瓦,分布式为610万千瓦(包含户用光伏254万千瓦、工商业分布式356万千瓦)。
因此,福建省工商业分布式、户用光伏、地面电站的占比分别为55%、39%、6%。
3、福建新能源装机规划
1)光伏项目规划
“十四五”全省光伏发电新增装机容量 300万千瓦。
2、风电项目规划
“十四五”期间有序择优推进《福建省海上风电场工程规划》内省管海域海上风电项目建设,重点推进福州、宁德、莆田、漳州、平潭等资源较好地区的海上风电项目,新增开发规模 1030 万千瓦。稳妥推进国管海域深远海海上风电项目,加强建设条件评估和深远海大容量风电机组、远距离柔性直流送电、海上风电融合发展技术论证,示范化开发 480 万千瓦。
4、2022年集中光伏电站分配情况
2022年10月19日,福建省发改委下发《关于公布2022年集中式光伏电站试点项目名单的通知》,公布了16个近海养殖渔光互补或水面(海上)光伏项目,总规模为1.772GW。
表:福建试点项目各集团规模汇总(单位:MW)

5、2023年海上风电分配情况
2023年7月17日,福建省发展和改革委员会公示了《关于福建省2023年海上风电市场化竞争配置(第一批)结果》,结果显示,2GW的海风项目分配情况如下:福建能源集团&三峡集团:95万千瓦福建投资开发集团:65万千瓦福建投资开发集团&国投集团:30万千瓦华电集团:10万千瓦
具体的项目分配情况如下表。


NEWS TODAY
机动车检验标志电子化
日前,东风股份发布了关于控股子公司湖南博盛、盐城博盛对外投资进展的公告,公告显示,湖南博盛已与娄底经济技术开发区管理委员会签署《招商引资项目合同书》,盐城博盛也与盐城高新技术产业开发区管理委员会签署了《投资合作协议书》。
资料显示,东风股份此前曾发布公告称,公司控股子公司博盛新材之全资子公司湖南博盛、盐城博盛拟分别在湖南娄底经济技术开发区、盐城高新技术产业开发区共计投资40亿元,建设新能源动力及储能电池隔膜及其他综合材料生产研发项目,从而打造公司膜类材料及其他复合材料战略业务平台。
据了解,东风股份本次投资40亿元建设的新能源动力及储能电池隔膜及其他综合材料生产研发项目分期分批建设,从今年4月开始将每隔1个月左右分别交付2条线,并逐步对原产线进行升级改造,预计到2024年将拥有产线约30条,并配置涂覆线等周边设备若干。
公开信息显示,盐城博盛二期已在江苏省盐都区举行开工仪式,此前一期已建生产线已全部满产,但其产能远无法满足“比亚迪”“宁德时代”等头部客户的需求。二期计划于2024年4月投产,计划总投资超20亿元,新建隔膜及涂覆生产线一批,年产隔膜10亿平方米以上,预计全部投产后,实现年销售超30亿元.

资讯来源||网络

点击名片 关注我们



