手机版
二维码
购物车
(
0
)
供应
求购
公司
团购
展会
资讯
招商
品牌
人才
知道
专题
图库
视频
下载
商圈
推广
热搜:
采购方式
甲带
滤芯
气动隔膜泵
带式称重给煤机
减速机型号
减速机
链式给煤机
履带
无级变速机
首页
供应
求购
公司
团购
展会
资讯
招商
品牌
人才
知道
专题
图库
视频
下载
商圈
首页
>
资讯
>
社会热点
【新规标准】《化工企业安全审计工作指南》发布实施
日期:2023-08-27 06:50:30 来源:网络整理 作者:本站编辑
评论:0
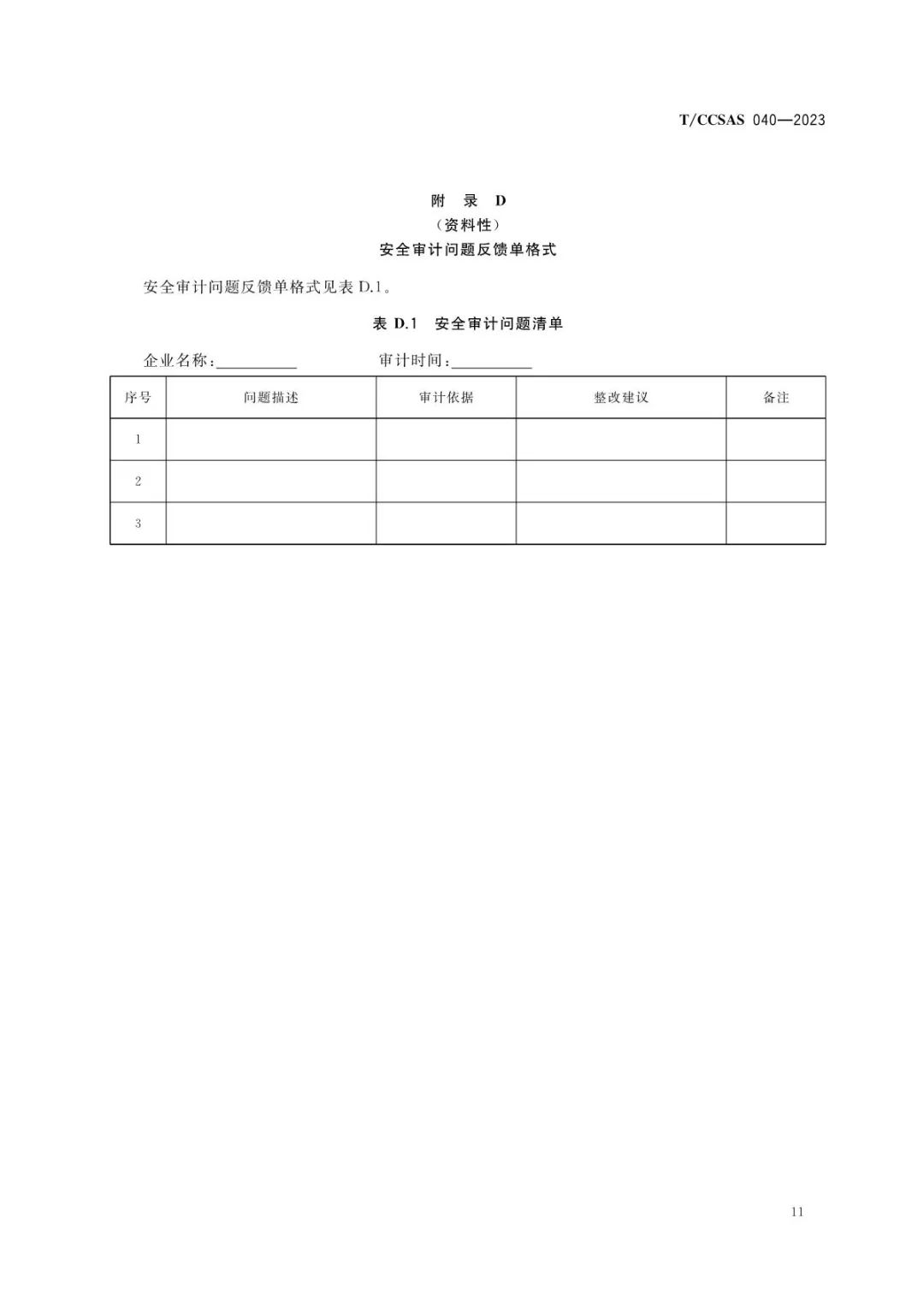
《化工企业安全审计工作指南》
(T/CCSAS 040-2023)于
2023年7月25日发布实施
。该标准
为有效评估化工企业安全生产管理水平提供了系统方法。
合理运用该标准,可指导审计单位对企业的安全管理进行检查和分析,发现问题并提出适当建议,协助企业建立安全管理长效机制,提升安全运行整体水平。
安全审计(safety audit)作为一种审计主体评估审计客体安全管理水平的系统方法,在部分高危行业已得到广泛应用。该标准提供了化工企业安全审计的目的、范围、频次、准则、人员及职责、工作程序、审计报告、成果运用等多方面内容,为指导化工企业规范、有序地开展安全审计提供了有力的保障。
该标准清晰地提出了化工企业安全审计的
五项目的
。一是掌握审计客体安全生产管理体系运行状况;二是查找审计客体安全管理存在的问题,分析问题产生的根本原因,并给出整改提升建议;三是评估审计客体安全运行绩效;四是降低审计客体安全风险;五是指导审计客体完善安全管理体系。
该标准首次提出了化工企业安全审计的
五项准则
。一是实事求是,保持客观中立,尽可能地消除审计员主观因素或外部因素对审计工作的影响;二是向审计客体全面公开实施安全审计的各项要求、采用的审计标准及相关资料;三是认真遵守廉洁自律的各项规定;四是遵守审计客体的安全规则;五是维护信息的保密性和安全性。
该标准还明确了化工企业安全审计的要素,主要包括
安全领导力、项目建设合规性、人员与制度、运行与现场设施、事故与应急管理、检查与改进
等六个一级要素,并进一步细化了二级要素及审计要求,涵盖企业整个安全生产管理体系。
为确保安全审计的有效实施,该标准提出了安全审计工作流程,包括安全审计前期策划、现场安全审计、提交审计报告。安全审计前期策划主要明确了初步信息收集清单、安全审计方案要求、安全审计成员组成、安全审计保障措施等;现场安全审计主要包括首次会要求、安全审计实施要求、末次会要求等;提交安全审计报告主要明确了报告格式、报告内容、封面封皮等。
标准全文
来源:中国化学品安全协会
打赏
更多
>
同类资讯
• 启德教育发布《2026中国留学白皮
0
条
相关评论
推荐图文
推荐资讯
点击排行
0
1
2026市场研究行业发展趋势
0
2
成都2026年政府工作报告出炉:低空经济再提速
0
3
|申城榜样|《物理AI白皮书》-诠释AI+产业界、投资界和科研-开放下载!
0
4
宠物虹膜识别产业白皮书
0
5
2025年中国益生菌市场白皮书
0
6
CATTI白皮书2026(热点素材跟练156)
0
7
2025年中国B2B市场营销现况白皮书
0
8
《北京市西城区人民法院涉重疾险纠纷审判白皮书》之当"暴发性1型糖尿病"遭遇保险条款的"三重门":一份判决如何撕开重疾险的隐形枷锁
0
9
东方药师|微生物中药发酵技术应用品牌战略白皮书——从养生到自救:以微生物生物转化,重构药食同源临界身心干预新范式
网站首页
|
关于我们
|
联系方式
|
使用协议
|
版权隐私
|
网站地图
|
排名推广
|
广告服务
|
积分换礼
|
网站留言
|
RSS订阅
|
违规举报
|
皖ICP备20008326号-18
(c)2008-2022 免费发布网 All Rights Reserved