本文由定制化的企业情报智能服务平台
——【情报强企】提供
市场商机
拟建 | 宾阳黎塘青山风电场项目
标签:#风电
该新建项目处于环评受理阶段,位于广西壮族自治区南宁市宾阳县,总投资114617万元,由广西南宁曙能新能源有限公司投资建设。装机容量200兆瓦。
企业资讯
东方电气集团与中国物流签署战略合作框架协议
标签:#东方电气

中国东方电气集团与中国物流集团在蓉签署战略合作框架协议,双方围绕综合物流、供应链协同等合作座谈交流。东方电气集团表示将以精湛技术等打造精品集团,推动合作项目落地,保障产业链供应链安全稳定。
哈电电机签约国能(泉州)三期项目2台660兆瓦汽轮发电机

近日,国能(泉州)热电有限公司三期2×660兆瓦项目三大主机设备合同签约仪式在哈电集团成功举行。哈电集团哈尔滨电机厂有限责任公司签订其2台660兆瓦汽轮发电机供货合同。
行业动态
国产重大装备再突破,泰豪沈电自主研发全球领先超大功率矿用电机

近日,泰豪沈阳电机有限公司自主研发的TDMK4000-80特大型同步电动机完成主体装配,进入最终试验阶段,标志着我国在超大功率矿用装备领域实现历史性跨越。该电机功率、极数与体积领先全球同类产品,填补了国内空白。
南网科研院自主研发的全国首个区域级电力市场全景仿真系统正式进入规模化应用阶段
南网科研院自主研发的区域级电力市场全景仿真系统进入规模化应用阶段,为全国统一电力市场建设提供关键技术支持,具备区域级电力现货市场全景仿真分析能力,实现从“离线运行”到“在线运行”的跨越,可每日自动进行市场仿真计算,提前发现市场漏洞、优化规则条款。
上海市政府与国家电投签署战略合作协议

上海市政府与国家电投签署战略合作协议,重点加强合作领域涵盖核能、燃机、电力安全保供、火电清洁化改造、绿色能源发展等,助推国家电投建设全球竞争力清洁能源企业,助力上海构建现代化产业体系。
国家发改委公开征求《水电站大坝运行安全监督管理规定》意见
国家发改委公开征求《水电站大坝运行安全监督管理规定》意见,规定大坝运行实行安全注册登记制度,要求电力企业在规定期限内申请办理大坝安全注册登记。新建大坝要通过蓄水安全鉴定后才能进入商业运营,未完成安全注册登记的大坝不得进入商业运营。
政策导向
四川每年将实施1000个以上技术改造项目!省经信厅等9部门发布《四川省构建全周期全流程绿色制造体系行动方案》
四川省经济和信息化厅等九部门发布《四川省构建全周期全流程绿色制造体系行动方案》,提出到2027年和2030年的阶段性目标,包括绿色电力消费占比、绿色工厂产值比重等量化指标。
《江西省虚拟电厂建设运营工作指南》发布
标签:#虚拟电厂
江西省能源局发布《江西省虚拟电厂建设运营工作指南》通知,规范虚拟电厂建设运营流程与技术要求,强化聚合、接入、准入等关键环节管理,支持社会资本参与,以促进电力保供、新能源消纳及电力市场体系完善。
前沿技术
[实用新型] 一种具备烟气热能回收的锅炉
标签:#锅炉
北京市京联鑫路用材料有限公司公开的具备烟气热能回收的锅炉,通过回流管和螺旋状换热管回收高温烟气热能再次加热锅水,减少浪费、提高效率,解决传统锅炉高温烟气排放致能源未充分利用的问题。
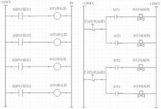
[实用新型] 一种汽轮机手动紧急停机控制回路
标签:#汽轮机

广西广投北海发电有限公司公开的汽轮机手动紧急停机控制回路,含两路PLC控制器、继电器模块、电磁阀模块及手动停机按钮,形成四控制回路,两按钮分别串联对应回路,通过控制电磁阀或继电器电源实现手动停机。
本文内容来源于网络资料,由【情报强企】整理
关于情报强企
情报强企是国内领先的企业情报服务商,为企业提供定制化的线上情报搜集与管理服务。情报强企平台帮助企业自动抓取并推送行业最新动态,无需部署安装,支持多账号使用,实现多部门情报共享,助力企业决策。网页搜索“情报强企官网”或点击下方阅读原文,了解更多服务介绍~
微信扫码获取企业定制情报↓↓↓
关注本号↓↓精彩更多~
点击 阅读原文了解情报强企


