手机版
二维码
购物车
(
0
)
供应
求购
公司
团购
展会
资讯
招商
品牌
人才
知道
专题
图库
视频
下载
商圈
推广
热搜:
采购方式
甲带
滤芯
气动隔膜泵
带式称重给煤机
减速机型号
链式给煤机
减速机
无级变速机
履带
首页
供应
求购
公司
团购
展会
资讯
招商
品牌
人才
知道
专题
图库
视频
下载
商圈
首页
>
资讯
>
社会热点
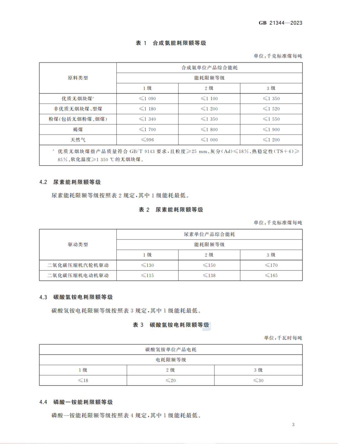
化肥行业单位产品能源消耗限额
日期:2024-03-26 16:00:39 来源:网络整理 作者:本站编辑
评论:0
打赏
更多
>
同类资讯
• 【生活方式】25/26小红书车生活场
0
条
相关评论
推荐图文
推荐资讯
点击排行
0
1
AI消费硬件产业报告 2026
0
2
【慧哥行业观察】从春晚到未来:人形机器人之旅
0
3
金塔县航天镇屯家庄生态产业白皮书(2026—2035 年)
0
4
婺源县婺女文化与文明发展白皮书(全纲版)
0
5
《婺女文明与县域高质量发展白皮书》目录
0
6
每週市場觀察報告2026/02/22
0
7
寒假「神兽」观察报告:嘀!您的孩子已切换模式
0
8
中国企业人力资源数智化成熟度模型与实践白皮书
0
9
2026年物理AI白皮书迈向可执行的机器智能(免费下载)
网站首页
|
关于我们
|
联系方式
|
使用协议
|
版权隐私
|
网站地图
|
排名推广
|
广告服务
|
积分换礼
|
网站留言
|
RSS订阅
|
违规举报
|
皖ICP备20008326号-18
(c)2008-2022 免费发布网 All Rights Reserved