


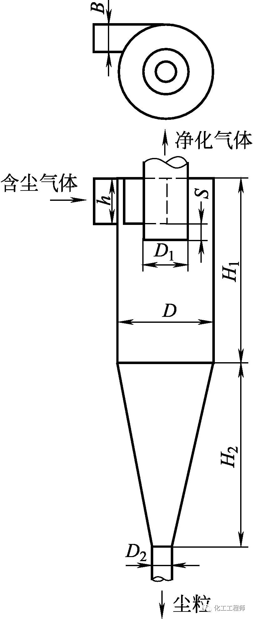
其中:h=D/2;B=D/4;D1=D/2;H1=2D;H2=2D;S=D/8;D2=D/4
2、旋风分离器的除尘过程
含尘气体由圆筒形上部的切向长方形入口进入筒体,在器内形成一个绕筒体中心向下做螺旋运动的外漩流,在此过程中,颗粒在离心力的作用下,被甩向器壁,与气流分离,并沿器壁滑落至锥底排灰口,定期排放;外漩流到达器底后(已除尘)变成向上的内漩流,最终,内漩流(净化气)由顶部排气管排出。

1—含尘气体进口;2—清净气体出口;3—螺旋顶盖;4—旋涡流;5—旋涡流返回;6—灰斗;7—灰尘出口
3、旋风分离器几种不同方式
1)轴向进入旋风分离器反转式

2)轴向进入旋风分离器直进式

3)切向进入旋风分离器

4、特点:结构简单,造价较低,没有运动部件,操作不受温度、压力的限制,因而广泛用作工业生产中的除尘分离设备。
5、应用场合:一般可分离5μm以上的尘粒,对5μm以下的细微颗粒分离效率较低,可在其后接袋滤器和湿法除尘器来捕集。其离心分离因数在5~2500之间。
6、缺点:气体在器内的流动阻力较大,对器壁的磨损比较严重,分离效率对气体流量的变化比较敏感,且不适合用于分离黏性的、湿含量高的粉尘及腐蚀性粉尘。
后续文章中将继续介绍袋滤器、惯性分离器、静电除尘器、文丘里除尘器等。
“点赞”是一种美德,“关注”是一种信仰,如果能得到您的“转发”,小编将受到莫大鼓舞!!


