
1、先动口再动手
对于有故障的电气设备,不应急于动手,应先询问产生故障的前后经过及故障现象。对于生疏的设备,还应先熟悉电路原理和结构特点,遵守相应规则。拆卸前要充分熟悉每个电气部件的功能、位置、连接方式以及与四周其他器件的关系,在没有组装图的情况下,应一边拆卸,一边画草图,并记上标记。
2、先外部后内部
应先检查设备有无明显裂痕、缺损,了解其维修史、使用年限等,然后再对机内进行检查。拆前应排队周边的故障因素,确定为机内故障后才能拆卸,否则,盲目拆卸,可能将设备越修越坏。

3、先机械后电气
只有在确定机械零件无故障后,再进行电气方面的检查。检查电路故障时,应利用检测仪器寻找故障部位,确认无接触不良故障后,再有针对性地查看线路与机械的运作关系,以免误判。
4、先静态后动态
在设备未通电时,判定电气设备按钮、接触器、热继电器以及保险丝的好坏,从而判定故障的所在。通电试验,听其声、测参数、判定故障,最后进行维修。如在电动机缺相时,若测量三相电压值无法着判别时,就应该听其声,单独测每相对地电压,方可判定哪一相缺损。

5、先清洁后维修
对污染较重的电气设备,先对其按钮、接线点、接触点进行清洁,检查外部控制键是否失灵。许多故障都是由脏污及导电尘块引起的,一经清洁故障往往会排除。
6、先电源后设备
电源部分的故障率在整个故障设备中占的比例很高,所以先检修电源往往可以事半功倍。

7、先普遍后非凡
因装配配件质量或其他设备故障而引起的故障,一般占常见故障的50左右。电气设备的非凡故障多为软故障,要结合经验和仪表来测量和维修。
8、先外围后内部
先不要急于更换损坏的电气部件,在确认外围设备电路正常时,再考虑更换损坏的电气部件。
9、先直流后交流

检修时,必须先检查直流回路静态工作点,再交流回路动态工作点。
10、先故障后调试

对于调试和故障并存的电气设备,应先排除故障,再进行调试,调试必须在电气线路速的前提下进行。

二、检查方法和操作实践
1.直观法
直观法是根据电器故障的外部表现,通过看、闻、听等手段,检查、判定故障的方法。
(1)检查步骤:
调查情况:向操作者和故障在场人员询问情况,包括故障外部表现、大致部位、发生故障时环境情况。如有无异常气体、明火、热源是否接近电器、有无腐蚀性气体侵入、有无漏水,是否有人修理过,修理的内容等等。初步检查:根据调查的情况,看有关电器外部有无损坏、连线有无断路、松动,绝缘有无烧焦,螺旋熔断器的熔断指示器是否跳出,电器有无进水、油垢,开关位置是否正确等。
试车:通过初步检查,确认有会使故障进一步扩大和造成人身、设备事故后,可进一步试车检查,试车中要注重有无严重跳火、异常气味、异常声音等现象,一经发现应立即停车,切断电源。注重检查电器的温升及电器的动作程序是否符合电气设备原理图的要求,从而发现故障部位。
(2)检查方法:
观察火花:电器的触点在闭合、分断电路或导线线头松动时会产生火花,因此可以根据火花的有无、大小等现象来检查电器故障。例如,正常紧固的导线与螺钉间发现有火花时,说明线头松动或接触不良。电器的触点在闭合、分断电路时跳火说明电路通,不跳火说明电路不通。
控制电动机的接触器主触点两相有火花、一相无火花时,表明无火花的一相触点接触不良或这一相电路断路;三相中两相的火花比正常大,别一相比正常小,可初步判定为电动机相间短路或接地;三相火花都比正常大,可能是电动机过载或机械部分卡住。在辅助电路中,接触器线圈电路通电后,衔铁不吸合,要分清是电路断路还是接触器机械部分卡住造成的。可按一下启动按钮,如按钮常开触点闭合位置断开时有稍微的火花,说明电路通路,故障在接触器的机械部分;如触点间无火花,说明电路是断路。
动作程序:电器的动作程序应符合电气说明书和图纸的要求。如某一电路上的电器动作过早、过晚或不动作,说明该电路或电器有故障。另外,还可以根据电器发出的声音、温度、压力、气味等分析判定故障。运用直观法,不但可以确定简单的故障,还可以把较复杂的故障缩小到较小的范围。
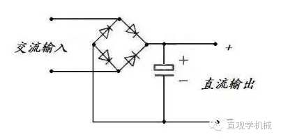
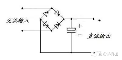
2.测量电压法
测量电压法是根据电器的供电方式,测量各点的电压值与电流值并与正常值比较。具体可分为分阶测量法、分段测量法和点测法。

3.测电阻法
可分为分阶测量法和分段测量法。这两种方法适用于开关、电器分布距离较大的电气设备。
4.对比、置换元件、逐步开路(或接入)法
(1)对比法:
把检测数据与图纸资料及平时记录的正常参数相比较来判定故障。对无资料又无平时记录的电器,可与同型号的完好电器相比较。电路中的电器元件属于同样控制性质或多个元件共同控制同一设备时,可以利用其他相似的或同一电源的元件动作情况来判定故障。
(2)置转换元件法:
某些电路的故障原因不易确定或检查时间过长时,但是为了保证电气设备的利用率,可转换同一相性能良好的元器件实验,以证实故障是否由此电器引起。运用转换元件法检查时应注重,当把原电器拆下后,要认真检查是否已经损坏,只有肯定是由于该电器本身因素造成损坏时,才能换上新电器,以免新换元件再次损坏。
(3)逐步开路(或接入)法:
多支路并联且控制较复杂的电路短路或接地时,一般有明显的外部表现,如冒烟、有火花等。电动机内部或带有护罩的电路短路、接地时,除熔断器熔断外,不易发现其他外部现象。这种情况可采用逐步开路(或接入)法检查。
逐步开路法:碰到难以检查的短路或接地故障,可重新更换熔体,把多支路交联电路,一路一路逐步或重点地从电路中断开,然后通电试验,若熔断器一再熔断,故障就在刚刚断开的这条电路上。然后再将这条支路分成几段,逐段地接入电路。当接入某段电路时熔断器又熔断,故障就在这段电路及某电器元件上。这种方法简单,但轻易把损坏不严重的电器元件彻底烧毁。逐步接入法:电路出现短路或接地故障时,换上新熔断器逐步或重点地将各支路一条一条的接入电源,重新试验。当接到某段时熔断器又熔断,故障就在刚刚接入的这条电路及其所包含的电器元件上。
5.强迫闭合法
在排队电器故障时,经过直观检查后没有找到故障点而手下也没有适当的仪表进行测量,可用一绝缘棒将有关继电器、接触器、电磁铁等用外力强行按下,使其常开触点闭合,然后观察电器部分或机械部分出现的各种现象,如电动机从不转到转动,设备相应的部分从不动到正常运行等。
6.短接法
设备电路或电器的故障大致归纳为短路、过载、断路、接地、接线错误、电器的电磁及机械部分故障等六类。诸类故障中出现较多的为断路故障。它包括导线断路、虚连、松动、触点接触不良、虚焊、假焊、熔断器熔断等。
对这类故障除用电阻法、电压法检查外,还有一种更为简单可行的方法,就是短接法。方法是用一根良好绝缘的导线,将所怀疑的断路部位短路接起来,如短接到某处,电路工作恢复正常,说明该处断路。具体操作可分为局部短接法和长短接法。以上几种检查方法,要灵活运用,遵守安全操作规章。对于连续烧坏的元器件应查明原因后再进行更换;电压测量时应考虑到导线的压降;不违反设备电器控制的原则,试车时手不得离开电源开关,并且保险应使用等量或略小于额定电流;注重测量仪器的挡位的选择。