响应市场需求:
以可靠的碳化硅基固态变压器
为 AI 人工智能赋能
作者:Ashish Kumar 博士,Wolfspeed 中高电压研究科学家
英伟达在 2025 年 Computex 上宣布的 800 V 高电压直流架构 — 从根本上改变了人工智能工厂的电力传输方式,直接提升了 GPU 密度和效率 [1]。通过以更高电压分配电力,显著减少了布线要求,为额外 GPU 腾出机架空间,并实现了新兴的 1 MW 机架设计。该架构可将端到端电源效率提升高达 5%,并将维护成本降低 70%。碳化硅是关键赋能技术:800 V 直流母线需要 1200 V 碳化硅 MOSFET 用于 AC-DC 整流和 DC-DC 转换,可将转换损耗降低 25-40%。

图 1:英伟达下一代人工智能 (AI) 数据中心中的
800 V 直流配电架构 [1]
然而,实现这一愿景需要解决一个上游问题。在图 2 中,国际能源署 (IEA) 警告称,大约 20% 的计划内数据中心项目因电网限制和传统变压器供应链瓶颈而面临延期风险 [2]。缩短人工智能 (AI) 数据中心的建设周期对于减轻此风险至关重要。加速的全球部署正在延长连接数据中心设施与公用事业电网的中电压变压器的采购和安装周期。中电压变压器的可获性正成为人工智能 (AI) 数据中心扩张的主要制约因素之一,其交货期长达 3 年 [3]。

图 2:面临并网延迟的数据中心建设项目吉瓦时数 [2]
解决方案在于固态变压器 (SST) — 一种基于电力电子的替代传统铁芯变压器的方案,它可以将中电压电网电力直接转换为 800 V 直流电,从而极大地压缩部署时间线,并实现模块化、可扩展的电网互联。
碳化硅再次成为赋能技术:中高电压碳化硅器件是加速固态变压器 (SST) 发展的关键半导体突破,它能够实现传统硅材料无法达到的更高开关频率、更优热性能和紧凑外形。由此看来,碳化硅在人工智能 (AI) 数据中心革命中的作用远不止于机架内部 — 它对于从电网到 GPU 的整个电力传输链都至关重要。
并网的可再生能源正被更多地用于当今数据中心的电力基础设施。但随着功耗水平增加,以及超大规模企业接入更大规模电网 — 或创建自己的微电网 — 确保功率转换在快速变化的负载曲线下保持稳定且可靠是一个亟待攻克的工程障碍。
简而言之,电力可获性至关重要,而固态变压器 (SST) 可能是人工智能 (AI) 领域的“白马”。
为什么变压器很重要?
传统变压器很常见,其根本目的是升降交流输入电压,并将电力从 A 点传输到 B 点。它们可能非常庞大,尽管性质相对简单,包含沉重的铜绕组和磁芯以“变压”到合适的输出电压。电子制造商正在重新构想变压器概念,转向固态变压器 (SST),用轻量级的固态半导体器件取代沉重的铜线圈。与传统变压器不同,固态变压器 (SST) 能更快地响应变化需求,并智能地调整其功率流和输出。早期的固态变压器 (SST) 概念可能会整合传统上由开关设备和 UPS / 电池系统提供的功能,使直流计算负载能够直接从公用电网或替代电源获得电力。
至少,如果固态变压器 (SST) 能够满足未来 800 V 直流机架架构将带来的可变功率范围,它本身就很有价值。但高功率密度的固态变压器 (SST) 为数据中心原始设备制造商 (OEM) 带来了巨大价值,他们正试图在不牺牲供电正常运行时间的情况下,充分利用人工智能 (AI) 园区极其宝贵的地面空间。一些制造商正在寻找独特的方法,将更智能的保护和控制算法与稳健的隔离相结合,以实现预测性维护,旨在避免任何电力停机。
在采购传统变压器面临商业挑战的同时,固态变压器 (SST) 的试点部署正在进行中。数据显示,到 2025 年,数据中心的扩建和启动可能导致长达数年的交货期和近 30% 的必要变压器短缺 [4]。
通过中高电压碳化硅器件实现可靠固态变压器 (SST) 的两种途径
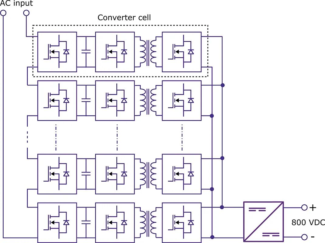
人工智能 (AI) 数据中心的电源输入通常连接到 13.8 - 35 kV 交流电等级。固态变压器 (SST) 将高电压交流输入转换为连接到计算机架的 800 V 直流输出。图 3 展示了一个典型固态变压器 (SST) 架构的简化构建模块,该模块由多个基于单元直流母线和功率器件电压等级的级联转换器单元组成。

图 3:由多个级联单元组成的典型固态变压器 (SST) 架构
Wolfspeed 一直在与领先的固态变压器 (SST) 制造商合作,以了解他们的核心限制。Wolfspeed 的中电压到高电压裸芯片和模块产品组合正在扩大,提供碳化硅选项,使得能够可扩展地采用碳化硅,从而实现比传统解决方案高出数倍的功率密度。下面的表 1 总结了基于中电压和高电压碳化硅的固态变压器 (SST) 设计之间的一些权衡。

表 1:使用中电压和高电压额定碳化硅器件设计的
固态变压器 (SST) 之间的关键细微差别
好消息是,几种碳化硅技术节点现已可集成到设计中,为各种固态变压器 (SST) 架构提供了灵活的路径。对于优先考虑基于中电压器件的固态变压器 (SST) 的设计人员来说,WolfPACK 功率模块优异的开关性能有助于减小无源器件尺寸,并且与 2 kV 器件相比,该器件具有 15% 的更高电压裕量,为系统设计人员提供了为完整 1500 V 直流母线供电的灵活性。
关于 WolfPACK 功率模块更多详细信息,
https://www.wolfspeed.com/products/power/sic-power-modules/?blockingVoltage=2300%20V&package=GM
但回到我之前关于电源可靠性的观点,因此每个中电压 Wolfspeed 模块的设计都考虑到了耐久性。这些 WolfPACK 模块因其极低的宇宙射线失效率性能,能在各种海拔高度下提供可预测的性能。

图 4:CAB5R0A23GM4T 2300 V、5 mΩ 半桥模块,
可选预涂导热界面材料
关于 CAB5R0A23GM4T 功率模块更多详细信息,
https://www.wolfspeed.com/products/power/sic-power-modules/wolfspeed-wolfpack-sic-power-modules-family/cab5r0a23gm4t/
通往基于高电压直流单元的固态变压器 (SST) 的清晰路径
对于高电压(>5 kV 阻断电压)设计,固态变压器 (SST) 设计人员可以通过采用 Wolfspeed 的新型 10 kV 碳化硅功率 MOSFET 实现更简单的单元架构。CPM3-10000-0300A 实现了 99% 的卓越转换效率,与传统的基于高压硅 IGBT 的设计相比,这可以使热冷却系统体积减少 50%。固态变压器 (SST) 中更高的开关频率直接减小了磁性元件的尺寸和重量,因为所需的磁线圈和磁芯尺寸随频率增加而减小。为了保持磁性元件紧凑,固态变压器 (SST) 功率级通常针对高于 10,000 Hz 的开关频率。传统的 6500 V 硅 IGBT 具有高开关损耗,通常仅限于几百赫兹的开关,这使得基于硅 IGBT 的高电压直流单元固态变压器 (SST) 不切实际。相比之下,Wolfspeed 10 kV 碳化硅 MOSFET 可以在10,000 Hz以上运行,具有显著更低的开关损耗和更快的开关速度,使得紧凑、轻量化的固态变压器 (SST) 成为可能。
关于 10 kV 碳化硅功率 MOSFET 更多详细信息,
https://www.wolfspeed.com/products/power/sic-bare-die-mosfets/10000-v-bare-die-silicon-carbide-mosfets/

图 5:CMP3-10000-0300A 10,000 V, 305 mW
碳化硅 MOSFET 裸芯片
关于 CMP3-10000-0300A 更多详细信息,
https://www.wolfspeed.com/products/power/sic-bare-die-mosfets/10000-v-bare-die-silicon-carbide-mosfets/cpm3-10000-0300a/
双极型退化是高电压碳化硅器件长期运行后失效的主要原因之一。Wolfspeed 10 kV MOSFET 也是其同类产品中首个商业化碳化硅器件,其通过体二极管工作寿命测试验证了双极稳定性,在超过 1000 小时的测试中未出现双极退化。此外,CPM3-10000-0300A 在典型的 6000 V 直流工作条件下,其宇宙射线失效率要求比行业标准优异 4 倍,确保了固态变压器 (SST) 在整个使用寿命期间更少的单点故障。虽然对于一个新的技术节点来说,这些说法可能听起来很大胆,但请允许我解释为何可以相信这些数据。Wolfspeed 在宽禁带材料开发方面有着悠久的历史,并且已经展示 > 5 kV 碳化硅功率器件近 20 年。作为我们中高电压部门的一名研究科学家,我感觉自己完成了一个循环,并为这项我曾以多种身份亲身参与的技术感到自豪。2021 年,我发表了题为“高电压碳化硅功率器件在中电压功率变换器应用中的研究”的博士论文。我的大部分博士研究都是基于 Wolfspeed 的 10 kV 碳化硅 MOSFET。中高电压碳化硅长期以来一直是 Wolfspeed 擅长的领域!
关于“高电压碳化硅功率器件在中电压功率变换器应用中的研究”论文更多详细信息,
https://repository.lib.ncsu.edu/items/80f71534-e6bc-497f-a4e1-9cf2bfaca689
我们从这里走向何方?
如果固态变压器 (SST) 是答案(我相信是的),那么要实现更快的推向市场的速度,需要的就不仅仅是碳化硅 MOSFET 制造商的推动。固态变压器 (SST) 设计并非易事,而且关键部件在正确的电压等级上并不广泛可用,这可能需要固态变压器 (SST) 供应商进行定制开发,并使得多供应商采购成为挑战。
考虑到固态变压器 (SST) 处理的功率,安全性至关重要。必须精心设计保护方案,并且高电压节点需要毫秒级的直流故障清除能力。公用事业客户仅将转换器效率作为目标基准的日子已经一去不复返了。效率是入场券 — 但安全性和耐久性才是差异化因素。
虽然适用于额定电压 3.3 kV 及以下的碳化硅器件的栅极驱动器在市场上可以买到,但适用于高电压碳化硅的兼容栅极驱动器却非常稀缺。与高电压碳化硅器件兼容的中频磁性元件和绝缘系统也尚未商品化,这使得器件设计的责任落在了固态变压器 (SST) 供应商身上。我确信,通过合适的合作伙伴关系,碳化硅 MOSFET 集成器件制造商能够提供固态变压器 (SST) 所需的性能,但我们需要来自各类电子制造商的集体推动来填补这些空白。
电源和无源电子制造商或许正面临一个不可多得的机遇,来塑造像人工智能 (AI) 这样改变生活的技术部署的步伐和程度。对于其他供应商,我衷心期望,通过大家的齐心协力,提供对于为更可靠的人工智能 (AI) 基础设施供电至关重要的组件。
来源:
[1] NVIDIA: Building the 800 VDC Ecosystem for Efficient, Scalable AI Factories
[2] IEA: AI and energy security report
[3] Northfield Transformers: Preparing for the Next Surge: How Data Center Expansion is Reshaping Transformer Demand
[4] Transformer Magazine: U.S. faces 30% transformer shortfall in 2025
下载原文英文版白皮书,敬请访问下方链接,或点击阅读原文,
https://assets.wolfspeed.com/uploads/2026/03/Wolfspeed_Powering_AI_with_reliable_SiC-based_solid-state_transformers_white_paper.pdf
目前已推出的适合固态变压器 (SST) 应用的 Wolfspeed WolfPACK 功率模块产品包括:
CAB5R0A23GM4:2300 V、5 mΩ、GM 封装、半桥 (AlN 基板)
CAB5R0A23GM4T:2300 V、5 mΩ、GM 封装、半桥 (AlN 基板) 、预涂导热界面材料
CAB6R0A23GM4:2300 V、6 mΩ、GM 封装、半桥 (AlN 基板)
CAB6R0A23GM4T:2300 V、6 mΩ、GM 封装、半桥 (AlN 基板) 、预涂导热界面材料
CAB7R5A23GM4:2300 V、7.5 mΩ、GM 封装、半桥 (AlN 基板)
CAB7R5A23GM4T:2300 V、7.5 mΩ、GM 封装、半桥 (AlN 基板) 、预涂导热界面材料
关于上述产品更多信息,敬请访问:
https://www.wolfspeed.com/products/power/sic-power-modules/wolfspeed-wolfpack-sic-power-modules-family/?blockingVoltage=2300%20V|3300%20V&package=GM
| 延伸阅读 |
▲企业宣传视频:Wolfspeed 助您实现梦想,成就非凡!
Wolfspeed(美国纽约证券交易所上市代码:WOLF)在全球范围内推动碳化硅技术采用方面处于市场领先地位,这些碳化硅技术为全球最具颠覆性的创新成果提供了动力支持。作为碳化硅领域的引领者和全球最先进半导体技术的创新者,我们致力于为人人享有的美好世界赋能。Wolfspeed 通过面向各种应用的碳化硅材料、功率模块、分立功率器件和功率裸芯片产品,助您实现梦想,成就非凡 (The Power to Make It Real™)。了解更多详情,敬请访问 www.wolfspeed.com。


