↑↑ 这里,是你的“科技智库”,想看什么,可随时搜索备查。进公众号,回复您想看的行业,即可快速查看相关报告。
↑↑ 加入科技讨论社群,获取报告库、景气跟踪图集、行业脑图,可加微bgys2020

图:电子电力技术发展史
来源:搜狐

图:PCS产业链
来源:并购优塾

图:2021年全球分立IGBT市场竞争格局
来源:华金证券

图:2021年全球模组IGBT市场竞争格局
来源:华金证券

图:中国储能PCS提供商2022年全球出货量(单位:GW)
来源:东吴证券

图:中国储能PCS提供商2022年境内出货量(单位:GW)
来源:东吴证券

图:2023H1国内企业储能系统出货排名(单位:Gwh)
来源:知乎

图:wind机构一致预期增长和景气度情况
来源:并购优塾、wind




图:电化学储能系统构成
来源:平安证券

图:储能系统价值量分布
来源:开源证券

图:储能变流器材料成本构成
来源:国信证券

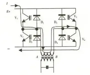
图:电路原理
来源:知乎

图:输出波形
来源:知乎

图:储能变流器分类
来源:头豹研究院

图:公司主要产品及用途
来源:东吴证券

图:收入结构(单位:亿元)
来源:并购优塾

图:不同业务对营收拉动效应
来源:wind

图:科华数据业务概况
来源:德邦研究所

图:收入结构(单位:亿元)
来源:并购优塾

图:不同业务对营收拉动效应
来源:wind

图:收入结构(单位:亿元)
来源:并购优塾

图:不同业务对营收拉动效应
来源:wind

图:归母净利润增速(单位:%)
来源:并购优塾

图:近几个季度归母净利润情况
来源:并购优塾

图:近几个季度归母净利润情况
来源:并购优塾

图:近几个季度归母净利润情况
来源:并购优塾

图:净现比
来源:并购优塾

图:现金流VS CAPEX
来源:并购优塾

图:毛利率(单位:%)
来源:并购优塾

图:净利率(单位:%)
来源:并购优塾

图:杜邦分析拆解
来源:并购优塾

图:产业链价值分配
来源:并购优塾

图:光伏月度装机数据
来源:甬兴证券

图:碳酸锂价格走势
来源:国金证券

图:磷酸铁锂电芯价格走势
来源:国金证券

图:储能系统月度中标量(单位:MWh)
来源:国金证券

图:储能系统加权平均中标价格(单位:元/Wh)
来源:国金证券

图:2023年1-10月内新型储能新增装机规模
来源:国金证券






