《数字化转型服务商分类分级评价规范》(GB/T47018-2026)是我国首部针对数字化转型服务商的国家标准,将于2026年5月1日正式实施。
该标准共117页,将服务商分为8大类36个子类,并设置五级能力等级(从专业产品单点应用到生态级创新引领),从团队能力、产品服务、实施成效等维度进行评价。标准由中国电子技术标准化研究院牵头,联合60余家单位共同制定,旨在解决行业技术壁垒和标准不一问题,与企业成熟度评估标准GB/T 43439-2023形成配套。

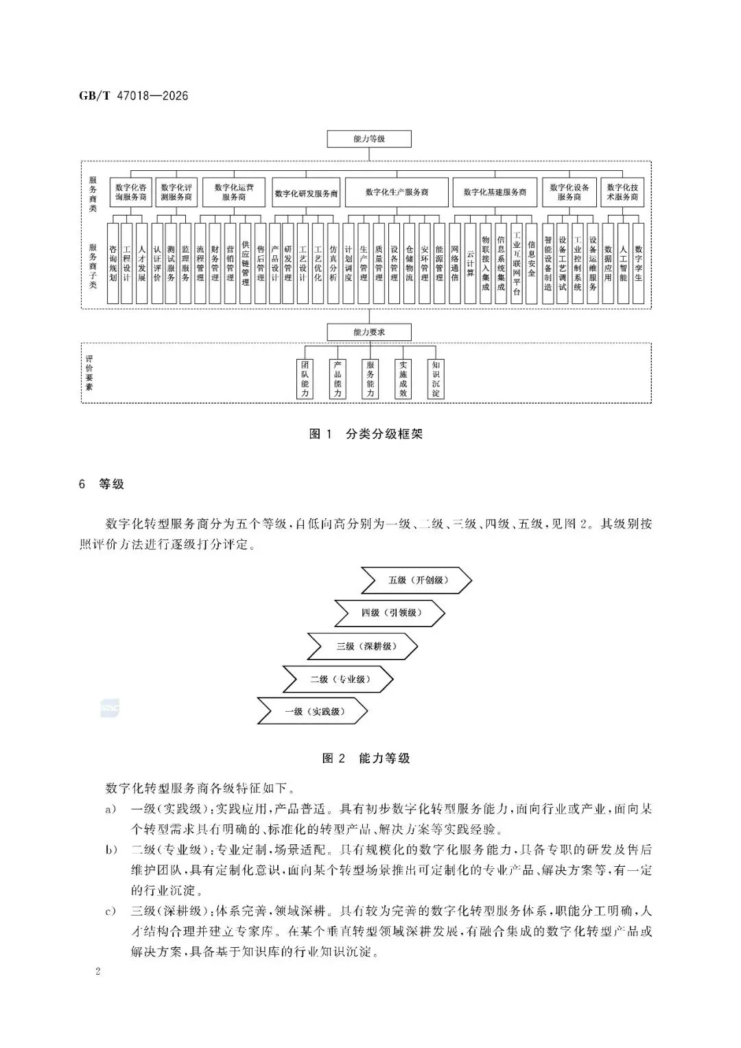
数字化转型服务商分类分级框架由能力等级、服务商类和能力要求构成,其中,服务商类由服务商子类构成,子类服务商在不同能力等级有不同的能力要求,能力要求包括团队能力、产品能力、服务能力、实施成效、知识沉淀,见图1。

数字化转型服务商分为五个等级,自低向高分别为一级、二级、三级、四级、五级,见图2。其级别按照评价方法进行逐级打分评定。

数字化转型服务商各级特征如下。
一级(实践级):实践应用,产品普适。具有初步数字化转型服务能力,面向行业或产业,面向某a)个转型需求具有明确的、标准化的转型产品、解决方案等实践经验。
二级(专业级):专业定制,场景适配。具有规模化的数字化服务能力,具备专职的研发及售后b)维护团队,具有定制化意识,面向某个转型场景推出可定制化的专业产品、解决方案等,有一定的行业沉淀。
三级(深耕级):体系完善,领域深耕。具有较为完善的数字化转型服务体系,职能分工明确,人才结构合理并建立专家库。在某个垂直转型领域深耕发展,有融合集成的数字化转型产品或解决方案,具备基于知识库的行业知识沉淀。
四级(引领级):智能引领,行业协同。具有成熟的数字化转型服务体系,具备引领行业的服务能力。建立内外部专家库,应用人工智能技术与敏捷方法在关键业务领域协同工作,在多个行业具有成熟的数字化转型方法论、具备基于模型与算法的产品和解决方案,知识库可动态更新。
五级(开创级):开创未来,生态变革。联合产业链供应链上下游,形成数字化转型服务生态,具备开创性的科研与技术攻关能力,推动产业变革。基于行业沉淀与知识库,结合应用大量人工智能等新兴技术持续孵化、优化产品,实现机制的自我改进,为生态赋能。
数字化转型服务商共分为8个类,36个子类,见表1。


从多个核心维度综合评价服务商水平,主要包括:
1、团队与资质能力
2、产品与技术能力
3、项目服务与实施能力
4、典型案例与落地成效
5、行业知识与解决方案成熟度
6、通过多维度量化打分,最终确定企业的分类与等级。

DTSS 是数字化服务商的国家级能力认证,既是企业服务能力的权威证明,也是进入政务、国企等重点市场的重要资质,有助于提升品牌可信度、增强招投标竞争力,推动行业规范化发展。
















来源:制造前沿














左右滑动查看更多
▲将我们设为「星标★」才能第一时间收到推送哦


