固定污染源废气(NH3)排放连续监测系统适用性检测合格名录
截至2025年12月31日
左右滑动查看更多


固定污染源烟气(SO2、NOX、颗粒物)排放连续监测系统适用性检测合格名录
(符合HJ 76-2017标准)
截至2025年12月31日
左右滑动查看更多


















固定污染源废气(CO2、CH4、N2O)排放连续监测系统适用性检测合格名录
截至2025年12月31日
左右滑动查看更多






固定污染源废气非甲烷总烃连续监测系统适用性检测合格名录
截至2025年12月31日
左右滑动查看更多









生活垃圾焚烧固定源烟气(HCl、CO)排放连续监测系统适用性检测合格名录
截至2025年12月31日
左右滑动查看更多



固定污染源烟气抽取式颗粒物排放连续监测系统等速跟踪采样功能检测合格名录
截至2025年12月31日
左右滑动查看更多


便携式紫外吸收法、定电位电解法烟气(SO2、NOX)监测仪适用性检测合格名录(符合HJ 1045-2019、HJ/T 46-1999
标准)
截至2025年12月31日

便携式光学法烟气(SO2、NOX、CO2)监测仪适用性检测合格名录
(符合CNEMC-03-ZJZX-024-2023(HJC-ZY77-2020)、CNEMC-03-ZJZX-025-2023(HJC-ZY102-2022))
截至2025年12月31日

废气总烃、甲烷和非甲烷总烃便携式监测仪适用性检测合格名录
截至2025年12月31日
左右滑动查看更多




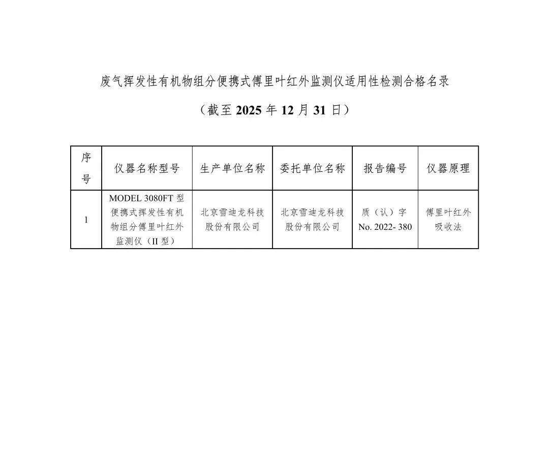
废气挥发性有机物组分便携式傅里叶红外监测仪适用性检测合格名录
截至2025年12月31日

烟尘采样器适用性检测合格名录
截至2025年12月31日

编辑 | 胡佳欣
本文转载自第三方平台,转发此文目的在于促进信息交流,不存在盈利性目的,此文观点与本站立场无关,不承担任何责任。未经证实的信息仅供参考,不做任何投资和交易根据,据此操作风险自担。如无意侵犯媒体或个人知识产权,如有侵权请告知,我们将在第一时间做删除处理。


