手机版
二维码
购物车
(
0
)
供应
求购
公司
团购
展会
资讯
招商
品牌
人才
知道
专题
图库
视频
下载
商圈
推广
热搜:
采购方式
滤芯
甲带
气动隔膜泵
减速机
减速机型号
带式称重给煤机
履带
无级变速机
链式给煤机
首页
供应
求购
公司
团购
展会
资讯
招商
品牌
人才
知道
专题
图库
视频
下载
商圈
首页
>
资讯
>
机械设备
锂电池化成分容设备技术及注液设备技术
日期:2023-08-15 23:25:09 来源:网络整理 作者:本站编辑
评论:0
来源 |
锂电派
社群 |
进"电池材料"群请加微15221054164,备注电池材料
离子电池经过繁杂的工序,生成半成品电芯后,此时电芯还未完成激活,无法正常使用。半成品电芯还需要经过特定工序
激活
内部的活性物质,同时还需要对不同品质的电池进行
筛选
分类。
设备原理、分类及主要性能指标
1.1 设备原理
在化成这道工序中,会第一次对锂离子电池进行小电流充电,将其内部正负极活性物质激活,在负极表面形成一层SEI膜。SEI膜只允许锂离子通过,不溶于有机溶剂,故而可以防止电解液侵蚀电极,使负极电极在电解液中可以稳定地存在,从而大大提高了电池的循环性能和使用寿命。通常工艺会采用
0.05~0.1C
小电流充电方式进行预充,这种方法有助于形成稳定的SEI膜。
SEI膜的形成受诸多因素的影响,比如
化成电流
的大小,当化成电流较大时,电化学反应速度加快,SEI膜的生长速度加快,但这种条件下形成的SEI膜比较疏松,一致性不好且不稳定。当化成电流较小时,形成的SEI膜较致密、稳定。同样,
温度
也会对SEI膜的形成产生影响,当电芯处于适宜温度环境时,形成的SEI膜较致密,而高温化成时,SEI膜的生长速度较快,形成的SEI膜较疏松、不稳定。此外,当电芯以
开口方式
化成时,虽然便于化成时产生的气体排出,但此时电芯的注液口始终处于常压开放状态,如果环境控制不严格,可能使电池中的水分过高或杂质混入,会导致形成的SEI膜不稳定。所以化成过程中要有效地控制温度、电流和环境湿度等参数。
化成过程中形成的SEI膜并不是稳定不变的,SEI膜会在循环过程中缓慢增厚,SEI膜增厚不仅会导致电池内阻增大,而且增厚的过程要消耗锂离子和电解液,进一步造成不可逆的容量损失。此外,当电池使用不当,如过充、过放或者温度过高时,SEI膜会分解,新鲜负极表面与电解液发生剧烈的化学反应,放出大量的热,导致电池热失控引发起火爆炸。SEI膜的好坏会直接影响电池的循环寿命、稳定性、自放电性和安全性等电化学性能。电池只有经过化成后才能体现其真实性能,如果电芯不经过化成就不能正常地进行充放电。
分容可以简单地理解为容量分选、性能筛选分级
。主要通过使用电池充放电设备对每一只成品电池进行充放电测试和定容,即在设备上按工艺设定的充放电工步进行充满电、放空电(满电截止电压、空电截止电压)。通过放完电所用的时间乘以放电电流就是电池的容量。只有电池的测试容量大于等于设计容量时,电池才是合格的。而当测试容量小于设计容量时,则电池不合格。这个通过电池容量筛选出合格电池的过程叫分容。分容时若容量测试不准确,会导致电池组的容量一致性较差。
分容流程如图1所示。首先,清洗后的电池经过扫码装盘后由堆垛机转运上柜,分容柜压合压床进行分容,数据处理后弹开压床,堆垛机取出托盘下柜入库并静置一段时间,测量电池的OCV3,测出的OCV3若是不合格,需要二次装盘上柜,若是合格则需要静置一段时间测量电池的自放电后的OCV4,最后通过OCV4的测试结果完成对电池等级的筛选,若OCV4测试合格则判为A品电池,若是不合格则判为C品电池。
图1 分容流程
自放电
较高的电池是不合格的,且自放电速率的不一致也会导致电芯容量的不一致性。所以,电芯在出货前一定要对K值进行测试,即通过精确计算电压降速来判断电芯是否存在微短路情况。K值是用于描述电芯自放电速率的物理量,其计算方法为两次测试的开路电压差除以两次电压测试的时间间隔。理论上,只要测试K值之前电芯是充电的,那就不会出现负K值。实际上遇到的负K值,大多数是由测试温度的变化引起的,电芯温度越低,电压就会越低。K值也和电芯的A品有关,K值稍大的电芯只能进入B品及以下的电芯计算范围。
K值指的是单位时间内的电池的电压降
,通常单位用mV/d表示,是用来衡量锂电池自放电率的一种指标。K值计算公式如下所示,做得比较好的电池K值一般小于
2mV/d
。
式中 OCV1第一次测量电池开路电压的电压值,mV;OCV2第二次测量电池开路电压的电压值,mV;T1第一次测量电池开路电压的时间,d;T2第一次测量电池开路电压的时间,d。
1.2 设备分类
按锂电行业的电池形状来区分,主要可分为圆柱电池、软包电池与方形电池。结合设备的化成与分容功能,设备细化有圆柱电池化成设备、圆柱电池分容设备、软包电池化成设备、软包电池分容设备、方形电池化成设备、方形电池分容设备。
1.3 设备主要性能指标
一次优率、最终优率(仅由设备故障造成的):表明产品可以无缺陷通过某一作业的概率值。
故障率(仅因设备故障导致):考核设备技术状态、故障强度、维修质量和效率的指标。
故障停机时间:发现设备故障开始到第一个合格产品产出时的时间。
负荷时间:设备按计划应开动的时间,一般以每天24h计算。
PPM:每分钟生产产品的数量。
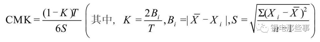
CMK:临界机器能力指数,仅考虑设备本身的影响,同时考虑分布的平均值与规范中心值的偏移。
T:公差带(上差-下差)
MTBF:平均故障间隔时间,反映了产品的时间质量,是体现产品在规定时间内保持功能的一种能力。
软包化成分容设备
2.1 软包化成设备简介
软包化成设备是在高温加压的环境下对电池进行充电,设备由充电电源单元、高温加压单元、电气控制单元和后台监控软件等组成,下面分别对设备各部分进行简要介绍。图2为软包化成设备示意图。
图2 软包化成设备示意图
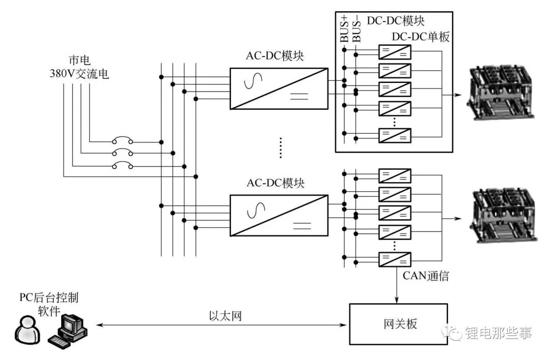
(1)充电电源单元
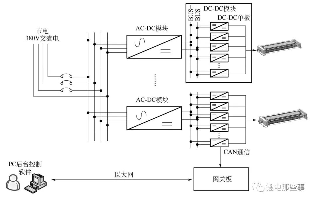
充电电源单元由交流-直流(AC-DC)模块、直流-直流(DC-DC)模块和监控用网关板组成。AC-DC模块将交流电变换为14V直流电,并为多个DC-DC通道提供能量。DC-DC通道采样开关电源技术将14V直流电变换为5V直流电,为电芯提供充电能量。为便于维护,DC-DC部分采用模块化设计,每8个DC-DC通道组成一个DC-DC模块。每个DC-DC通道与网关板之间采用控制器局域网络(CAN)总线进行通信,实现后台对各个通道的控制和数据管理。
图3是64通道系统原理框图。一个AC-DC模块带一个DC-DC模块(内含8个通道),AC-DC模块之间各自独立,当其中任一模块损坏时不影响其他通道工作,增强了系统的可靠性。
图3 软包化成设备64通道系统原理框图
(2)高温加压单元
设备由两组高温加压机械单元构成,采用卧式结构,每个单元由32层托盘组件和伺服电机以及固定支架组成,每层可放置一个电池,每个单元放置32个电池。
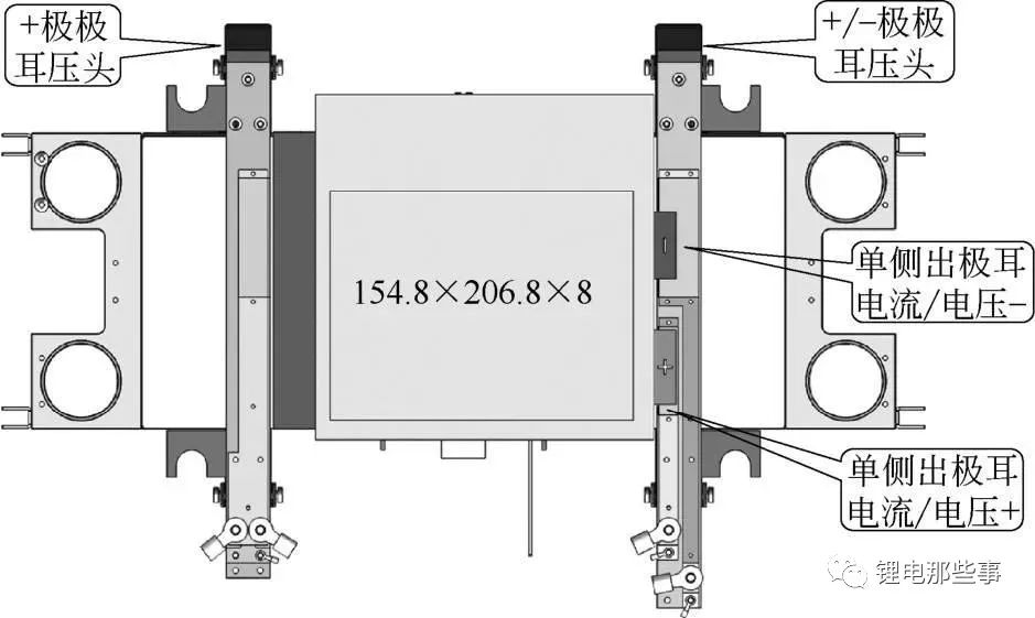
每个电池托盘组件包括铝板、加热板、温度传感器等。铝板在伺服电机的控制下实现对电池的加压;加热板可快速将电池加热到设定温度;温度传感器固定在铝板上,用来实时检测电池加热温度。图4为化成夹具示意图。
图4 化成夹具示意图
①极耳调节机构:设备极耳夹紧机构,在电池长度方向两侧可调,尾部的摇杆轻松调整,如图5所示。
图5 极耳调节机构
②夹具安装指示标尺,刻度指示方便调节,如图6所示。
图6 指示标尺
③接触探针:探针表面镀金,接触阻抗≤1mΩ,温升小于10℃。
(3)电池兼容
可同时兼容单侧极耳电池及双侧极耳电池,因具体电池的详细尺寸未给全,需要在设计阶段双方沟通确认详细设计方案。其中电池换型时,需同步更换电芯纸与硅胶板及垫厚的垫板。具体兼容的方案如图7与图8所示。
图7 单侧出极耳
图8 双侧出极耳
(4)电气控制单元
本设备由计算机后台监控软件实现对设备的监控,每台夹具配压力传感器,实时反馈压力;使用伺服电机控制夹具闭合及调整夹具压力,夹具压力可通过设置参数精密调节,夹具压力最大为5000kgf,压力稳定度150~1000kgf为±20kgf、1000~5000kgf为±2% RD(读数值),压力闭环控制,实时自动调整;压力显示分辨率为±1kgf。设备主要性能指标见表1。
表1 设备主要性能指标
(5)后台监控软件
①提供三级管理权限:管理员、工程师、操作员三种权限,便于对设备的不同使用权限进行管理。
②提供工艺编辑功能:可对工艺流程(恒流、恒压、恒流恒压、静止、循环)、工艺参数(充放电电流、电压、静止时间、温度、压力、跳转位置和循环次数等)、限值条件(时间、容量、电流、电压、温度、压力)进行设置。
③实时数据的显示和控制:软件通过列表方式实时显示各通道循环、工步、状态、电流、电压、工步时间、电池温度、容量、压力、文件位置等信息。并可对每个通道进行跳转、暂停/继续、接续、停止、数据文件打开、工艺信息查询等操作。
④来电恢复功能:当厂区停电时设备可自动保存并停在当前工步,来电后可从断点处接续执行。
⑤数据文件名称管理:可自定义每个通道的数据文件名称,并指定保存文件的路径。
⑥数据文件的导入功能:通过导入其他电脑或通道的数据文件,可以灵活转移被测试电池到其他设备上。
⑦数据文件导出功能:可以根据需求对工艺文件、曲线图形、工步汇总数据、详细记录数据等有取舍地导出到EXCEL,避免大量无用数据的反复处理。
⑧图形显示功能:可显示特定循环或全部循环的电压-时间、电流-时间、温度-时间、压力-时间、容量-电压的曲线,并提供打印、拷贝、缩放图形的功能。
⑨数据文件折叠/展开功能:可对数据文件进行三级的折叠/展开显示,以快速浏览测试数据,同时对每个循环进行充放电数据汇总和效率计算。
⑩远程监控:通过企业内部局域网,可对配置好的设备进行远程监控。
⑪日志管理:通过系统日志管理管理,可以实时记录系统的工作状态和故障信息,以追踪设备的使用问题和故障码,方便问题的分析。
⑫具备充放电电压、电流曲线实时监控功能及保护停止后故障信息(波动点数保护)功能。
⑬具有电池反接保护:出现电池正负极被接反时,系统自动将电池强制休眠并在软件界面提示;同时,出现反接时不会损伤设备自身。
⑭数据记录条件可设置为电压变化(≥0.1mV)、电流变化(≥1mA)和时间间隔(≥100ms)。
⑮删除工步文件时,可手动选择是否同时删除对应数据文件。
⑯分选功能:可依据不同阶段的充放电容量、平台电压等对电池进行分档。
2.2 软包分容设备
软包分容设备是在常温常压的环境下对电池进行充放电,设备由充电电源单元、极耳压合单元、电气控制单元和后台监控软件等组成,下面分别对设备各部分进行简要介绍。图9为软包分容设备示意图。
图9 软包分容设备示意图
(1)充电电源单元
充电电源单元由AC-DC模块、DC-DC模块和监控用网关板组成。AC-DC模块将交流电变换为14V直流电,并为多个DC-DC通道提供能量。DC-DC通道采样开关电源技术将14V直流电变换为5V直流电,为电芯提供充电能量。为便于维护,DC-DC部分采用模块化设计,每8个DC-DC通道组成一个DC-DC模块。每个DC-DC通道与网关板之间采用CAN总线进行通信,实现后台对各个通道的控制和数据管理。
图10是64通道系统原理框图。一个AC-DC模块带一个DC-DC模块(内含8个通道),AC-DC模块之间各自独立,当其中任一模块损坏时不影响其他通道工作,增加了系统的可靠性。
图10 软包分容设备64通道系统原理框图
(2)极耳压合单元
设备由极耳压合机械单元构成,采用卧式结构,每个单元包含32通道,可放置32个电池。主要包含固定支架、定位机构、压接板组件和伺服电机等,电芯放置在托盘内整盘电芯上下料,上料定位完成后,将极耳与压接板压合,形成充电回路。极耳压合单元如图11所示。
图11 极耳压合单元
(3)电气控制单元
本设备由计算机后台监控软件实现对设备的监控,每台夹具配压力传感器,实时反馈压力;使用伺服电机控制夹具闭合及调整夹具压力,夹具压力可通过设置参数精密调节,夹具压力最大为5000kgf,压力稳定度150~1000kgf为±20kgf、1000~5000kgf为±2% RD,压力闭环控制,实时自动调整;压力显示分辨率为±1kgf。
(4)后台监控软件
后台监控软件参见2.1软包化成设备简介(5)后台监控软件的相关内容。
方壳化成分容设备
3.1 方壳化成设备
方壳化成设备是在高温负压的环境下对电池进行充电,设备由充电电源单元、针床单元、温控单元和后台监控软件等组成,下面分别对设备各部分进行简要介绍。方壳化成设备如图12所示。
图12 方壳化成设备
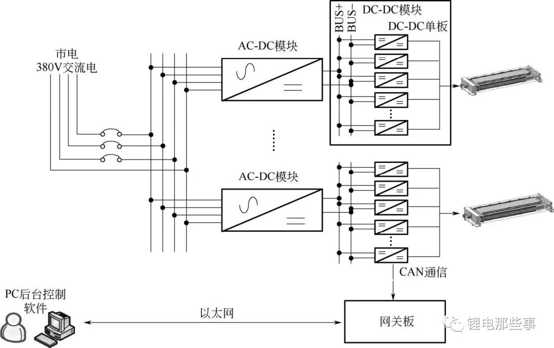
(1)充电电源单元
充电电源单元由AC-DC模块、DC-DC模块和监控用网关板组成。AC-DC模块将交流电变换为14V直流电压,并为多个DC-DC通道提供能量。DC-DC通道采样开关电源技术将14V直流电变换为5V直流电,为电芯提供充电能量。为便于维护,DC-DC部分采用模块化设计,每8个DC-DC通道组成一个DC-DC模块。每个DC-DC通道与网关板之间采用CAN总线进行通信,实现后台对各个通道的控制和数据管理。
图13是96通道系统原理框图。一个AC-DC模块带一个DC-DC模块(内含8个通道),AC-DC模块之间各自独立,当其中任一模块损坏时不影响其他通道工作,增加了系统的可靠性。
图13 方壳化成设备96通道系统原理框图
(2)针床单元
根据总体技术规划需求,压床模块置于高温箱内,高温箱库位3层2列,总共包含6个压床,共96个通道。每个针床的托盘电芯由人工+小推车送入压床架,并实现电池的初定位和精定位,每个库位放2个托盘,每托盘放置8支电芯。针床整体外形如图14所示。
图14 针床整体外形
①压床包括上层组件、中层组件、下层组件、负压系统、消防系统和控制单元。
②上层组件包括探针、温度探头和负压吸嘴等。下层组件对托盘进行初定位,中层组件对托盘进行精定位,带动托盘上抬,探针与电芯极柱直接压接,温度探头在两个电极中间,测试电池壳体温度,负压吸嘴和注液嘴直接对接。
③负压化成系统。负压化成系统采用开架式且附带真空负压系统的分体式系统,即电源柜与针床柜独立分开。每个托盘单元的上下料都是由小推车加人工完成,针床内部设有托盘定位装置,可以对来料托盘进行定位判别。托盘上压并与针床可靠接触后,测试系统根据指令开始抽真空,达到相应工艺要求真空度后,再进行充电化成,化成工步完成后将储液杯内的电解液打回到电池内。
负压回路:该负压化成系统为双负压回路,即高负压回路与低负压回路并联后与电解液过滤器相连,后端与真空泵相连。提供了一种能量损耗低、电池电解液流失量小、使用灵活的锂电池双路负压化成系统。
微正压回路:干燥氮气管路在化成流程结束后破坏真空,同时使化成过程中吸出的电解液回流到电池中。
④消防系统。库位内消防管路为水气共用,水和气分开时都配有单向阀,防止水和气串到一起。气体消防由烟感和温感的组合逻辑启动控制,水消防由手动控制,并且底部有配置接水盘。
(3)温控单元
根据化成工艺的加热需求,设备设计有高温箱加热保温功能,高温箱库位3层2列共6个,高温箱可整体控制温度,也可单独库位控制温度(单独库位控制由于库位需做隔热处理,设备整体尺寸会大一点),整体外形如图15所示。
图15 温控整体外形示意框图
①温度控制范围:(室温+10℃)~最大70℃;温度控制精度:±3℃。
②超温保护:炉膛内设有一个主温控器用于温度控制,另需安装一个专门用于超温保护的温控器;加热管附近需要设立一个机械式温控器,用于防止风机出故障时引起的加热管干烧,在加热用固态继电器的主电源输入端需安装接触器,其线圈由温控器的报警点控制。
③安全防护:高温箱顶部开一个(最小)150mm×100mm泄压口,底部开一个400mm×400mm泄压口,泄压口的结构为铜箔/岩棉/铜箔,破坏压力为4kgf,以便在箱内有电池意外爆炸时起到泄压作用。高温箱底部外面前端增加防护挡板,以避免电池意外爆炸泄压时汽化的电解液等对人员的伤害。
(4)后台监控软件
后台监控软件参见4.8.2.1软包化成设备简介(5)后台监控软件的相关内容。
3.2 方壳分容设备
方壳分容设备是在常温常压的环境下对电池进行充放电,设备由充电电源单元、针床单元、电气控制单元和后台监控软件等组成,下面分别对设备各部分进行简要介绍。图16为方壳分容设备示意图。
图16 方壳分容设备示意图
(1)充电电源单元
充电电源单元由AC-DC模块、DC-DC模块和监控用网关板组成。AC-DC模块将交流电变换为14V直流电,并为多个DC-DC通道提供能量。DC-DC通道采样开关电源技术将14V直流电变换为5V直流电,为电芯提供充电能量。为便于维护,DC-DC部分采用模块化设计,每8个DC-DC通道组成一个DC-DC模块。每个DC-DC通道与网关板之间采用CAN总线进行通信,实现后台对各个通道的控制和数据管理。
图17是方壳分容设备电源系统96通道系统原理框图。一个AC-DC模块带一个DC-DC模块(内含8个通道),AC-DC模块之间各自独立,当其中任一模块损坏时不影响其他通道工作,增加了系统的可靠性。
图17 方壳分容设备电源系统96通道系统原理框图
(2)针床单元
根据总体技术规划需求,共设计3层6个压床模块,96个通道。每个针床的托盘电芯由人工+小推车手动方式送入压床架,并实现电池的初定位和精定位,每托盘放置8支电芯。
①方壳分容设备针床模块整体外形图如图18所示。
图18 方壳分容设备针床模块整体外形图
②针床包括上层组件、中层组件、下层组件、消防系统和控制单元。
③上层组件包括探针、烟雾、温度探头等。下层组件对托盘进行初定位,中层组件对托盘进行精定位,带动托盘上抬,探针与电芯极柱直接压接,温度探头在两个电极中间,测试电池壳体温度。
④消防系统。
库位内消防管路为水气共用,水和气分开时都配有单向阀,防止水气串到一起。当库位内出现情况时1230气体由系统控制启动灭火,灭火不完全才启动水喷淋灭火,并且每个库位配备接水盘。
(3)电气控制单元
电气控制单元参见4.8.2.2软包分容设备(3)电气控制单元的相关内容。
(4)后台监控软件
后台监控软件参见4.8.2.1软包化成设备简介(5)后台监控软件的相关内容。
设备选择与应用案例
在选择具体的化成设备时,需要对客户的产能、化成分容规格、产品规格、设备配置需求等进行明确,针对性制定化成分容方案。具体如下:
①明确化成分容规格:
a.确认化成分容的产能需求。
b.电池的化成分容规格:电压、电流。
c.了解客户的化成分容工艺:化成时间、分容时间、静置时间。
②明确产品规格:
a.确认产品规格:蓝本电芯尺寸、兼容范围。
b.极耳情况:单侧极耳、双侧极耳、极柱与注液口间距离。
③明确技术要求:电压电流精度、充放电效率、温度精度、接触阻抗、温度精度、压力精度、关键元器件寿命、换型要求等。
④电气以及机械通用规范:参阅相关一般机械、电气规范。
设备使用与维护
由于高温加压化成柜支持单、双侧出极耳软包电芯,由于电芯极耳方式不同,层板极耳压头探针板配置不同,电芯的取放操作也不同。
5.1 单侧出极耳电芯放入操作
单侧出极耳电芯放入如图19所示。
图19 单侧出极耳电芯放入示意图
①在夹具完全张开状态下松开夹具尾端极耳压头手轮锁紧装置,转动手轮分别将两个极耳压头组件调整至标尺对应尺寸位置,调节完毕锁紧手轮。整个操作过程必须在夹具完全张开状态下进行,禁止在夹具闭合或半闭合状态下操作。
②按设计要求依次更换对应尺寸规格的硅胶垫、绝缘膜等辅料。
③手提气袋竖直向下放入电芯,放入时电芯尾端(非极耳侧)必须靠近正极极耳压头,完全保证电芯极耳不接触正/负极极耳压头。
④待电芯底部接触到绝缘膜时,手提气袋向正/负极极耳压头侧(人站立侧)平移电芯,待电芯极耳移入正/负极极耳压头范围且电芯该侧铝塑膜边沿距探针板边沿3~5mm即可停止继续平移(切记铝塑膜不可伸入极耳压头)。
⑤待单组夹具32个通道放满电芯后即可进行后续操作。严禁在不放电芯或单组夹具没有放满电芯状态下进行空压操作。
单侧出极耳电芯放入步骤如图20所示。
图20 单侧出极耳电芯放入步骤
5.2 双侧出极耳电芯放入操作
双侧出极耳电芯放入如图21所示。
图21 双侧出极耳电芯放入示意图
①在夹具完全张开状态下松开夹具尾端极耳压头手轮锁紧装置,转动手轮分别将两个极耳压头组件调整至标尺对应尺寸位置,调节完毕锁紧手轮。整个操作过程必须在夹具完全张开状态下进行,严禁在夹具闭合或半闭合状态下操作。
②依次更换对应尺寸规格的硅胶垫、绝缘膜等辅料。
③手提气袋竖直向下正确放入电芯,尽量保证电芯位于两极耳压头之间的中央位置处。
④待单组夹具32个通道放满电芯后即可进行后续操作。严禁在不放电芯或没有放满电芯状态下进行空压操作。
调节机构组件如图22所示。
图22 调节机构组件
5.3 单侧出极耳电芯取出操作
由于单侧出极耳压头探针板的特殊设计,严格禁止出现不经其他操作而直接向上提取电芯的取出操作(水平方向上电芯极耳未完全脱离探针板而直接向上提取电芯的操作有严重的电芯短路风险,应严格杜绝),具体操作规范如下:
①在夹具完全张开且层板完全停止移动的状态下,手握气袋向正极极耳压头侧水平移动电芯至电芯极耳完全脱离探针板,切忌此过程中向上提取电芯,否则有严重的电芯短路风险(亦可通过摇动手轮将极耳压头分别向两侧调节至电芯极耳完全脱离探针板状态)。
②待电芯极耳完全脱离探针板,竖直向上提取电芯。
单侧出极耳电芯取出步骤如图23所示。
图23 单侧出极耳电芯取出步骤
5.4 双侧出极耳电芯取出操作
在夹具完全张开且层板完全停止移动的状态下,手提电芯气袋直接向上抽出电芯即可。
5.5 使用前设备检查
在设备首次通电前,需要对设备线路做检查,保证人身安全,以防止运输过程中有线路短路、松动等现象。具体方式如下:
①使用万用表测量设备是否有短路、线路有无松动。
②检查电源指示灯是否亮起。
③合上电源输入空开。
④设备开机自检完成后,若急停按钮处于旋起状态,则接触器自动吸合。
⑤设备上电完成。
设备断电方式,确认设备不在工作状态,关断电源输入空开,在紧急状况下可以按下急停按钮,动力电源及电源模块电源会被切断,仅照明/PLC/触摸屏等控制电源会保留。
5.6 设备操作与维护
(1)手动操作
将“手动/自动”旋钮切换到手动位置,点击HMI“手动操作”键,进入手动操作界面(图24)。
图24 手动操作界面
1)点动操作(门开时允许操作)
①点动张开:设置“点动速度”,按住“松开方向”按钮,夹具向张开方向运行,松开后夹具减速停止。
②点动闭合:设置“点动速度”及“压力限制”保护参数,按住“闭合方向”按钮,夹具向夹紧方向运行,松开后夹具减速停止。
2)单步操作(门开时禁止操作)
①张开启动:设置张开“速度”及“位置”参数,点击“张开启动”按钮,张开中箭头变“绿”,夹具按设置的“速度”自动张开到设置的“位置”。
②张开停止:点击“张开停止”,张开中箭头变“灰”,夹具减速停止。
③压合启动:(注:所有通道均需放入电池,电池数量不足以假电池代替,不允许非满通道压合,否则会造成机构损坏)设置压合“速度”“位置”“压力”参数,点击“压合启动”按钮,压合中箭头变“绿”,夹具按设置的“速度”自动压合到设置的“位置”,再运行至设置的“压力”,进入保压状态。
④压合停止:点击“压合停止”,压合中箭头变“灰”,夹具卸压后停止。
⑤加温启动:设置“温度值”参数,点击“加温启动”按钮,加温中箭头变“绿”,加热板自动加热到设置的温度值。
⑥加温停止:点击“加温停止”,加温中箭头变“灰”,加温立即停止。
(2)自动操作
所有通道均需放入电池,电池数量不足以假电池代替,不允许非满通道压合,否则会造成机构损坏。
①自动启动:将“手动/自动”旋钮切换到自动位置,按下“启动”按钮,指示灯亮绿灯,设备自动运行上位机编制的默认工艺。
②自动停止:按下“停止”按钮,设备停止自动运行。
(3)门禁功能
除“手动点动操作”外,其他所有操作均需在门关闭的情况下进行,如需屏蔽安全门,需要“技术员”以上操作权限,在“功能选择”界面,点击“安全门已开启”进入“安全门已屏蔽”状态。
(4)操作帮助
各种操作允许状态,可在“操作帮助”界面(图25)查看禁用状态信息。
图25 操作帮助界面
(5)设备故障及处理
设备运行中发生故障时,除三色灯会根据故障类型变换不同报警提示外,HMI中“报警信息”界面(图26)有详细故障信息;一部分故障可能会触发蜂鸣器接通,如短时间无法排除故障又不想蜂鸣器接通,可在“功能选择”界面选择“屏蔽蜂鸣器”。
图26 报警信息界面
当排除设备故障后,按“复位”按钮,清除故障后,方可重新操作设备。
化成设备发展趋势
6.1 串联化成
因锂电池市场的发展,对动力锂电池的价格有大幅下降的需求。而锂电池化成设备,是锂电池后段生产工序中重要组成部分。于是,电池厂家就对设备厂家提出了降低化成设备成本的要求,以降低设备采购成本。另外对化成电源设备的充放电效率也提出了更高的要求,因为更高的效率意味着生产中单个电池的电能消耗更少,能有效降低厂家生产成本。
市面上现有结构的化成设备,一块电池必须对应化成电路的一个通道,每个通道均必须有独立的恒压、恒流源电路以及相应功率配线,才能对电池进行充放电,以完成电池化成工序。经过多年的降成本技术改进,成本上已经没有多大的下降空间。同时每个电池均需要较长的功率电缆连接化成设备和电池,这些电缆在电池进行化成工序充放电时,会产生大量无谓的功率损耗,降低了化成设备整体充放电效率,加大了电能消耗,抬高了生产成本。
目前,泰坦、恒翼能、吉阳等厂家已经开始采用串联化成,几家主流电池厂都开始小规模生产,验证串联化成技术与化成工艺,串联化成未来将迅速成为主流。相比于传统并联化成设备,串联化成设备主要有以下几点优势:
①可大幅降低能耗损耗,提升充放电效率。
②减少设备连接线缆,方便维护。
③串联化成可提高电池一致性。
④客户设备投入可大幅减少。
6.2 容量预测
电池容量(capacity)实时动态、准确、稳定、可靠地预测是预测电池剩余电量(SOC)的关键环节之一,若不能准确预测电池的实际容量,则在充电容量超过电池的实际容量时容易发生电动汽车起火爆炸,而放电时若超出电池的实际容量则易对电池造成不可逆的严重破坏。
目前,通常采用以下两种方式预测电池的实际容量:
①直接利用电池厂商提供的额定容量或者成品电池安装电动车出厂时的实测电池容量,该方法没有考虑电池随着使用,容量会逐渐衰减的情况,特别是在电池使用后期,电池容量衰减较大,若利用该方法预测,则会严重影响后续SOC的预测精度。
②定期对电池容量做修正、校准,该方法没有考虑电池运行过程中的实时温度、电池的充电和放电状态、电池的充电和放电电流以及电池的SOC等可逆因素对电池实际容量的影响。
总之,现有的预测都仅考虑个别因素对电池容量的单一影响,不能全面精确地预测电池的实际容量,从而造成对后续SOC预测的误差。因此在电池的实际使用过程中,如何精准地进行容量预测是至关重要的,精准预测也可以为电池管理系统提供可靠的数据,如图27所示。
图27 容量预测示意图
BMS—电池管理系统;MCU—微控制单元
6.3 大数据分析
近年来,全球电动汽车市场正在加速成长,但动力电池技术的性能以及一致性差的问题依旧制约着电动汽车的发展。因此持续提高电芯品质是未来电池制造过程中的重点工作,由于电池制造过程中工序繁多、设备种类多、性能影响因素多等,很难对电池存在的问题进行针对性的改进与优化,目前厂家也在制造过程中做系统互通互联,进行数据绑定与追根溯源,做整个制造过程中的数据闭环。
利用制造过程中收集的大数据,可以结合电池的运行情况,运用这个数据进行分析,分析电芯制造前工序问题对电池性能的影响,针对各个影响因素进行优化改善,提升电芯的制造品质;同时可以利用大数据来指导锂电池未来智能化与数据化生产。
注液设备技术
前的二次锂电池,多数都需要有电解液,有注电解液的工艺制程,实现这个制程的设备就是注液设备。
注液机概述
1.1 注液设备的重要性
锂电池电解液作用就是正负极之间导通离子,担当
锂离子传输介质的作用
,相当于肺部的血液作为氧气和二氧化碳交换的介质,可见电解液在整个电池内部的重要性。通用的锂离子电池电解液由无机锂盐电解质、有机碳酸酯和添加剂组成,作为锂离子迁移和电荷传递的介质,是锂离子电池不可或缺的重要组成部分,是锂离子电池获得高电压、高能量密度、高循环性能等优点的基础。
考核电池注液的
最主要参数
:注液量、浸润效果(充分且均匀)、注液精度,这三点都是由注液机的性能来实现的,因此注液设备在锂电池生产流程中也是非常重要的,直接影响到电池性能。设备主要参数分别介绍如下:
①
注液量
:要考虑满足电池设计要求,能把指定量的电解液全部注入电池。
②
浸润效果
:把电解液均匀地浸润到电池极片内部,使得极片的电化学能力发挥到最佳,浸润效果不完整的电池其性能一致性也会受到影响。在最短的时间内来实现最好的浸润效果,是注液机工艺能力的最重要体现。
③
注液精度
:反映了电池电解液量的一致性,反映电池性能的一致性,也反映了注液机的性能和能力。
注液机除了要实现以上三点来满足需求,还要考虑用最佳的注液工艺,
用最快的时间、尽量少的注液次数、尽量少的空间、尽量少的人工、尽量少的成本来达成要求
。
1.2 注液机原理
注液机注液的原理,就是在电池有限的内部容腔内(容腔内包括电芯以及未被充填的空间),通过一定的工艺方式(比如真空、压力、时间),把电解液注入容腔内,一部分电解液浸润到电芯(正负极极片、隔膜组成)内部,一部分占据未被充填的空间。全部注入电解液的量就是注液量。浸润到电芯内部的电解液越多,相对而言浸润效果就越好。把电解液浸润到电芯内部的时间越短,表面注液机的工艺能力越好。对于某个电池,实际注液量和设定要求的注液量的偏差,就是注液精度。对于同一批电池,注液量一致性越好,注液量越集中,注液重量的CPK值越大,就是注液机的整体性能越好。
1.3 注液机的种类
1)按电池种类分
①软包注液机。
②硬壳注液机,包括圆柱电池注液机、方形电池注液机。
2)按结构种类分
①直线式注液机,包括回字形结构注液机。
②转盘式注液机。
3)按注液工艺分
①真空注液机,一般指真空、常压呼吸式浸润方式。
②低压注液机,一般指加压静置时压力在0.3MPa以下,真空、压力交替循环的浸润方式。
③高压注液机,一般指加压压力在0.5~0.8MPa之间,真空、压力交替循环的浸润方式。
高压能实现更好的注液、浸润效果,是目前注液机的发展方向
。目前圆柱电池、方形铝壳电池(在等压方式的加持下)有一大部分是采用高压注液,软包电池还没有采用高压注液。
④超高压注液机,目前市面上还没有明确量产的超高压注液机,未来有更高静置压力的注液机,把加压压力在1~2MPa之间的注液机,称之为超高压注液机。未来对于更高能量密度的电池,有机会用上超高压注液机,这样注液后应该会减少后期的静置搁置时间。
4)按加压方式分
①差压注液机,一般指加压静置时,只对电池内部容腔加正压,电池内部和外壳外部存在压差,故称之为差压注液或差压静置。特别指出的是,对于方形硬壳电池,因为防爆膜以及方形外壳容易变形,差压注液机通常是低压注液机;对于圆柱电池比如钢壳18650/26650电池,差压注液机既可以是低压注液机,也可以是高压注液机。图1为高压-真空循环式注液原理示意图。
图1 高压-真空循环式注液原理示意图
②等压注液机,一般指加压静置时,对电池内部容腔以及电池外部同时加正压,电池内部和外壳外部不存在压差或压差很小,故称之为等压注液或等压静置。就其逻辑关系来说,高压是目的,等压是实现高压的手段,如果没有压力的存在,等压是不具有意义的。等压注液机使得方形铝壳电池也能实现高压注液。软包电池也可以采用高压等压注液方式。图2为常压-真空循环式注液原理示意图。
图2 常压-真空循环式注液原理示意图
1.4 注液机功能
①方形铝壳动力电池
一次注液机
包含以下功能:
a.上料:人工方式、机械手自动方式。
b.读码:条形码或二维码。
c.前称重:条码和重量绑定,数据计入MES系统。
d.装盘:电池放进托盘、托架定位。
e.测漏:检测注液嘴是否密封。
f.注液:通过注液泵。
g.静置,真空、压力循环方式:高压方式,低压方式,等压方式。
h.出托盘:电池移出托盘。
i.后称重:条码和重量绑定,数据计入MES系统。
j.密封注液孔:插入过程胶钉。
k.出料。
②方形铝壳动力电池
二次注液机
包含以下功能:
a.上料:人工方式、机械手自动方式。
b.读码:条形码或二维码。
c.前称重:条码和重量绑定,数据计入MES系统,计算出二次注液的注液量(变量注液)。
d.装盘:电池放进托盘、托架定位。
e.测漏:检测注液嘴是否密封。
f.注液:通过变量注液泵进行变量注液。
g.静置,真空、压力循环方式:高压方式,低压方式,等压方式。
h.出托盘:电池移出托盘。
i.后称重:条码和重量绑定,数据计入MES系统。
j.
抽真空回氦
:负压回氦,插入密封胶钉。
k.密封注液孔:插入过程胶钉。
l.出料。
③
圆柱
18650/21700/26650(先注液后焊盖帽)注液机一般包含以下功能:
a.上料:一般自动上料方式。
b.前称重:条码和重量绑定,数据计入MES系统,计算出二次注液的注液量(变量注液)。
c.装盘:电池放进托盘、托架定位。
d.测漏:检测注液嘴是否密封。
e.注液:通过注液泵。
f.静置,真空、压力循环方式:高压方式,低压方式,等压方式。
g.出托盘:电池移出托盘。
h.后称重:NG排出。
i.出料。
④圆柱18650/21700/26650(先焊盖帽后注液)注液机一般包含以下功能:
a.上料:一般自动上料方式。
b.找正盖帽方向。
c.前称重:条码和质量绑定,数据计入MES系统,计算出二次注液的注液量(变量注液)。
d.装盘:电池放进托盘、托架定位。
e.分次注液:通过注液泵,一般5~6次注液。
f.分次静置,真空、压力循环方式:高压方式,低压方式,真空方式。
g.出托盘:电池移出托盘。
h.后称重:NG排出。
i.找正盖帽方向、折极耳。
j.把盖帽压平。
k.出料。
⑤
软包电池注液机
一般包含以下功能:
a.上料:人工方式、机械手自动方式。
b.读码:条形码或二维码。
c.前称重:条码和重量绑定,数据计入MES系统。
d.装盘:电池放进托盘、托架定位。
e.测漏:检测注液嘴是否密封。
f.注液:通过注液泵。
g.静置:一般是真空、常压静置循环方式。
h.出托盘:电池移出托盘。
i.后称重:条码和重量绑定,数据计入MES系统。
j.密封注液孔:热封方式。
k.出料。
⑥
圆柱大铝壳一次注液机
一般包含以下功能:
a.上料:人工方式、机械手自动方式。
b.读码:条形码或二维码。
c.前称重:条码和重量绑定,数据计入MES系统。
d.旋转找正注液孔:一般通过CCD识别方式。
e.装盘:电池放进托盘、托架定位。
f.测漏:检测注液嘴是否密封。
g.注液:通过注液泵。
h.静置,真空、压力循环方式:高压方式,等压方式。
i.出托盘:电池移出托盘。
j.后称重:条码和重量绑定,数据计入MES系统。
k.密封注液孔:插入过程胶钉。
l.出料。
⑦
圆柱大铝壳二次注液机
一般包含以下功能:
a.上料:人工方式、机械手自动方式。
b.读码:条形码或二维码。
c.前称重:条码和重量绑定,数据计入MES系统,计算出二次注液的注液量(变量注液)。
d.旋转找正注液孔:一般通过CCD方式。
e.装盘:电池放进托盘、托架定位。
f.测漏:检测注液嘴是否密封。
g.注液:通过注液泵。
h.静置,真空、压力循环方式:高压-等压方式或差压方式。
i.出托盘:电池移出托盘。
j.后称重:条码和重量绑定,数据计入MES系统。
k.密封注液孔:插入过程胶钉。
l.擦拭注液孔。
m.出料。
1.5 性能指标
1)注液效率
①圆柱电池注液机效率:
a.18650/21700/26650(先注液后焊盖帽)电池的效率:分为80PPM、120PPM、200PPM、300PPM。
b.18650/21700/26650(先焊盖帽后注液)电池的效率:分为80PPM、120PPM。
c.圆柱大铝壳电池(外径32~50mm,高度80~273mm)的效率:目前量产是50PPM、72PPM,未来可能达到100PPM或更高。
d.圆柱大钢壳电池(外径32~26mm,高度80~160mm)的效率:目前量产线是60PPM、120PPM,未来达到200PPM或更高,46800如果是钢壳敞口结构注液,量产线效率应该可以考虑在80PPM、120PPM、160PPM、200PPM的梯次范围。
②电池
铝壳动力电池注液机效率
:
a.26148电池效率:通常在12~24PPM,未来会在24~60PPM区间。
b.50160电池效率:通常在12~24PPM,未来会在24~60PPM区间。
c.33230电池效率:通常在12~24PPM,未来会在24~48PPM区间。
③软包动力电池注液机效率:
软包动力电池:效率一般在6~24PPM。
④软包3C电池注液机:
软包3C电池效率:小软包注液机效率一般在12~24PPM。
2)注液精度
a.软包电池的注液精度:一般情况下0.5%。
b.18650电池注液精度:一般为±0.1g,考虑到称重系统本身的偏差,称重软件的设定偏差一般为±0.15g。
c.26650电池注液精度:一般为±0.12g,考虑到称重系统本身的偏差,称重软件的设定偏差一般为±0.18g。
d.圆柱大铝壳32130电池一次注液:一般为±1g。
e.圆柱大铝壳32130电池二次注液:一般为±1g。
f.方形动力电池一次注液机注液精度:一般为0.5%~1%。
g.方形动力电池二次注液机注液精度:一般为0.5%~1%。
设备组成及关键结构
2.1 外罩
①手套箱式。一般只用于实验室、小批量试制;可以选装自身配置除湿机,或者外接通干燥气,来控制内部含水量。单工位手套箱如图3所示
。
图3 单工位手套箱示意图(单位:mm)
②钣金外罩,带一定的密封功能。内通干燥气;可以放在干燥房内使用,也可以普通房间内使用(自配一个过渡房)。钣金外罩结构如图4所示。
图4 钣金外罩结构示意图
③铝合金框架外罩。放置在干燥房中使用;对湿气体起着一定的隔断作用,对设备和人员起着安全保护作用。铝合金框架外罩结构如图5所示。
图5 铝合金框架外罩结构示意图
2.2 真空泵
①一般使用螺杆泵。
②放在注液机旁边的话,
真空利用效率
高,节能。
③放在较远处需要做管道过来,要考虑管道对真空造成损失,管道越长越细,真空流量和真空度损失就越大。
2.3 注液泵
①现在一般采用电动泵,泵头为陶瓷材料,而不是2010年之前一般采用的Hibar注液泵。
②电动泵有手动型和智能变量型之分,后者一般叫变量泵。
③电动泵的精度对于电解液一般是0.25%左右。
④注液泵在实际生产中要避免卡泵。
2.4 电解液中转罐
①电解液中转罐主要目的是电解液供应(给注液杯)控制在常压下,并保持微小范围内的恒定。
②电解液桶里的电解液因为充了氮气保护气体,压力在0.2MPa左右,在使用时压力会降低。
③电解液中转罐必要时可以采用两层-双罐结构,可以对上层罐子进行除气泡,以提高注液量的一致性和精度。
④必要时可以对电解液进行过滤。
⑤必要时可以安装压差变送器对过滤器进行监控。
2.5 读码系统
①采用读码枪对条形码或二维码进行识别读取。
②读取的信息会和称重数据绑定,在MES系统形成数据库。
2.6 称重系统
①包括机械手、机械手指、电子秤等。
②电子秤一般采用称重传感器和放大器分开配置,以便节省空间。
③称重传感器需要考虑防腐蚀性能。
2.7 MES系统
①MES系统主要包括电池条码、前称重、后称重、注液量偏差合格与否。
②MES系统可以实现一次注液和二次注液互相连接,以及整个工厂互相连接。
2.8 测漏系统
①有时候需要检测密封胶嘴和电池的密封性,密封NG的电池不注液。
②采用真空或压力保持的方式检测。
2.9 供液系统
①包括注液泵、阀门管路等。
②有些配有暂存杯,可以提高效率。
③有些采用移动注液针方式,用更少的泵给更多的杯子注液。
2.10 托架/托盘
①用于电池定位,一般根据不同的电池结构和效率要求设计不同的托架/托盘。
②有固定位置方式的托架,也有可移动方式的托盘。
2.11 静置机构
①静置机构包含注液杯、密封胶嘴、电池托盘、压紧机构、压力-真空阀门管路系统等。
②静置方式有以下几种类型:
软包电池一般采用真空—常压的循环静置方式;硬壳电池一般采用真空—常压—正压—常压的循环静置方式。
压力静置一般分为高压静置和低压静置,高压静置指压力超过0.5MPa,低压静置指压力低于0.3MPa。采用高压静置时,方形电池特别是带有防爆膜的电池,需要采用等压方式。
钟罩式静置机构如图6所示。装盘机静置单元站如图7所示。
图6 钟罩式静置机构示意图
图7 装盘机静置单元站示意图
2.12 进出料输送带
进出料输送带是电池进出注液机的自动连接后工序输送机构。
设备选择和应用案例
3.1 静置方式选型
①结合目前主流的注液机实际情况,设备选择主要是选择不同的静置方式,包括真空静置、低压静置、高压静置。
②软包电池注液机,目前基本上采用真空静置循环方式,笔者认为未来有可能出现高压-等压的静置方式,一方面这样的浸润效果更好,另一方面推测应该可节省后面的搁置时间。
③方形铝壳动力电池对设备选型的参考思路:
a.注液静置时间在10min之内的:主要推荐选用低压静置(差压方式);
b.注液静置时间大于10min的:主要推荐选用高压-等压静置;
c.效率超过20PPM并且静置时间超过10min的:强烈推荐选用高压静置。
④圆柱钢壳电池(18650、21700、26650、32650、32130、46800):
a.效率较低的,比如60PPM的18650,30PPM的32650、46800,可以选择差压方式的高压注液;
b.效率较高的,120PPM或200PPM的18650,60PPM以上的32650,以及未来46800系列,强烈推荐采用高压等压注液;
c.钢壳32130系列,电池较高,电解液浸润较为困难,强烈推荐采用高压-等压注液。
⑤圆柱铝壳32130系列:
a.效率较低的,或者它的二次注液,可以选择差压方式;
b.效率较高的量产线,比如效率超过30PPM,强烈推荐采用高压-等压注液,除非这款电池注液特别容易下液,浸润时间很短。
3.2 结构方式选型
①注液机的结构一般有转盘式、直线式、回字形(也是直线式的一种)方式,它们有一些区别。
②直线式又分为并联式和串联式,并联式是在同一个静置站完成全部静置时间,串联式是托盘电池经过所有的静置工位才完成全部静置时间。并联式的时间利用效率比串联式高不少。
③转盘式和并联直线式是一样的,回字形一般都是串联式的,串联直线式和回字形是基本一样的原理。
④不管哪种方式,关键都是电池流动、电池托盘的流动和循环使用。
⑤大型的注液设备,有可能是转盘、直线的混合体。
⑥软包注液机一般是转盘式或直线式。
⑦钟罩式高压-等压注液机,一般是并联式的直线式注液机。
设备使用和维护
①和其他自动化设备相比,注液机最大的特点电解液有腐蚀性,在使用和维护中要特别加以重视。
②尼龙(PA66)、赛钢(POM)、PU气管、亚克力板(有机玻璃)是不耐电解液腐蚀的,需要避免使用。
③电解液容易结晶,注液泵在长期停机前需要拆出来清洗泵头(陶瓷泵头),以免结晶卡泵。
④避免在有电解液的周围特别是下方有电器线路。
⑤导轨滑块要避免被电解液腐蚀。
⑥有条件的话,停产停机时也不要断供干燥气。
【免责声明】文章为作者个人观点,不代表希骥电池与储能立场。如因作品内容、版权等存在问题,请于本文布30日内联系管理员进行删除或洽谈版权使用事宜。
打赏
更多
>
同类资讯
• 锂电池出口管制新规,11月将迎来
0
条
相关评论
推荐图文
推荐资讯
点击排行
18
1
求自动化设备供应商
14
2
烟台机械类小公司招人咋那么难
12
3
半导体设备零部件供应商系列:石英部件
10
4
是做齿轮链轮⚙️的厂子嘛~
9
5
没有进项票的二手工程机械如何合规出口?
8
6
喷涂工艺
7
7
不用预热焊接耐磨板专用焊丝 JD825耐磨钢焊丝
7
8
电镀生产线,这里也太酷了吧!?
6
9
实验室教学设备采购必入清单!
网站首页
|
关于我们
|
联系方式
|
使用协议
|
版权隐私
|
网站地图
|
排名推广
|
广告服务
|
积分换礼
|
网站留言
|
RSS订阅
|
违规举报
|
皖ICP备20008326号-18
(c)2008-2022 免费发布网 All Rights Reserved