








以精工筑防线,以防爆守安全
众匠联泰防爆木柄圆头锤,专为石油、化工、煤矿等易燃易爆高危场景定制,以“本质安全”为核心,将防爆性能与专业锤击需求深度融合,成为高危作业中杜绝火花隐患、保障操作安全的可靠工具。
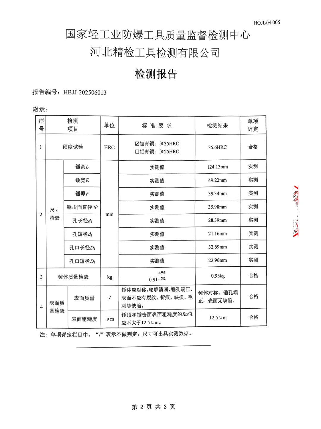
精选高纯度铍青铜合金铸造成型锤头,经多道锻造与时效处理,抗冲击韧性优异,更具备无火花、零磁特性——作业时与金属、石材等工件碰撞摩擦,绝不产生静电火花,从根源规避燃爆风险,每把均通过第三方权威防爆检测,可直接应用于IIC级爆炸性环境。
锤头圆头设计经精密打磨,弧面光滑规整,锤击时受力均匀,既能精准传递冲击力,又避免对工件造成局部损伤。
配套优质硬木手柄,经干燥定型与防腐处理,木质密度高、握感扎实;手柄与锤头采用楔形过盈配合,辅以加固销锁定,连接牢固不松动;表面做防滑纹理处理,即便戴手套或在油污环境下,也能稳固握持,避免打滑伤人,符合人体工学的手柄长度设计,兼顾锤击力与操作灵活性,减轻长时间作业疲劳。
从原材料成分检测、锤头锻造淬火,到木柄适配组装、成品防爆性能测试,每一把圆头锤均历经严苛工序把控,不合格产品直接剔除。众匠联泰以“专业守安全,精工筑信赖”,让这把防爆圆头锤,成为高危场景中作业者的“安全后盾”,守护每一次锤击都安全无虞。
锁定冠亚环宇商城。
#冠亚环宇商城 #众匠联泰 #工业级 #工具 #维修工具 #五金工具 #工业 #品牌 #品牌宣传 #品牌推广
众匠联泰防爆木柄圆头锤,专为石油、化工、煤矿等易燃易爆高危场景定制,以“本质安全”为核心,将防爆性能与专业锤击需求深度融合,成为高危作业中杜绝火花隐患、保障操作安全的可靠工具。
精选高纯度铍青铜合金铸造成型锤头,经多道锻造与时效处理,抗冲击韧性优异,更具备无火花、零磁特性——作业时与金属、石材等工件碰撞摩擦,绝不产生静电火花,从根源规避燃爆风险,每把均通过第三方权威防爆检测,可直接应用于IIC级爆炸性环境。
锤头圆头设计经精密打磨,弧面光滑规整,锤击时受力均匀,既能精准传递冲击力,又避免对工件造成局部损伤。
配套优质硬木手柄,经干燥定型与防腐处理,木质密度高、握感扎实;手柄与锤头采用楔形过盈配合,辅以加固销锁定,连接牢固不松动;表面做防滑纹理处理,即便戴手套或在油污环境下,也能稳固握持,避免打滑伤人,符合人体工学的手柄长度设计,兼顾锤击力与操作灵活性,减轻长时间作业疲劳。
从原材料成分检测、锤头锻造淬火,到木柄适配组装、成品防爆性能测试,每一把圆头锤均历经严苛工序把控,不合格产品直接剔除。众匠联泰以“专业守安全,精工筑信赖”,让这把防爆圆头锤,成为高危场景中作业者的“安全后盾”,守护每一次锤击都安全无虞。
锁定冠亚环宇商城。
#冠亚环宇商城 #众匠联泰 #工业级 #工具 #维修工具 #五金工具 #工业 #品牌 #品牌宣传 #品牌推广


