手机版
二维码
购物车
(
0
)
供应
求购
公司
团购
展会
资讯
招商
品牌
人才
知道
专题
图库
视频
下载
商圈
推广
热搜:
采购方式
滤芯
甲带
气动隔膜泵
减速机
减速机型号
带式称重给煤机
履带
无级变速机
链式给煤机
首页
供应
求购
公司
团购
展会
资讯
招商
品牌
人才
知道
专题
图库
视频
下载
商圈
首页
>
资讯
>
机械设备
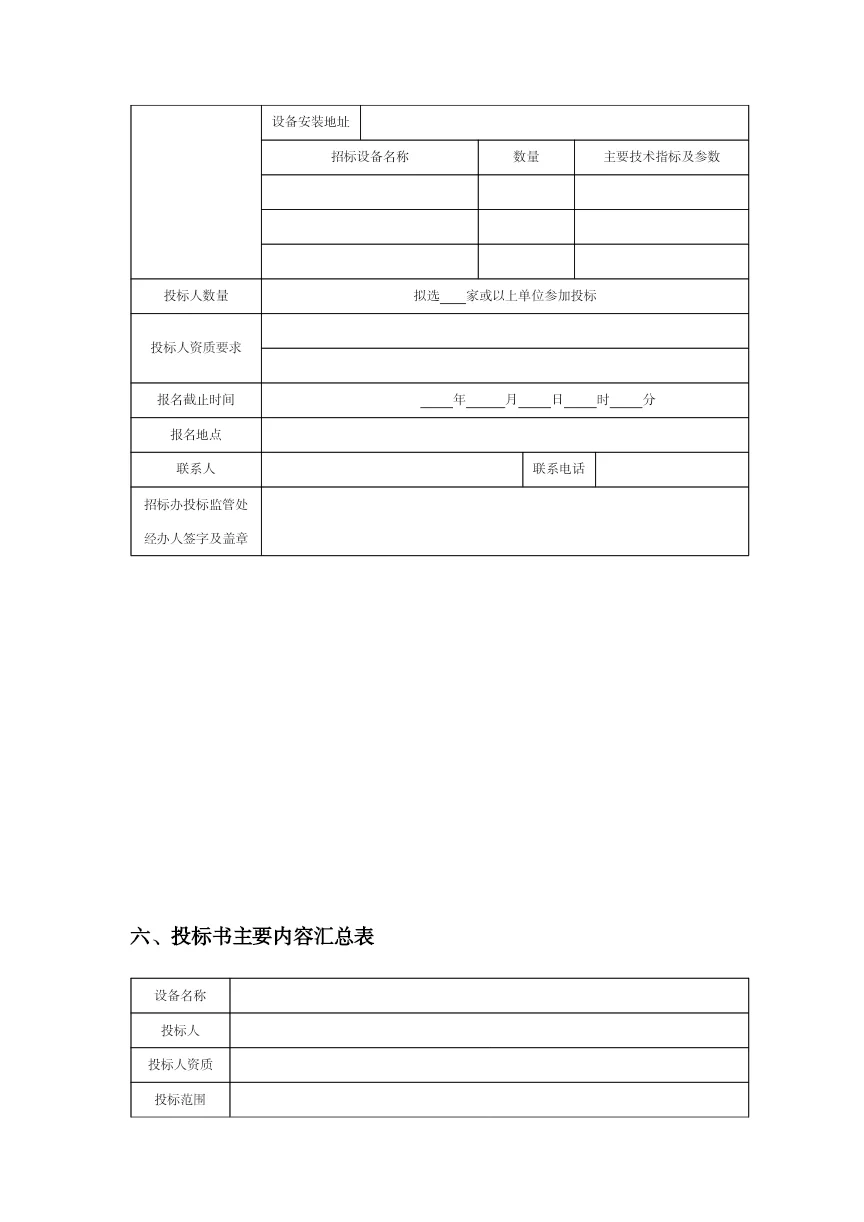
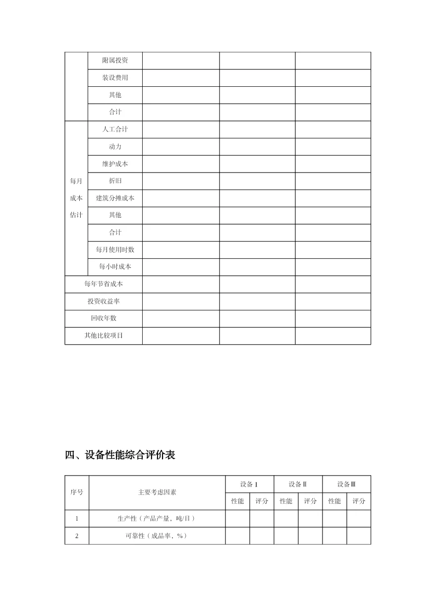
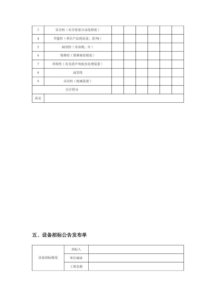
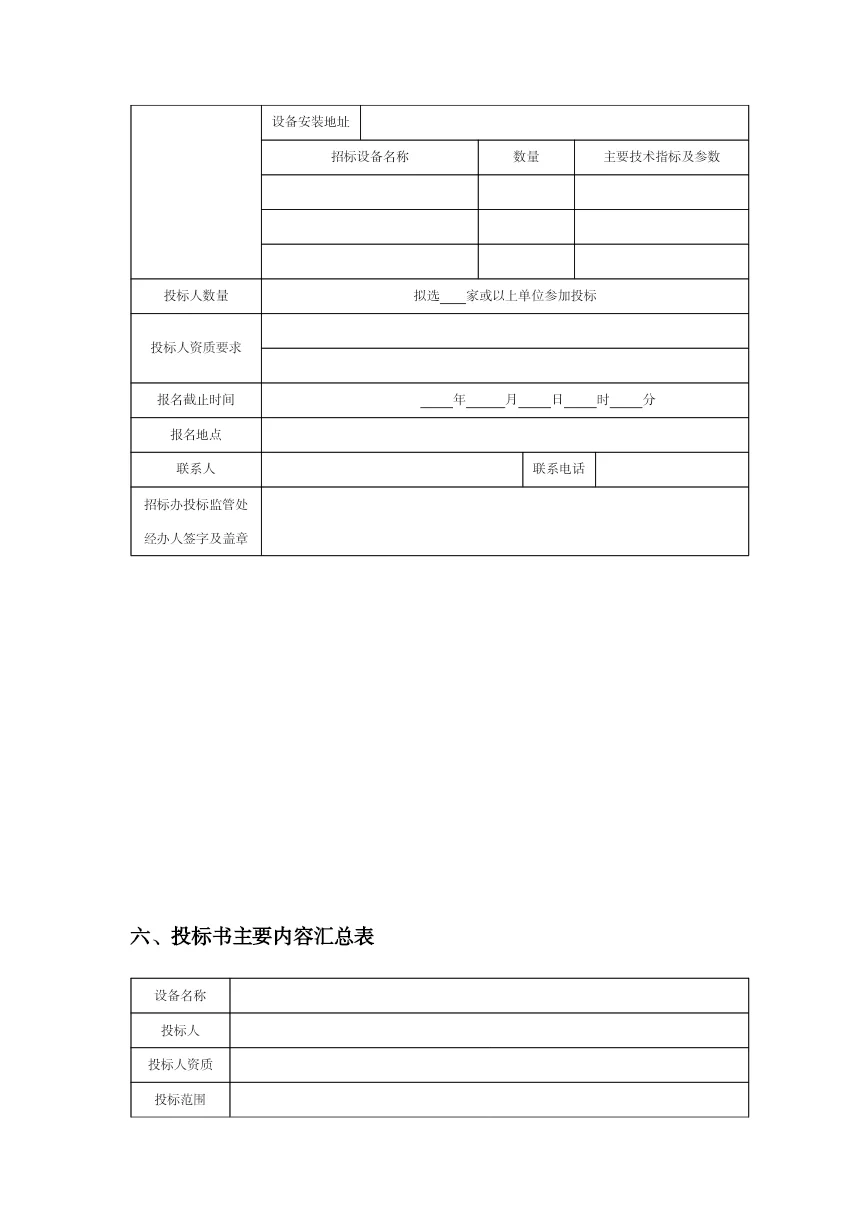
设备采购管理表格
日期:2025-10-24 17:26:24 来源:网络整理 作者:本站编辑 浏览:
0
评论:0
设备采购管理表格
#采购
#采购资料
#采购管理
#采购与供应链管理
#采购日常
#采购员
打赏
更多
>
同类资讯
• 流水线手快痛死了
• 在工厂打工的日常碎片?
• 00后创业|牛仔裤厂二代的工作日
• 重生之我在手机壳厂上班的一天
• 苏州电子厂8000+一个月,包吃包住
• 终于有一个不用穿无尘服的厂
• 电子厂是什么样的
• 【?揭秘流水线上的真实日常 | 工
• 电子厂流水线都干什么?难不难
• 勇闯流水线的第N天
0
条
相关评论
推荐图文
推荐资讯
点击排行
3
1
不用预热焊接耐磨板专用焊丝 JD825耐磨钢焊丝
3
2
进来谈谈?
1
3
商厨设备哪里买比较好老板们求告知
1
4
求自动化设备供应商
1
5
关于供应链运营
1
6
半导体设备厂加速扩产,为什么?
1
7
?做采购的姐妹吗?这里集合
1
8
专业机械制造
1
9
开公司!
网站首页
|
关于我们
|
联系方式
|
使用协议
|
版权隐私
|
网站地图
|
排名推广
|
广告服务
|
积分换礼
|
网站留言
|
RSS订阅
|
违规举报
|
皖ICP备20008326号-18
(c)2008-2022 免费发布网 All Rights Reserved