
1 范围
本标准确立了各级妇幼保健机构医用设备配备的总体要求和基本原则,并对设备分类、品目和数量进行了规定。妇幼保健机构可结合功能任务、群众需求和机构业务发展需要,增配相应设备。本标准适用于各级妇幼保健机构。
2 规范性引用文件
本标准无规范性引用文件。
3 术语和定义
下列术语和定义适用于本标准。
3.1妇幼保健机构 women and children healthcare institutions
由政府举办,不以营利为目的,具有公共卫生性质的公益性事业单位,为妇女儿童提供基本医疗和公共卫生服务的专业机构。
妇幼保健机构包括各级妇幼保健院、妇幼保健计划生育服务中心、妇幼保健中心、妇幼保健所和妇幼保健站。
妇幼保健机构遵循“以保健为中心,以保障生殖健康为目的,保健与临床相结合,面向群体、面向基层和预防为主”的妇幼卫生工作方针,按照全生命周期和三级预防的理念,以一级和二级预防为重点,为妇女儿童提供从出生到老年、内容涵盖生理和心理的主动、连续的服务与管理。按照《国家卫生计生委关于妇幼保健机构标准化建设与规范化管理的指导意见》(国卫妇印发〔2015〕54 号)要求,妇幼保健机构围绕服务人群开展孕产保健、儿童保健、妇女保健等医疗保健服务。
3.2医用设备 medical equipment
本标准中的医用设备是指具有以下特征的有形设备:妇幼保健机构围绕妇女、儿童、孕产妇的健康服务需求,开展疾病诊断、治疗以及用于群体保健和个体保健且单位价值在1000 元以上,使用期限在1 年以上的有形设备,是用于促进健康、筛查疾病、防止残疾和死亡需要的所有设备的统称。
4 总则
4.1 总体要求各级妇幼保健机构在设备配备的过程中,应依据《母婴保健法》、《母婴保健法实施办法》和《医疗机构管理条例》等法律法规,遵循“以保健为中心,以保障生殖健康为目的,保健与临床相结合,面向群体、面向基层和预防为主”的妇幼卫生工作方针,按照科学规划、合理配备、经济适宜的原则,科学、合理、经济、有效地配备各类医用设备。
4.2 基本原则
4.2.1 设备配备与妇女儿童健康需求相适应原则。各级妇幼保健机构应根据当地服务人口和妇女儿童健康需求,科学编制业务发展规划和设备配备规划。
4.2.2 设备配备与规模和服务量相适应原则。各级妇幼保健机构应在明确功能定位的基础上,按照妇幼保健机构四大保健部设置,科学合理地配备与自身规模和服务量相适应的设备品目及数量。
4.2.3 设备配备与医疗保健业务发展相适应原则。妇幼保健机构医用设备配备要考虑机构的业务发展、专科建设、科室建设、人才培养等发展需要,要对妇幼保健机构的服务方向具有支撑作用。
4.2.4 设备配备适度,集中管理使用原则。妇幼保健机构除临床科室配备必备专科检查治疗设备外,其他设备原则上均应统一管理使用,提高设备使用率,避免资源浪费。
5 设备分类及品目
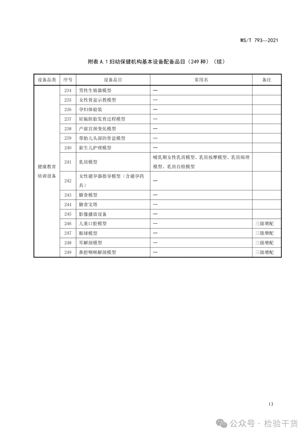
5.1 设备分类按照妇幼保健机构功能定位和服务需求,分为孕产保健设备、妇女保健设备、儿童保健设备、医用基础设备、急诊急救设备、功能检查设备、影像检查设备、生物理化检验设备、病理检查设备、手术室麻醉室设备、中心供应室设备、健康教育培训设备、遗传实验室、生殖医学实验室和信息化设备等15类。
其中遗传实验室、生殖医学实验室和信息化设备等 3 类参照相关标准,其他12 类设备品目共计249种。
5.2 妇幼保健机构设备配备品目二级妇幼保健机构基本设备品目 193 种,三级妇幼保健机构在二级妇幼保健机构基本设备品目基础上增配 56 种,具体品目按照附录 A 的规定。有条件的二级妇幼保健机构可参照三级妇幼保健机构标准选配。
5.3 其他要求作为危重孕产妇和危重新生儿救治中心的妇幼保健机构急救设备配备按照《国家卫生计生委办公厅关于印发危重孕产妇和新生儿救治中心建设与管理指南的通知》(国卫办妇幼发〔2017〕40 号)有关标准和规范执行。
取得相应资质的妇幼保健机构遗传实验室设备配备按照《国家卫生健康委关于印发开展产前筛查技术医疗机构基本标准和开展产前诊断技术医疗机构基本标准的通知》(国卫妇幼函〔2019〕297号)有关标准和规范执行。
取得相应资质的妇幼保健机构生殖医学实验室设备配备按照《卫生部关于修订人类辅助生殖技术与人类精子库相关技术规范、基本标准和伦理原则的通知》(卫科教发〔2003〕176 号)有关标准和规范执行。
妇幼保健机构信息化设备配备按照《关于印发全国医院信息化建设标准与规范(试行)的通知》(国卫办规划发〔2018〕4 号)有关标准和规范执行。
6 设备配备数量
6.1 超声多普勒胎儿监护设备二级妇幼保健机构配备台数≥5 台,三级妇幼保健机构配备台数≥15 台。在此基础上,根据床位数,每增加 10 张~20 张床位增配 1 台。
6.2 婴儿培养箱根据 NICU 床位数确定,设备台数≥NICU 床位数的 60%。
6.3 超声影像诊断设备二级妇幼保健机构配备台数≥3 台,三级妇幼保健机构配备台数≥5 台。在此基础上,根据年门急诊人次,每 5 万~7 万门急诊人次增配 1 台。
6.4 治疗呼吸机(生命支持)、高频呼吸机根据 NICU 床位数确定,设备台数≥NICU 床位数的 67%,其中高频振荡占比≥30%。
6.5 血气分析仪器二级妇幼保健机构配备台数≥2 台,三级妇幼保健机构配备台数≥4 台。在此基础上,根据年门急诊人次,每 30 万门急诊人次增配 1 台。
6.6 宫腔镜二级妇幼保健机构配备台数≥1 台,三级妇幼保健机构配备台数≥2 台。在此基础上,根据年门急诊人次,每 35 万~40 万门急诊人次增配 1 台。
6.7 腹腔镜二级妇幼保健机构配备台数≥1 台,三级妇幼保健机构配备台数≥3 台。在此基础上,根据年出院手术病人数,每 2000 名手术出院病人增配 1 台。
6.8 正压呼吸治疗仪根据 NICU 床位数确定,设备台数≥NICU 床位数的 50%。
6.9 乳腺 X 射线机二级妇幼保健机构根据区域内该设备数量情况酌情配备,三级妇幼保健机构配备台数≥1台。
6.10 其他设备其他设备应根据妇幼保健机构规模和服务需求合理配置。
7 创新设备配备
各级妇幼保健机构可结合功能任务、群众需求和业务发展需要,酌情配备手术机器人、胎儿镜、可穿戴设备、临床决策支持系统等创新设备。












