《请点击链接阅读全文》
过程控制装置从最初的自立式、基地式仪表到单元组合式仪表,以及20世纪80年代以后发展的智能化数字仪表、集散控制系统和现场总线。
过程控制仪表及控制系统的发展经历了四个阶段:
1. 50年代以气动单元组合仪表为主
2. 60年代,电子元件晶体管的产生,使得电动单元组合仪表(DDZⅡ)得以开发和应用
3. 70年代,采用线性集成电路和小规模数字电路,发展了安全火花防爆型单元组合仪表(DDZⅢ ) 、组装仪表和巡回检测仪表
4. 80年代,采用微处理机和集成电路,将微机技术应用在仪表控制系统中,出现集中管理分散控制式的控制系统装置以及数字化单元组合仪表

仪表部分
1.温度变送器(热电偶、热电阻、膨胀式、压力式、辐射式等)
2. 压力/差压变送器(液柱式、弹性式、电气式、活塞式等)
3.液位变送器(直读式、差压式、浮子式、核辐射、超声波等)
4.流量变送器(速度式、容积式、质量式等)










分析仪表是用来测量物质(包括混合物和化合物)的成分、含量以及某些物理特性的一类仪器的总称。
化肥二部的分析仪表有:氨氮浓度分析仪 、色谱分析仪 、水份分析仪 、氧含量分析仪、密度计、PH计、 SiO2分析仪、红外分析仪等。




执行器


调节阀
调节阀 = 执行机构 + 阀体部件
阀体部件是调节阀的调节部分,它直接与介质接触,由阀芯的动作,改变调节罚截流面积,从而达到调节的目的。





调节阀的理想流量特性是指:在调节阀前后压差保持不变时,流过阀门的介质的相对流量和阀门的相对开度之间(相对位移)的关系。
1.直线特性
2.等百分比特性
3.快开特性
4.抛物线特性

Distributed Control System 集散控制系统
2.PLC
Programmable Logic Controller 可编程逻辑控制器
3.SIS
Safety Instrumented System 安全仪表系统
4.ITCC
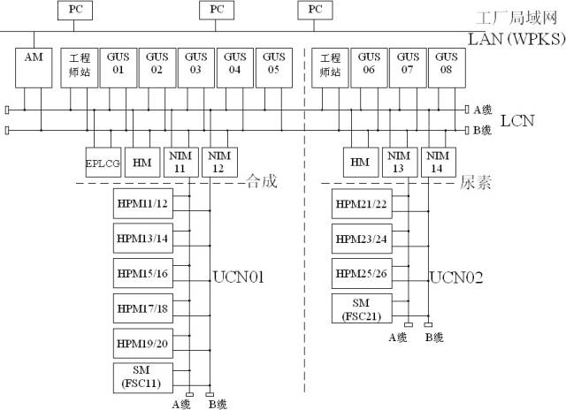
DCS—集散控制系统,ISO的定义为:为满足大型工业生产和日益复杂的过程控制要求,按照控制分散、管理集中的原则构思,微处理器、通信技术、人机接口技术、I/O接口技术相结合用于数据采集、过程控制和生产管理的综合控制系统。



2.网络接口模件NIM Network Interface Module
3.历史模件HM History Module
4.全局用户操作站GUS Global User Station
5.增强型PLC接口模件EPLCG Enhanced Programming Logic Controller Gateway
6.安全管理器SM Safety Manager


















