一些技术要求不可能都在图面上反映出来,也不可能在图面上一一标注清楚,因为这些技术要求在有关国家标准和技术规程、规范中已做了明确的规定。因而在读电气图时,还必须了解这些相关标准、规程、规范,这样才算真正识图。

多了解、熟悉、理解电气图中涉及的有关基本概念。例如,在看电动机控制电路图时,必须首先熟悉电气联锁、自锁等概念;然后分析关键点的电位,各点电位如何变化,如何互相关联,如何形成回路、通路;哪些构成直流回路,哪些形成信号通道,哪些属于控制回路等。
读电气图的基本要求是什么?
读电气图最基本的要求是看懂电气图,能够找出图中标示的电气工程项目的安装位置,能够根据电气设备的工作状态或故障现象,分析电气设备的性能或故障原因,提出维护及维修方案,以便及时排除故障或可能存在的隐患,保证电气设备处于良好的工作状态。初学者首先学会看日常工作中所涉及的相对简单的电气图,如安装图、原理图等;再逐渐积累经验,看比较复杂的电气工程图。
看电气图应具备哪些基础知识?
读电气图的主要目的是指导施工、维修和设备管理,涉及的知识面很广。对初学者来说,掌握电气图的基础知识主要包括以下三方面。
01熟悉电气图的有关规定
读电气图,需要了解有关电气工程的各种标准和规范,特别是导线的表示法、电气图形符号、电气文字符号、线路及照明灯具的标注方法等应重点了解。
02熟悉电气图的有关规定
各种电气图都有一些独特的绘制和表示方法,只有了解各种电气的特点,才可能明白电气图所表达的含义。也只有了解电气图的特点,才能有针对性地读图,达到事半功倍的效果。
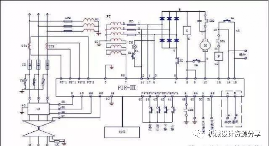
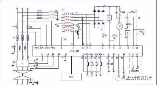
例如,在电路原理图中,各电器触点位置都按电路未通电未受外力作用时的常态位置画出,分析原理时,应从触点的常态位置出发。
在电路原理图中,各电气元件不画实际的外形图,而采用国家规定的统一国标符号画出。
在电路原理图中,各电气元件不按它们的实际位置画在一起,而是按其线路中所起作用分画在不同电路中,但它们的动作却是相互关联的,必须标以相同的文字符号。
在电路原理图中,对有直接电联系的交叉导线连接点,用小黑点表示,无直接电联系的交叉导线连接点则不画小黑圆点。
又如,电气照明施工平面图是在建筑平面图的基础上绘制而成,主要内容包括以下几方面。
1、电源进户线的位置、导线规格、型号、根数、引入方法(架空引入时注明架空高度,从地下敷设引入时注明穿管材料、名词、管径等)。
2、配电箱的位置(包括主配电箱、分配电箱等)。
3、各用电器材、设备的平面位置、安装高度、安装方法、用电功率。
4、线路的敷设方法,穿线器材的名词、管径,导线名词、规格、根数。
5、从各配电箱引出回路的编号。
6、屋顶防雷平面图及室外接地平面图,还反映避雷带布置平面,选用材料、名称、规格、防雷引下线敷设,接地极材料、规格、安装要求等。
再如,配电系统图用来表示整个照明供电线路的全貌和连接关系,主要内容包括:建筑物的供电方式和容量分配;供电线路的布置形式,进户线和各干线、支线、配线的数量、规格和敷设方法:配电箱及电度表、开关、熔断器等数量、型号等。
03熟悉电气元件的结构和原理
每一个电路都是由各种电气元件构成的,例如,在供电电路中,常用到高压隔离开关、断路器、熔断器、互感器、避雷器等;在低压电路中,常用到各种继电器、接触器和控制开关等。因此,在看电路图时,首先要搞清这些电气元件的性能、相互控制关系及在整个电路中的地位和作用,才能看懂电流在整个回路中的流动过程和工作原理,否则电路图是无法看懂的。
例如,接触器的触点包括主触点和辅助触点,主触点的作用是接通和分断主回路,控制较大的电流;辅助触点在控制回路中起电气联锁作用,一般动合、动断各两对,以满足各种控制方式的要求。在识读继电——接触器控制系统原理图时,必须知道继电器、接触器的线圈通电后其触点状态会发生改变(至于如何改变要根据电路原理去分析),从而去控制其他回路的原理。不懂得这些原理,就无法读懂电气图。
同时,掌握主要元件的位置、作用、特性、主要技术指标及其功能作用,可以帮助我们理解电路图的指导思想。对电路图、方框示意图、元件分布图上的元件,要做到对号入座。有必要时,可将实际电路板和几种图互相结合来进行分析。
免责声明:本文系网络转载或改编,未找到原创作者,版权归原作者所有。如涉及版权,请联系删


