手机版
二维码
购物车
(
0
)
供应
求购
公司
团购
展会
资讯
招商
品牌
人才
知道
专题
图库
视频
下载
商圈
推广
热搜:
采购方式
滤芯
甲带
气动隔膜泵
减速机
减速机型号
带式称重给煤机
履带
无级变速机
链式给煤机
首页
供应
求购
公司
团购
展会
资讯
招商
品牌
人才
知道
专题
图库
视频
下载
商圈
首页
>
资讯
>
机械设备
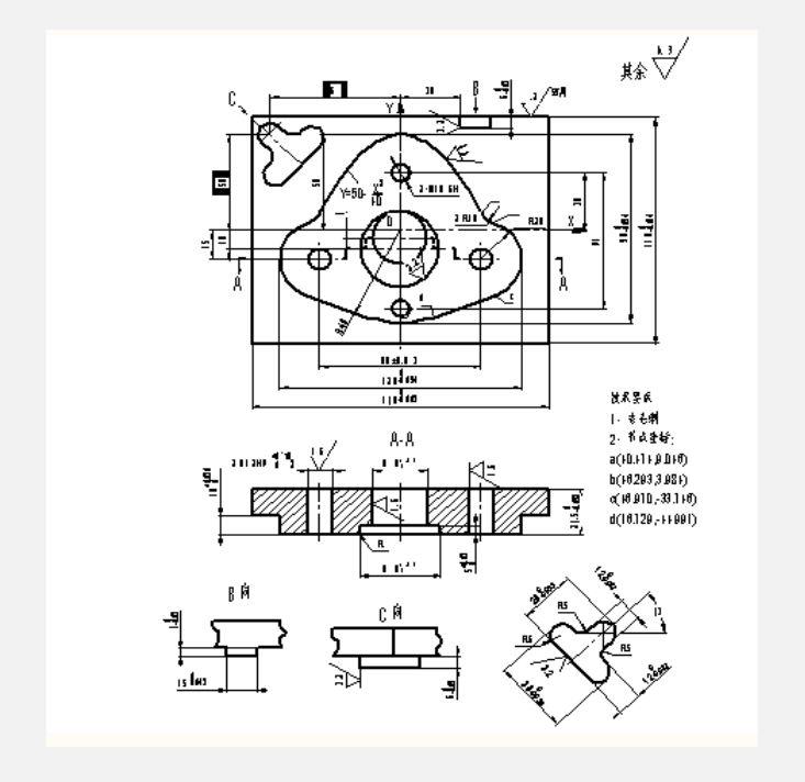
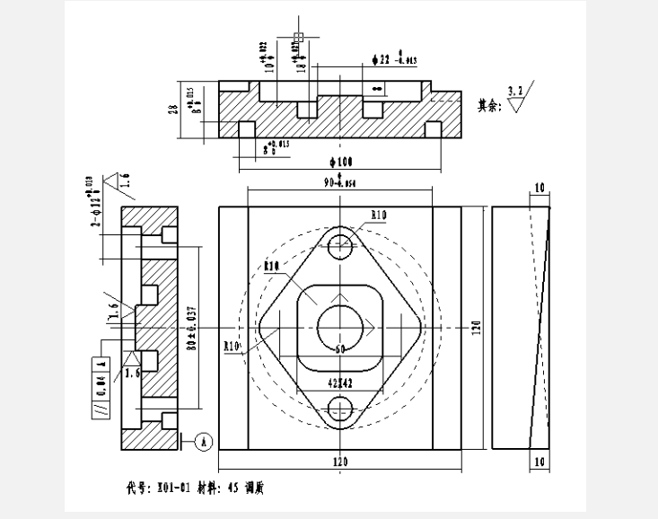
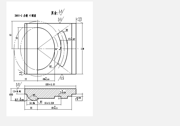
数控车铣加工案例
日期:2023-09-08 18:24:22 来源:网络整理 作者:本站编辑
评论:0
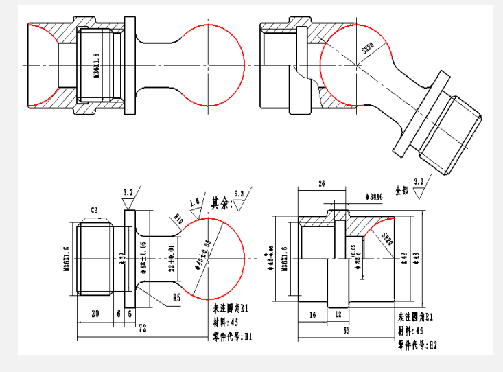
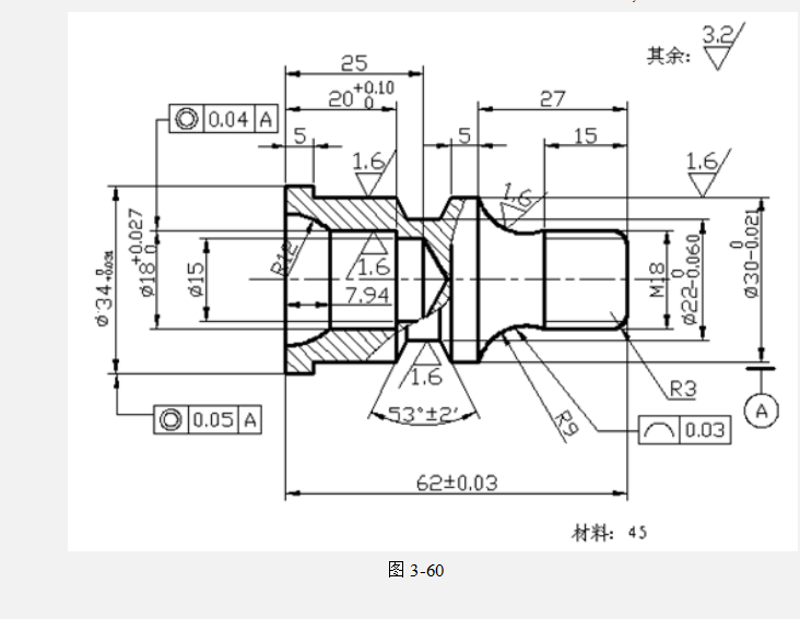
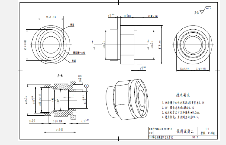
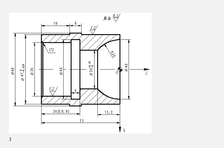
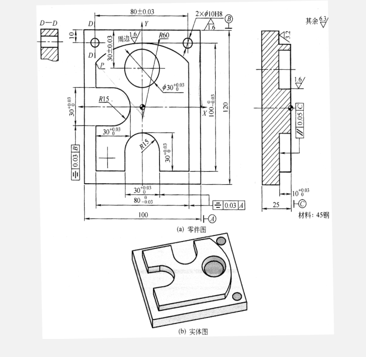
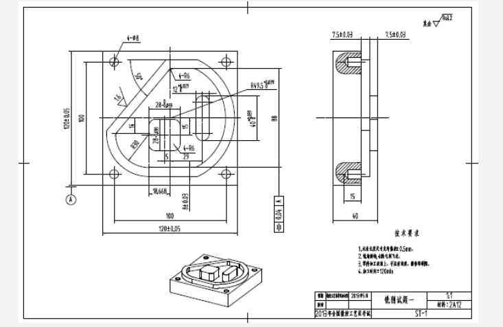
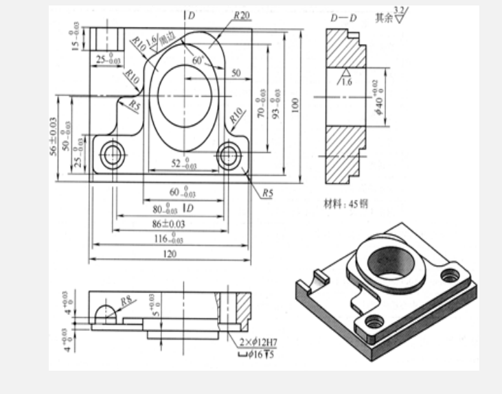
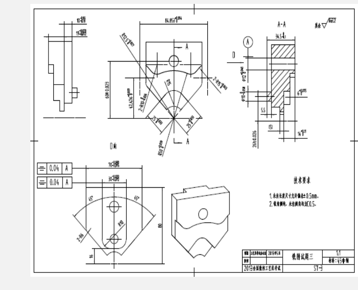
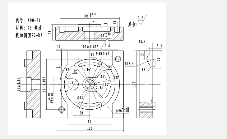
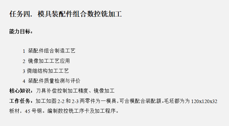
需要数控车铣加工案例学习的朋友,领取途径:小编微:UG2899 或者进qq群:945270827自行下载(注:进群不回信息10钟清理出群,主要是现在打广告的太多了,妨碍大家学习交流)
打赏
更多
>
同类资讯
• 电子元器件采购们,我来求v啦
0
条
相关评论
推荐图文
推荐资讯
点击排行
18
1
求自动化设备供应商
14
2
烟台机械类小公司招人咋那么难
12
3
半导体设备零部件供应商系列:石英部件
10
4
是做齿轮链轮⚙️的厂子嘛~
9
5
没有进项票的二手工程机械如何合规出口?
8
6
喷涂工艺
7
7
不用预热焊接耐磨板专用焊丝 JD825耐磨钢焊丝
7
8
电镀生产线,这里也太酷了吧!?
6
9
实验室教学设备采购必入清单!
网站首页
|
关于我们
|
联系方式
|
使用协议
|
版权隐私
|
网站地图
|
排名推广
|
广告服务
|
积分换礼
|
网站留言
|
RSS订阅
|
违规举报
|
皖ICP备20008326号-18
(c)2008-2022 免费发布网 All Rights Reserved