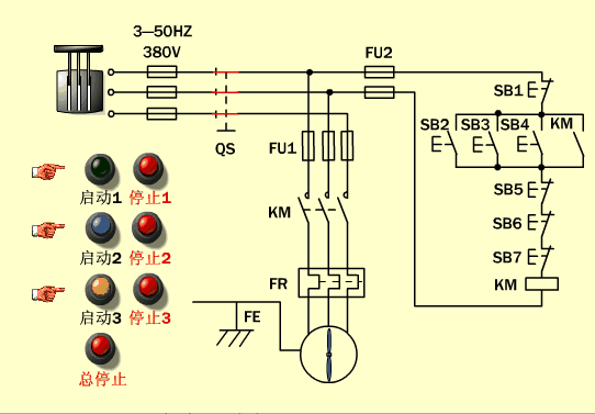
24个电工原理动图,作为资深老电工的你们熟悉几个?速收藏!























24、平衡式电机工作原理图

点击关注下方公众号
回复【见面礼】领取价值499元88讲电力学习课!
免责声明:本文所用的视频、图片、文字如涉及作品版权问题,请第一时间告知,我们将立即删除,无任何商业用途!


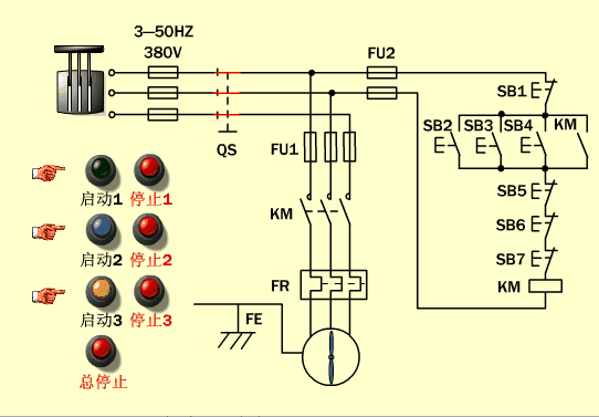
24个电工原理动图,作为资深老电工的你们熟悉几个?速收藏!























24、平衡式电机工作原理图

点击关注下方公众号
回复【见面礼】领取价值499元88讲电力学习课!
免责声明:本文所用的视频、图片、文字如涉及作品版权问题,请第一时间告知,我们将立即删除,无任何商业用途!


