
芯片烧录行业领导者-昂科技术近日发布最新的烧录软件更新及新增支持的芯片型号列表,其中TI德州仪器的32位微控制器TMS320F28030已经被昂科的通用烧录平台AP8000所支持。

C2000™32位微控制器针对处理、感应和驱动进行了优化,可提高实时控制应用(如工业电机驱动器、光伏逆变器和数字电源、电动汽车和运输、电机控制以及感应和信号处理)的闭环性能,C2000系列包括高级性能MCU和入门级性能MCU。
TMS320F28030微控制器将C28x内核和控制律加速器(CLA)的性能与高度集成的控制外设整合到低引脚数的器件中。该系列器件的代码与基于C28x的旧版代码兼容,同时具有较高的模拟集成度。
一个内部稳压器实现了单电源轨运行,HRPWM模块经过强化,可实现双边沿控制(调频)。增设了具有10位内部基准的模拟比较器,可直接进行路由以控制PWM输出。ADC可在0V至3.3V的固定满量程范围内实施转换,支持VREFHI/VREFLO基准的比例运算。ADC接口已针对低开销和延迟进行了优化。
昂科的AP8000专门针对C2000系列的烧录要求进行了特别设计,在烧录稳定性和芯片ESD保护方面进行了增强,是C2000系列DSP的最佳量产化烧录设备,昂科也是TI官方推荐的第三方烧录合作伙伴。

主要特征
• 高效32位CPU(TMS320C28x)
– 60MHz(16.67ns周期时间)
– 16 × 16和32 × 32 MAC操作
– 16 × 16双MAC
– 哈佛(Harvard)总线架构
– 连动运算
– 快速中断响应和处理
– 统一存储器编程模型
– 高效代码(使用C/C++和汇编语言)
• 可编程控制律加速器(CLA)
– 32位浮点数学加速器
– 独立于主CPU之外的代码执行
• 字节序:小端字节序
• 支持JTAG 边界扫描
– IEEE标准1149.1-1990标准测试访问端口和边界扫描架构
• 器件和系统均可实现低成本:
– 3.3V单电源
– 无电源时序要求
– 集成型加电复位和欠压复位
– 低功耗
– 无模拟支持引脚
• 时钟:
– 两个内部零引脚振荡器
– 片上晶振振荡器和外部时钟输入
– 看门狗计时器模块
– 丢失时钟检测电路
• 多达45个具有输入滤波功能且可单独编程的多路复用GPIO引脚
• 可支持所有外设中断的外设中断扩展(PIE)模块
• 三个32位CPU计时器
• 每个增强型脉宽调制器(ePWM)中均有一个独立的16位计时器
• 片上存储器
– 闪存,SARAM,OTP,引导ROM可用
• 代码安全模块
• 128位安全密钥和锁
– 保护安全内存块
– 防止固件逆向工程
• 串行端口外设
– 一个串行通信接口(SCI)通用异步接收器/发送器(UART)模块
– 两个串行外设接口(SPI)模块
– 一个内部集成电路(I2C)模块
– 一个本地互连网络(LIN)模块
– 一个增强型控制器局域网(eCAN)模块
• 增强型控制外设
– ePWM
– 高分辨率PWM(HRPWM)
– 增强型捕捉(eCAP)模块
– 高分辨率输入捕捉(HRCAP)模块
– 增强型正交编码器脉冲(eQEP)模块
– 模数转换器(ADC)
– 片上温度传感器
– 比较器
• 高级仿真特性
– 分析和断点功能
– 通过硬件进行实时调试
• 封装选项
– 56引脚RSH Very Thin Quad Flatpack(无引线)(VQFN)
– 64引脚PAG Thin Quad Flatpack(TQFP)封装
– 80引脚PN Low-Profile Quad Flatpack(LQFP)封装
• 温度选项
– T:–40°C至105°C
– S:–40°C至125°C
– Q:–40°C至125°C的环境温度范围(通过针对汽车应用的AEC Q100认证)
应用
• 空调室外机
• 电梯门自动启闭装置驱动控制
• 直流/直流转换器
• 逆变器和电机控制
• 车载充电器(OBC)和无线充电器
• 自动分拣设备
• 纺织机
• 焊接机
• 交流充电(桩)站
• 直流充电(桩)站
• 电动汽车充电站电源模块
• 车辆无线充电模块
• 能量存储电源转换系统(PCS)
• 微型逆变器
• 太阳能电源优化器
• 串式逆变器
• 交流驱动器控制模块
• 线性电机分段控制器
• 伺服驱动器功率级模块
• 交流输入BLDC电机驱动器
• 直流输入BLDC电机驱动器
• 工业交流-直流
• 三相UPS
• 商用网络和服务器PSU
• 商用通信电源整流器

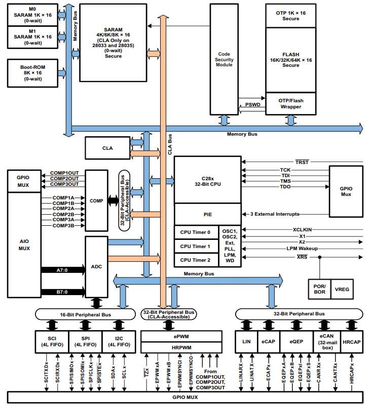
功能框图
昂科技术自主研发的AP8000万用型烧录器包含主机,底板,适配座三大部分。

主机支持USB和NET连接,允许将多台编程器进行组网,达到同时控制多台编程器同时烧录的目的。内置芯片安全保障电路保证即使芯片放反或其他原因造成的短路可以被立即检测到并进行断电处理,以保障芯片和编程器安全。内嵌高速FPGA,极大地加速数据传输和处理。主机背部有SD卡槽,将PC软件制作得到的工程文件放到SD卡的根目录下并插入到该卡槽内,通过编程器上的按键可进行工程文件的选择,加载,执行烧录等命令,以达到脱离PC便可操作的目的,极大的降低了PC硬件配置成本,方便迅速地搭配工作环境。
AP8000通过底板加适配板的方式,让主机扩展性更强,目前已经支持了所有主流半导体厂家生产的器件,包括TI, ST, MicroChip, Atmel, Hynix, Macronix, Micron, Samsung, Toshiba等。支持的器件类型有NAND, NOR, MCU, CPLD, FPGA, EMMC等,支持包括Intel Hex, Motorola S, Binary, POF等文件格式。
公司介绍
关于德州仪器:德州仪器(Texas Instruments,简称:TI)是世界上较大的模拟电路技术部件制造商,全球知名的半导体跨国公司,以开发、制造、销售半导体和计算机技术闻名于世,主要从事创新型数字信号处理与模拟电路方面的研究、制造和销售。除半导体业务外,还提供包括传感与控制、教育产品和数字光源处理解决方案。德州仪器是世界第一大数字信号处理器(DSP)和模拟电路元件制造商,其模拟和数字信号处理技术在全球具有统治地位。
关于昂科技术:昂科技术(ACROVIEW)是全球领先的半导体芯片烧录解决方案提供商,公司坚持以科技改变世界、用智能驱动未来,持续不断的为客户创造价值。昂科的AP8000通用烧录器平台及最新的IPS5000烧录自动化解决方案,为半导体和电子制造领域客户提供一站式解决方案,公司已服务包括华为、比亚迪、富士康等全球领先客户。
扫码关注我们

昂科技术服务号

昂科技术订阅号


