

,
。


、
和
各不相同,则三相电压就不平衡,保护性中性线电压
当然也不等于零。

。
----------------式1
。
。
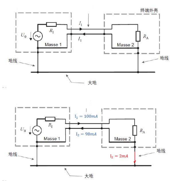
用电设备的外壳发生碰壳故障后,地网电流如此之小,与保护性中性线电流相比,几乎可以忽略不计,那么用电设备的外壳带电将长期存在。如此一来,必然会出现人身伤害事故。 那么,在实际接线中,我们是如何来保护人身安全的?





,
。


、
和
各不相同,则三相电压就不平衡,保护性中性线电压
当然也不等于零。

。
----------------式1
。
。
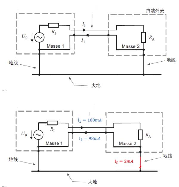
用电设备的外壳发生碰壳故障后,地网电流如此之小,与保护性中性线电流相比,几乎可以忽略不计,那么用电设备的外壳带电将长期存在。如此一来,必然会出现人身伤害事故。 那么,在实际接线中,我们是如何来保护人身安全的?


