高压电气二次回路原理图详解
直流母线电压监视装置主要是反映直流电源电压的高低。KV1 是低电压监视继电器,正常电压 KV1 励磁,其常闭触点断开,当电压降低到整定值时, KV1 失磁,其常闭触点闭合,
HP1 光字牌亮,发出音响信号。KV2 是过电压继电器,正常电压时 KV2 失磁,其常开触点在断开位置,当电压过高超过整定值时 KV2 励磁,其常开触点闭合, HP2 光字牌亮,发出音响信号。

图 1 直流母线电压监视装置原理图
2、直流绝缘监视装置接线图
图 2 是常用的绝缘监察装置接线图,正常时,电压表 1PV 开路,而使 ST1 的触点 5-7、9-11(ST1 的 1-3、2-4 断开)与 ST2 的触点 9-11 接通,投入接地继电器 KA。当正极或负极绝缘下降到一定值时,电桥不平衡使 KA 动作,经 KM 而发出信号(若正、负极对地的绝缘电阻相等时,不管绝缘下降多少,KA 不可能动作,就不能发出信号,这是其缺点)。此时,可用 2PV 进行检查,确定是哪一极的绝缘下降(测“+”对地时,ST2 的 2-1、6-5 接通;测“-” 对地时,ST2 的 1-4、5-8 接通。正常时,母线电压表转换开关 ST2 的 2-1、5-8、9-11 接通, 电压表 2PV 可测正、负母线间电压,指示为 220V。), 若正极对地绝缘下降,则投 ST1 I 档,其触点 1-3、13-14 接通,调节 R3 至电桥平衡电压表 1PV 指示为零伏;再将 ST1 投至II 档, 此时其触点 2-4、14-15 接通,即可从 1PV 上读出直流系统的对地总绝缘电阻值。若为负极对地绝缘下降,则先将 ST1 放在 II 档,调节 3R 至电桥平衡,再将 ST1 投至I 档,读出直流系统的对地总绝缘电阻值。假如正极发生接地,则正极对地电压等于零。而负极对地指示为 220V, 反之当负极发生接地时,情况与之相反。电压表 1PV 用作测量直流系统的总绝缘电阻,盘面上画有电阻刻度。
由于在这种绝缘监察装置中有一个人工接地点,为防其它继电器误动,要求电流继电器
KA 有足够大的电阻值,一般选 30kΩ,而其启动电流为 1.4mA,当任一极绝缘电阻下降到 20
kΩ时,即能发出信号。对地绝缘下降和发生接地是两种情况。

图 2 直流绝缘监视装置接线图
3、直流绝缘监测电路图

直流系统在变电站中具有重要的位置。要保证一个变电站长期安全运行,其因素是多方面的,其中直流系统的绝缘问题是不容忽视的。变电站的直流系统比较复杂,通过电缆沟与室外配电装置的端子排、端子箱、操作机构箱等相连接,因电缆破损、绝缘老化、受潮等原因发生接地的可能性较多,发生一极接地时,由于没有短路电流,熔断器不会熔断,仍可继续运行,但也必须及时发现、及时消除。通常,要求直流系统的各种小母线、端子回路、二次电缆对地的绝缘电阻值,用 500V 摇表测量其值不得小于 0.5MΩ。直流回路绝缘的好坏必须经常地进行监视。否则,会给运行带来许多不安全因素。
现以图 3 为例说明直流接地的危害。当图中 A 点与 C 点同时有接地出现时,等于+WC、
-WC 通过大地形成短路回路,可能会使熔断器 FU1 和 FU2 熔断而失去保护电源;当 B 点与 C 点同时有接地出现时,等于将跳闸线圈短路,即使保护正常动作,YT 跳闸线圈短路,即使
保护正常动作,YT 跳闸线圈也不会起动,断路器就不会跳闸,因此在有故障的情况下就要越级跳闸;当 A 点与B 点或 A 点与D 点,同时接地时,就会使保护误动作而造成断路器跳闸。直流接地的危害不仅仅是以上所谈的几点,还有许多,在此不一一作介绍了。
因为发生直流接地将产生许多害处,所以对直流系统专门设计一套监视其绝缘状况的装置,让它及时地将直流系统的故障提示给值班人员,以便迅速检查处理。

图 3 直流接地示意图
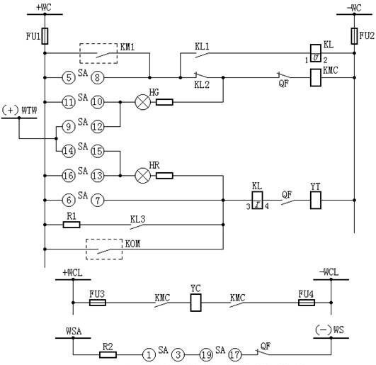
4、带有灯光监视的断路器控制回路(电磁操动机构)

图 4 中:+WC、-WC 为控制母线;FU1、FU2 为熔断器,R1-10/6 型,250V;SA 为控制开关,LW2-1a.4.6a.40.20.20/F8 型;HG 为绿色信号灯具,XD2 型,附 2500Ω电阻;HR 为红色信号灯具,XD2 型,附 2500Ω电阻;KL 为中间继电器,DZB-115/220V 型;KMC 为接触器;
KOM 为保护出口继电器;QF 为断路器辅助开关;WCL 为合闸小母线;WSA 为事故跳闸小母线;
WS 为信号小母线;YT 为断路器跳闸线圈;YC 为断路器合闸线圈;FU1、FU2 为熔断器, RM10-60/25 250V;R1 为附加电阻,ZG11-25 型,1Ω;R2 为附加电阻,ZG11-25 型,1000
Ω;(+)WTW 为闪光小母线。
“跳闸后”位置
当 SA 的手柄在“跳闸后”位置,断路器在跳闸位置时,其常闭触点闭合,+WC 经 FU1
→ SA11-10 → HG 及附加电阻 → QF(常闭)→KM 线圈 → FU2 → -WC。此时,绿色信号灯回路接通,绿灯亮,它表示断路器正处于跳闸后位置,同时表示电源、熔断器、辅助触点
及合闸回路完好,可以进行合闸操作。但 KMC 不会动作,因电压主要降在 HG 及附加电阻上。
“预备合闸”位置
当 SA 的手柄顺时针方向旋转 90º至“预备合闸”位置,SA9-10 接通,绿灯 HG 回路由(+) WTW → SA9-10 → HG → QF(常闭)→ KMC → FU2 → -WC 导通,绿灯闪光,发出预备合闸信号,但 KMC 仍不会启动,因回路中串有 HG 和R。
“合闸”位置
当 SA 的手柄再顺时针方向旋转 45º至“合闸”位置时,SA5-8 触点接通,接触器 KMC 回路由
+WC → SA5-8 → KL2(常闭)→ QF(常闭)→KMC 线圈→ -WC 导通而启动,闭合其在合闸线圈回路中的触点,使断路器合闸。断路器合闸后,QF 常闭触点打开、常开触点闭合。
“合闸后”位置
松手后,SA 的手柄自动反时针方向转动 45º,复归至垂直(即“合闸后”)位置,SA16-13 触点接通。此时,红灯 HR 回路由FU1 → SA16-13 → HR → KL 线圈 → QF(常开) → YT 线圈 → FU2 → -WC 导通,红灯亮,指示断路器处于合闸位置,同时表示跳闸回路完好, 可以进行跳闸。
“预备跳闸”位置
SA 手柄在“预备跳闸”位置时,SA13-14 导通,经(+)WTW → HR → KL → QF 常开触点 → YT → -WC 回路,红灯闪光,发出预备合闸信号。
“跳闸”位置
将SA 手柄反时针方向转 45º至“跳闸”位置,SA6-7 导通,HR 及R 被短接,经+WC → SA6-7 KL → QF 常开触点→ -WC,使 YT 励磁,断路器跳闸。断路器跳闸后,其常开触点断开,常闭触点闭合,绿灯亮,指示断路器已跳闸完毕,放开手柄后,SA 复位至“跳闸后”位置。当断路器手动或自动重合在故障线路上时,保护装置将动作跳闸,此时如果运行人员仍
将控制开关放在“合闸”位置(SA5-8 触点接通),或自动装置触点 KM1 未复归,断路器 SA5-8 将再合闸。因为线路有故障,保护又动作跳闸,从而出现多次“跳—合”现象。此种现象称为“跳跃”。断路器若发生跳跃不仅会引起断路器毁坏,而且还将扩大事故,所谓“防跳” 措施,就是利用操作机构本身机械上具有的“防跳”闭锁装置或控制回路中所具有的电气“防跳”接线,来防止断路器发生“防跳”的措施。
图 4 中所示控制回路采取了电气“防跳”接线。其 KL 为跳跃闭锁继电器,它有两个线圈,一个电流启动线圈,串于跳闸回路中;另一个电压保护线圈,经过自身常开触点 KL1
与合闸接触器线圈并联。此外在合闸回路中还串有常闭触点 KL2,其工作原理如下:
当利用控制开关(SA)或自动装置(KM1)进行合闸时,若合在故障线上,保护将动作, KOM 触点闭合,使断路器跳闸。跳闸回路接通的同时,KL 电流线圈带电,KL 动作,其常闭触点 KL2 断开合闸回路,常开触点 KL1 接通 KL 的电压自保持线圈。此时,若合闸脉冲未解除(如 SA 未复归或 KM1 卡住等),则 KL 电压自保持线圈通过触点 SA5-8 或 KM1 的触点实现自保持,使 KL2 长期打开,可靠地断开合闸回路,使断路器不能再次合闸。只有当合闸脉冲解除(即 KM1 断开或 SA5-8 切断),KL 的电压自保持线圈断电后,回路才能恢复至正常状态。
图 4 中KL3 的作用是用来保护出口继电器触点 KOM 的,防止 KOM 先于 QF 打开而被烧坏。电阻 R1 的作用是保证保护出口回路中当有串接的信号继电器时,信号继电器能可靠动作。

图 4 具有灯光监视的断路器控制回路图(电磁操作机构)
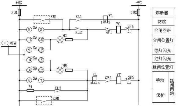
5、带有灯光监视的断路器控制回路(液压操动机构)

液压机构的工作压力,各厂家有一定差异,以北京开关厂出品 CY3 型为例,在 20℃时, 额定贮气筒压力为 11.7±0.98MPa,额定压力 17.65MPa,当温度变化 1℃时,预充压力变化0.45MPa。
图 5 中,当液压低于 14.72 MPa,合闸回路中的压力触点 SP4 断开,不允许合闸;当液压低于 13.73 MPa,跳闸回路中的压力触点 SP5 断开,不允许跳闸,如电网运行允许,也可用这个触点启动中间继电器后,作用于跳闸。
当压力低于 15.72 MPa,3SP3 触点闭合,发出油压降低信号;当液压低于 16.72 MPa 时,触点 SP1、SP2 闭合,启动油泵打压,当油压上升到 18.63 MPa 时,SP1、SP2 均断开, 油泵停止打压。当压力低于 9.8MPa 或高于 24.5,MPa 时,由压力表的触点 PP1、PP2 启动KM3 发出压力异常信号,还可以利用 KM3 常闭触点闭锁油泵电动机启动接触器的启动回路(图中未示出),防止当油压降到零时,启动油泵可能造成断路器的慢分事故。


图 5 具有液压操作机构的断路器控制、信号回路图
6、带有灯光监视的断路器控制回路(弹簧操动机构)

图 6 为SW4-110 型断路器配弹簧操作机构的断路器控制、信号回路,在其合闸线圈中串有弹簧已贮能闭锁触点 SQS1 只有弹簧贮能后,才能合闸;当设有自动重合闸,如重合于永久性故障时,弹簧来不及贮能(需 9S),故不能第二次重合。为可靠起见,仍加了“防跳”回路。
当 KAC 由跳闸位置继电器的 KQT 启动时,KQT 线圈的一端应接至 SQS 与 QF 之间。如按以往接线,接于 SQS 之前,当 KAC 动作,重合于永久性故障后,此时弹簧贮能释放,SQS 打开,KQT 失电,断开 KAC 的启动回路,重合闸继电器中的电容又重新充电足够时,待弹簧重新贮能后,SQS 闭合,KQT 线圈带电,KAC 启动,又进行一次重合闸。此种情况,如不及时断开控制开关,还会反复进行多次。

图 6 具有弹簧贮能操作机构的断路器控制、信号回路图
7、闪光装置接线图(由两个中间继电器构成)

由两个中间继电器构成的闪光装置的原理接线见图 7 图所示。当某一断路器的位置与其控制开关不对应时,闪光母线(+)WTW 经“不对应”回路,信号灯(HR 或 HG)及操作线圈
(YT 或 YC)与负电源接通,KM1 启动,KM1 常开触点闭合,KM2 相继启动,其常开触点将 KM1 线圈短接,并使闪光母线直接与正常电源沟通,信号灯(HR 或 HG)全亮;当 KM1 触点延时断开后,KM2 失磁,其常开触点断开,常闭触点闭合,KM1 再次启动,闪光母线(+)WTW 经
KM1 线圈与正电源接通,“不对应”回路中的信号灯呈半亮,重复上述过程,便发出连续的闪光信号。KM1 及 KM2 带延时复位,是为了使闪光变得更加明显。
图 7 中,试验按钮 SE 的信号灯 HW 用于模拟试验。当揿下 SE 时,闪光母线(+)WTW 经信号灯 HW 与负电源接通,于是闪光装置便按上述顺序动作,使试验灯 HW 发出闪光信号。HW 经按钮的常闭触点接在正、负电源之间,因而兼作闪光装置熔断器的监视灯。

图 7 由两个中间继电器构成的闪光装置接线图
8、闪光装置接线图(由闪光继电器构成)

图 8 中,由KM、R、C 组成闪光继电器。按下按钮 SE 时,它相当于一个不对应回路,闪光母线与负电源接通,闪光继电器 KTW 的线圈回路接通 ,电容器 C 经附加电阻 R 和“不对应”回路中的信号灯充电,于是加在 KM 两端的电压不断升高,当达到其动作电压时,KM 动作,其常开触点 KM.2 闭合,闪光母线(+)WTW 与正电源直接接通,信号灯全亮。同时其常闭触点 KM.1 断开它的线圈回路,电容 C 便放电,放电后,电容 C 的端电压逐渐降低,待降至 KM 的返回电压时,KM 复归,KM.2 断开,KM.1 闭合,闪光母线经 KM、KM.1 与正电源接通, 信号灯呈半亮。重复上述过程,便发出连续闪光。

图 8 由闪光继电器构成的闪光装置接线图
9、中央复归能重复动作的事故信号装置原理图

常用中央复归能重复动作的事故信号装置。所谓中央复归能重复动作的事故信号,是指断路器自动跳闸后,为使值班人员不受音响信号长期干扰而影响事故处理,可以保留绿灯闪光信号而仅将音响信号立即解除。
图 9 中 KSP1 为 ZC-23 型冲击继电器,脉冲变流器 T 一次侧并联的二极管 V 和电容器 C 起抗干扰作用;二次侧并联的二极管 V 的作用是将 T 的一次侧电流突然减小而在二次侧感应的电流旁路,使干簧继电器 KR 不误动(因干簧继电器动作没有方向性)。其原理是当断路器事故分闸或按下试验按钮 SE1 时,脉冲变流器 T 一次绕组中有电流增量,二次绕组中感应电流起动 KR,KR 动作后起动中间继电器 KM。KM 有两对触点,一对触点闭合起动蜂鸣器 HB, 发出音响信号;另一对触点闭合起动时间继电器 KT1,经一定延时后,KT1 起动 KM1,KM1 动作后,使 KM 失磁返回,音响停止,整个事故信号回路恢复到原始状态。
准备第二台断路器跳闸时发出音响,不对应启动回路如图 10。图 9 中常开触点 KM2 是由预告信号装置引来的(见图 11),所以自动解除音响用的时间继电器 KT1 和中间继电器 KM1为两套音响信号装置所共用。
为能试验事故音响装置的完好与否,另设有试验按钮 SE1,按 SE1 时,即可启动 KSP1, 使装置发出音响并按上述程序复归至原始状态。按下手动复归按钮也可使音响信号解除。

图 9 用ZC-23 型冲击继电器构成的事故信号装置的回路图

图 10
10、预告信号装置原理图

预告信号装置是当设备发生故障或某些不正常运行情况时能自动发出音响和光字牌灯光信号的装置。它可帮助运行人员及时地发现故障及隐患,以便采取适当措施加以处理,防止事故扩大。变电所常见的预告信号有:变压器轻瓦斯动作、变压器过负荷、变压器油温过高、电压互感器二次回路断线、直流回路绝缘降低、控制回路断线、事故音响信号回路熔断器熔断、直流电压过高或过低等。
预告信号一般发自各种监测运行参数的单独继电器,例如过负荷信号由过负荷保护继电器发出。
预告信号分瞬时预告信号和延时信号两种,对某些当电力系统中发生短路故障可能伴随发出的预告信号,例如:过负荷、电压互感器二次回路断线等,都应带延时发出,其延时应大于外部短路的最大切除时限。这样,在外部短路切除后,这些由系统短路所引起的异常就会自动消失,而不让它发出警报信号,以免分散运行人员的注意力。
目前,广泛采用的中央复归带重复动作的预告信号装置,其动作原理与事故音响信号装置相同,所不同的是只是用光字牌灯泡代替了事故音响信号装置不对应启动回路中的电阻R,并用警铃代替了蜂鸣器,图 11 所示为由 ZC-23 型冲击继电器构成的中央复归能重复动作瞬时预告信息装置接线图,其动作原理与图 9 相似,图中 KM1 由图 15 引来,用以自动解除音响,WSW1 和 WSW2 为瞬时预告小母线。
当设备发生不正常情况时,例如控制回路断线,则 KBC2 动作,其常开触点闭合,通过回路+WS→KBC2 常开触点→HP2→WSW1 和 WSW2→ST13-14→ST15-16→KSP2→-WS,使 KSP2 动作,触点 KM2 闭合,使警铃 HA 发出音响信号,同时光字牌 HP2 示出“控制回路断线”信号, 按下解除按钮 SCL,音响即可解除(也可经一定延时,自动解除),而光字牌信号直到故障消除,KBC2 触点返回才会消失。由于采用了 ZC-23 型继电器,因而信号是可以重复动作的。为能经常检查光字牌灯泡的完好性,设有转换开关 ST。处于“合”位时,ST 触点 1-2、3-4、5-6、7-8、9-10、11-12 全接通,分别将信号电源+WS 和-WS 接至小母线 WSW2 和WSW1,使光字牌所有的灯泡亮。发预告信号时,两只灯泡是并联的,灯泡明亮,当其中一只灯泡损坏时, 仍能保证发出信号。而试验光字牌时,两只灯泡则是串联的,因而灯光较暗,此时若一只灯泡损坏则该光字牌即不亮。
预告信号装置由单独的熔断器 FU3、FU4 供电,若 FU3 或FU4 熔断则不能发出预告信号, 所以对熔断器电源采用了灯光监视的方法。图 11 为预告信号装置的熔断器监视灯接线图。正常运行时,熔断器监视继电器 K2 带电,其常开触点闭合,中央信号屏上的白色指示灯 HW 亮;当 FU3 熔断时,K2 失电,其常闭触点闭合,HW 被接至闪光小母线(+)WTW 上发出闪光。

图 11 用 ZC-23 型冲击继电器构成的中央复归能重复动作瞬时预告信号装置的回路图
图 12 预告信号装置的熔断器监视灯接线图
11、线路定时限过电流保护原理图
如图 13,当被保护线路发生故障时,短路电流经电流互感器 TA 流入 KA1—KA3,短路电流大于电流继电器整定值时,电流继电器启动。因三只电流继电器触点并联,所以只要一只电流继电器触点闭合,便启动时间继电器 KT,按预先整定的时限,其触点闭合,并启动出口中间继电器 KOM。KOM 动作后,接通跳闸回路,使 QF 断路器跳闸,同时使信号继电器动作发出动作信号。由于保护的动作时限与短路电流的大小无关,是固定的,固称为定时限过电流。
图片上传失败,请稍后重试
重试

图 13 定时限过电流保护的原理接线图
12、线路方向过电流保护原理图
方向过流的保护原理接线如图 14 所示,电流继电器 3、5 是启动元件,功率方向继电器
4、6 是方向元件,采用 90°接线(UbcIA 及 UabIc)。各相电流继电器的触点和对应功率方向继电器触点串联,以达到按相启动的作用。时间继电器 7 是使保护装置获得必要的动作时限,其触点闭合,经信号继电器 8 发出跳闸脉冲,使断路器 QF 跳闸。
方向过电流保护,由于加装了功率方向继电器,因此线路发生短路时,虽然电流继电器都可能动作,但只有流入功率方向继电器的电流与功率方向继电器规定的方向一致时(当规定指向线路时,即一次电流从母线流向线路时),功率方向继电器才动作,从而使断路器跳闸。而当流入功率方向继电器的电流与功率方向继电器规定的方向相反时(即一次电流从线路流向母线时),功率方向继电器不动作,将方向过电流保护闭锁,保证了方向过电流保护的选择性。
在正常运行时,负荷电流的方向也可能符合功率方向继电器的动作方向,其触点闭合, 但此时电流继电器未动作,所以整套方向过电流保护仍被闭锁不动作。
方向过电流保护的动作时限,是将动作方向一致的保护,按逆向阶梯原则进行整定的。

图 14 线路方向过电流保护原理图
13、线路三段式电流保护原理图
线路三段式电流保护的原理接线图及展开图如图 15 所示。其中 KA1、KA2、KS1 构成第Ⅰ段瞬时电流速断;KA3、KA4、KT1、KS2 构成第Ⅱ段限时电流速断;KA5、KA6、KT2、KS3 构成第Ⅲ段定时限过电流。三段保护均作用于一个公共的出口中间继电器 KOM,任何一段保护动作均启动 KOM,使断路器跳闸,同时相应段的信号继电器动作掉牌,值班人员便可从其掉牌指示判断是哪套保护动作,进而对故障的大概范围作出判断。

图 15a 线路三段式电流保护原理图

图 15b 三段式电流保护接线展开图
14、线路三段式零序电流保护原理图
三段式零序电流保护的原理接线如图 16,在被保护线路的三相上分别装设型号和变比完全相同的电流互感器,将它们的二次绕组互相并联,然后接至电流继电器的线圈。当正常运行和发生相间故障时,电网中没有零序电流,故 IR=0,继电器不动作,只有发生接地故障时,才出现零序电流,如其值超过整定值,继电器就动作。
实际工作中,由于三只电流互感器的励磁特性不一致,当发生相间故障时,会造成较大的不平衡电流。为了使保护装置在这种情况下不误动作,通常将保护的动作电流按躲过最大不平衡电流来整定。
与相间短路的电流保护相同,零序电流保护也采用阶段式保护,通常采用三段式。目前的“四统一”保护屏则采用四段式。图 16 为三段式零序电流保护的原理接线图。瞬时零序电流速断(零序Ⅰ段有,由 KA1、KM 和 KS7 构成),一般取保护线路末端接地短路时,流过保护装置 3 倍最大零序电流 3Iom 的 1.3 倍,保护范围不小于线路全长的 15%-25%。
零序Ⅱ段(由 KA3、KT4 和 KS8 构成)的整定电流,一般取下一级线路的零序Ⅰ段整定电流的 1.2 倍,时限 0.5s,保证在本线末端单相接地时,可靠动作。
零序Ⅲ段(由 KA5、KT6 和 KS9 构成)的整定电流可取零序Ⅱ(或Ⅲ)段整定的 1.2 倍, 或大于三相短路的最大不平衡电流,其灵敏性要求下一级末端故障时,能可靠动作。

图 16 线路三段式零序电流保护原理图
15、双回线的横联差动保护原理图
双回线横联差动保护装置是由电流启动元件和功率方向元件组成,图 17a 中,功率方向继电器 KPD1 和 KPD2 的电流线圈与电流继电器 KA 串联接于双回线的电流差上。功率方向继电器 KPD1 与KPD2 加进同一电压(接母线电压互感器),但极性相反。在 I1> I2(即同一回线上发生故障)时,左边的方向继电器 KPD1 的转矩为正,而右边的方向继电器 KPD2 的转矩为负;反之,在 I2> I1 (即另一回线上发生故障)时,KPD2 的转矩为正,KPD1 的转矩为负。这样两回线路中任一回线路上发生故障时,电流继电器 KA 均启动保护装置,而两个功率方向继电器则用来判别故障线路。
正常及外部故障时,ⅰ1=ⅰ2、ⅰR =0 、保护不动作。
在线路 L-1 上 K 点故障时,ⅰ1>ⅰ2 ,所以ⅰR =ⅰ1-ⅰ2>ⅰs,电流继电器 KA1 启动, 功率方向继电器 KPD1 触点闭合,KPD2 触点不闭合,保护动作跳开断路器 QF1。在线路受端, 流入继电器的电流ⅰR =ⅰ1+ⅰ2 [见图 17b],使电流继电器 KA2、功率方向继电器 KPD3 动作,而 KPD4 不动作,从而使断路器 QF3 跳闸。同理在线路 L-2 上短路时,送端 KA1、KPD2 动作,受端 KA2、KPD4 动作,同时跳开断路器 QF2、QF4。
为防止单回线运行时,横联差动保护在外部故障时误动作,保护的直流电源经双回线两个开关的常开辅助触点串联闭锁,只有当两个开关同时接入时,保护才作用。
方向横联差动保护的动作电流应大于穿越性故障时在差电流回路中引起的最大不平衡电流。

图 17a 方向横联差动保护的原理图(一相的原理接线)

图 17b 方向横联差动保护的原理图(线路内部故障的电流分布)
16、双回线电流平衡保护原理图

电流平衡保护是横联差动保护的另一种形式,它是按比较双回线路中电流的绝对值而工作的,如图 18 所示。电流平衡继电器 KBL1、KBL2 各有一个工作线圈匝 Nw,一个制动线圈匝 NB 和一个电压线圈匝 Nv。KBL1 的工作线圈接于线路 L-1 电流互感器的二次侧,由电流I1 产生动作力矩 Mw1,其制动线圈接于线路 L-2 电流互感器的二次侧,由电流 I1 产生动作力矩 MB1。KBL2 的工作线圈接于线路 L-2 电流互感器的二次侧,由 I2 产生动作力矩 Mw2, 其制动线圈接于线路 L-1 电流互感器的二次侧,由 I1 产生动作力矩 MB2。KBL1、KBL2 的电压线圈均接于母线电压互感器的二次侧。继电器的动作条件是 Mw>MB+Mv(Mv 为电压线圈中产生的力矩)。
正常运行及外部短路时,由于 II=I2,KBL1、KBL2 由于其反作用力矩 Mv 和继电器内弹簧反作用力矩 Ms 的作用,使触点保持在断开位置,保护不会动作。
当一回线路发生故障(如线路 L-1 的 K 点),由于 II>I2,并由于电压大大降低,电压线圈的反作用力矩显著减少,因此 KBL1 中由 II 产生的动作力矩 Mw1 大于 I2 产生的制动力矩 MB1 与电压产生的制动力矩 Mv 之和,所以 KBL1 动作,切除故障线路 L-1;对于 KBL2,由于流过其制动线圈的电流 II 大于工作线圈流过电流 I2,即制动力矩大于动作力矩,所以它不会动作。
必须指出,单端电源的双回线路上,平衡保护只能装于送电侧,受电侧不能装设。因为任一回线路短路,流过受电侧两个平衡继电器的工作线圈和制动线圈的电流大小是相等的, 保护将不起作用。
由于双回平行线横联差动保护及平衡保护,在靠近对侧出口短路时,本侧两条线路流过的电流,其电流的横差值,不足以启动保护,只有等待对侧的保护动作,切除故障后,本侧的非故障线电流降为零,才由故障线电流启动本侧保护,切除故障线路。这种情况被称为相继动作。线路上相继动作区域大小与保护整定值及短路电流有关。
横联差动保护,其方向继电器接有母线电压,在平行线路出口三相短路时,电压为零, 如方向继电器的电压回路没有良好的记忆作用,便会误动,称为电压死区。

图 18 电流平衡保护原理图
17、变压器瓦斯保护原理图

变压器瓦斯保护的主要元件就是瓦斯继电器,它安装在油箱与油枕之间的连接管中。当变压器发生内部故障时,因油的膨胀和所产生的瓦斯气体沿连接管经瓦斯继电器向油枕中流动。若流动的速度达到一定值时,瓦斯继电器内部的挡板被冲动,并向一方倾斜,使瓦斯继电器的触点闭合,接通跳闸回路或发出信号,如图 19 所示
图 19 中:瓦斯继电器 KG 的上触点接至信号,为轻瓦斯保护;下触点为重瓦斯保护,经信号继电器 KS、连接片 XE 起动出口中间继电器 KOM,KOM 的两对触点闭合后,分别使断路器 QF1、QF2、跳闸线圈励磁。跳开变压器两侧断路器,即
直流+ → KG → KS → XE → KOM → 直流-,起动 KOM。直流+ → KOM → QF1 → YT → 直流-,跳开断路器 QF1。直流+ → KOM → QF2 → YT → 直流-,跳开断路器 QF2。
再有,连接片 XE 也可接至电阻 R,使重瓦斯保护不投跳闸而只发信号。

图 19 变压器瓦斯保护原理接线图
18、双绕组变压器纵差保护原理图

变压器纵差保护是按循环电流原理构成的,它能正确区分变压器内、外故障,并能瞬时切除保护区内的故障。图 20 表示双绕组变压器纵差保护的单线原理图。变压器两侧分别装设电流互感器 TA1 和 TA2,并按图中所示极性关系进行连接。
正常运行或外部(如图 20a 中 d1 点)故障时,差动继电器 KD 中的电流等于两侧电流互感器二次电流之差,要使这种情况下流过差动继电器的电流为零,应恰当选择两侧电流互感器的变比。由于二次额定电流一般为 5A,所以电流互感器的变比为:一次额定电流/二次额定电流,UN/5。忽略变压器的励磁电流,则在正常运行或外部故障时,流入差动继电器的电流为零。
当变压器内部,如图 20b 中 d2 点故障时,流入差动继电器的电流为变压器两侧流向短路点的短路电流(二次值)之和。
实际上,由于变压器的励磁涌流、接线方式和电流互感器的误差等因素的影响,差动继电器中会流过不平衡电流,不平衡电流越大,继电器的动作电流越大,致使纵差保护的灵敏度降低。因此纵差保护需要解决的主要问题之一是采取各种措施避免不平衡电流的影响,在保证选择性的条件下,还要保证内部故障时有足够的灵敏性和速动性。

图 20a 双绕组变压器纵差保护单线原理图(正常运行或外部故障时) 图 20b 双绕组变压器纵差保护单线原理图(内部故障时)
19、变压器复合电压启动的过电流保护原理图

图 21 中,当保护区内发生不对称故障,系统出现负序电压,负序过滤器 13 有电压输出
使继电器 7 常闭触点打开,欠压继电器 8 失压,常闭触点闭合,接通中间继电器 9,若电流继电器 4、5、6 任何一个动作,则启动时间继电器 10,经过整定时限后,跳开两侧断路器。
在对称短路情况下,电压继电器 7 不启动,但欠压继电器 8 因电压降低,常闭触点接通,保护启动。
负序电压整定值,可取额定电压的 6%;电流整定值,可取大于变压器额定电流,但不必大于最大电流(例如并联运行的变压器断开一台时)。

图 21 复合电压启动的过电流保护原理图
20、单电源三绕组变压器过电流保护原理图

三绕组变压器外部故障时,其过电流保护应有选择性地断开故障侧断路器。而使其余两侧继续正常运行,为此,应按如下原则来实现过流保护。
对单侧电源三绕组变压器(如图 22 所示),应装设两套过电流保护。一套装于负荷侧,如绕组Ⅰ、Ⅱ、Ⅲ,其动作时限 tⅢ最小,保护动作仅跳开 QF3。另一套装在电源侧, 如绕组Ⅰ,它设两级时限 tⅠ和 tⅡ,tⅡ= tⅢ+Δt,用以切除 QF2;而 tⅠ= tⅡ+Δt,用以切除高、中、低三侧断路器。
对两端或三端电源的变压器,三侧均应设过电流保护,并根据计算值在动作时限小的电源侧加装方向元件,以保证动作的选择性。

图 22 单电源三绕组过电流保护原理接线图
21、变压器零序电流保护原理图

对大电流接地系统中的变压器装设的接地零序电流保护,作为变压器主保护的后备保护及相邻元件接地短路的后备保护。如图所示
正常情况下,3Io=0,TA 中没有电流通过,零序电流保护不动作发生接地短路时出现零序电流,当它大于保护的动作电流时,电流继电器 KA 动作,经 KT 延时后,跳开变压器两侧断路器。零序电流保护的动作电流,应大于该侧出线零序电流保护后备段的动作电流。保护的动作时限也要比后者大一个Δt。

图 23 变压器零序电流保护原理接线图
22、变压器中性点直接接地零序电流保护和中性点间隙接地保护的原理接线图
目前大电流接地系统普遍采用分级绝缘的变压器,当变电站有两台及以上的分级绝缘的变压器并列运行时,通常只考虑一部分变压器中性点接地,而另一部分变压器的中性点则经间隙接地运行,以防止故障过程中所产生的过电压破坏变压器的绝缘。为保证接地点数目的稳定,当接地变压器退出运行时,应将经间隙接地的变压器转为接地运行。由此可见并列运行的分级绝缘的变压器同时存在接地和经间隙接地两种运行方式。为此应配置中性点直接接地零序电流保护和中性点间隙接地保护。这两种保护的原理接线如图 23 所示。
中性点直接接地零序电流保护:中性点直接接地零序电流保护一般分为两段,第一段由电流继电器 1、时间继电器 2、信号继电器 3 及压板 4 组成,其定值与出线的接地保护第一段相配合,0.5s 切母联断路器。第二段由电流继电器 5、时间继电器 6、信号继电器 7 和 8 压板 9 和 10 等元件组成,。定值与出线接地保护的最后一段相配合,以短延时切除母联断路器及主变压器高压侧断路器,长延时切除主变压器三侧断路器。
中性点间隙接地保护:当变电站的母线或线路发生接地短路,若故障元件的保护拒动, 则中性点接地变压器的零序电流保护动作将母联断路器断开,如故障点在中性点经间隙接地的变压器所在的系统中,此局部系统变成中性点不接地系统,此时中性点的电位将升至相电压,分级绝缘变压器的绝缘会遭到破坏,中性点间隙接地保护的任务就是在中性点电压升高至危及中性点绝缘之前,可靠地将变压器切除,以保证变压器的绝缘不受破坏。间隙接地保护包括零序电流保护和零序过电压保护,两种保护互为备用。
零序电流保护由电流继电器 12、时间继电器 13、信号继电器 14 和压板 15 组成。一次启动电流通常取 100A 左右,时间取 0.5s。110kV 变压器中性点放电间隙长度根据其绝缘可取 115~158mm,击穿电压可取 63kV(有效值)。当中性点电压超过击穿电压(还没有达到危及变压器中性点绝缘的电压)时,间隙击穿,中性点有零序电流通过,保护启动后,经 0.5s 延时切变压器三侧断路器。
零序电压保护由过电压继电器 16、时间继电器 17、信号继电器 18 及压板 19 组成,电压定植按躲过接地故障母线上出现的最高零序电压整定,110kV 系统一般取 150V;当接地点的选择有困难、接地故障母线 3Uo 电压较高时,也可整定为 180V,动作时间取 0.5s。

图 24 变压器中性点直接接地零序电流保护和中性点间隙接地保护的原理接线图
23、线路三相一次重合闸装置原理图
架空线路的短路故障多为瞬时性的,当保护跳闸切除故障后,短路点的绝缘经常可恢复, 便可利用自动重合闸继电器 KAC,使断路器自动再合闸,即可恢复再送电,这种重合的成功率,多不低于 70%。110kV 线路,一般均应装设三相一次重合闸装置,三相一次重合闸装置的展开图如图 25 所示。
线路正常运行,开关处于合闸状态,QF3 常闭触点断开,控制开关 SA 在合闸后位置,其触点 21、23 接通,信号灯 HL 亮,电容 C 经充电电阻 R4 充电,经 15-25s 时间,充电至额定的直流电压,这时 KAC 处于准备动作状态。
线路发生瞬间故障,保护动作使开关跳闸,其辅助常闭触点 QF3 闭合,由于 SA 还处于“合闸”位置,其触点 21、23 仍导通,所以重合闸由开关的辅助触点与 SA 触点不对应启动,时间继电器 KT 经本身的瞬时常闭触点 KT2 瞬时断开,使限流电阻 R5 串入 KT 线圈
电路中,这时 KT 继续保持动作状态,经整定的延时,以保证线路故障点的绝缘恢复和开关准备再次合闸,当 KT 的常开触点 KT1 接通,构成了电容 C 对中间继电器 KM 电压线圈的放电回路。KM 动作,其常开触点闭合,使操作电源经 KM2、KM1 触点、KM 电流自保持线圈、信号继电器 KS 和压板 XE1 向合闸接触器 KMC 发出合闸脉冲,断路器合闸。同时由 KS 给出重合闸动作信号。断路器合上后,若是瞬时性故障,重合成功。辅助触点 QF2、QF3 断开,继电器
KS、KT 相继返回,其触点打开。电容 C 重新充电,经 15~25s 时间充好电,准备下一次动作。这说明装置是能够自动复归的。
断路器重合于永久性故障时,保护再次动作,使断路器跳闸,KAC 重新启动,KT 触点闭合,旁路了电容充电,中间继电器 KM 不会起动,保证了只重合一次。
手动跳闸时,控制开关 SA 处于“跳闸”后位置,此时 SA 触点 21-23 断开,KAC 不启动;同时,2、4 触点闭合,使电容 C 对R6 放电,KM 不能动作。因此,手动跳闸不重合。
手动合闸于线路故障,保护动作于跳闸,电容 C 来不及充电到 KM 动作所需要的电压,不会起动重合闸。
为防止 KAC 出口中间继电器 KM 触点 KM2 与 KM1 被卡住,而出现断路器多次重合于故障线路上(即“跳跃”),可采用“防跳”措施。
1)采用两对常开触点 KM1 和KM2 串联,若其中一对触点卡住,另一对能正常断开,不至发生断路器“跳跃”现象。
2)在断路器跳闸线圈 YT 回路中,又串接了防跳继电器 KL 的电流线圈,当断路器事故跳闸时,KL 动作。当 KM 两个串联的常开触点被粘住时,KL 的电压线圈经自身的常开触点
KL1 而带电自保持,从而使其常闭触点 KL2、KL3 也保持断开,使合闸接触器 KMC 不会接通, 达到了“防跳”的目的。
当线路低频减载及母线差动等保护装置动作后不需重合闸时,设重合闸闭锁回路。
双侧电源重合闸装置,还应防止两侧电源的非同期合闸。对于单回联络线,可在重合闸的“不对应”启动回路中,串入同期或无压检定继电器的触点,只有当线路跳闸后线路无压, 或对侧与本侧在同期情况下,才能启动重合闸装置;若是双回平行联络线,可以用上述同期或无压检定,也可用平行另一回线有电流才允许启动重合闸的电流检定方式。
图 26 为重合闸后加速原理接线图,当重合在永久性故障时,加速继电器 KACC 旁路了
KT 的触点,可以使重合于故障后,瞬时跳闸。

图 25 三相一次自动重合闸装置的展开图

图 26 重合闸后加速原理接线图
24、储能电容器组接线图
不在检查位置时,ZK 触点 1-2、5-6、9-10 接通,其他触点断开。此时 1C 和 2C 的正极分别接至+WC1 和+WC2,各自作本回路跳闸电源。
旋 ZK 到检查I 组电容器位置时,触点 1-4、5-8、9-12 接通,其他触点断开。此时 2C 正极同时接至+WC1 和+WC2,作两回路的跳闸电源。
1C 正极接至 KT 线圈右端,使 KT 线圈加上 1C 动作,经一定时间接通 KV,若 1C 的电压足够,则 KV 启动,信号灯亮,证明电容器组满足要求。反之,责说明电容量降低或有断路存在,应逐一检查更换。
旋 ZK 到检查II 组电容器位置时,触点 3-2、7-6、10-11 接通,其他触点断开。此时 1C 作两回路的跳闸电源,2C 被检查。

图 27 储能电容器组接线图
25、小电流接地系统交流绝缘监视原理接线图
交流绝缘监视的工作原理为,TV 是母线电压互感器(三相五柱或三个单相组),其一次中性点接地,正常时每相绕组对地电压为额定相电压,故二次星形每相绕组电压是 100/√
3V,开口三角形每相绕组电压是 100/3V。
当一次系统中 A 相发生接地时,一次 A 相绕组电压降到零,其他两相绕组的电压升高到线电压。二次星形绕组的 A 相绕组电压降到零,其他两相绕组的电压升高到 100 V
三个电压表中,A 相电压表指示零、另两相指示线电压,由此得知一次系统 A 相接地。二次开口三角形的 A 相绕组电压降到零,其他两绕组的电压升高到 100/3V,三角形开口两
端电压升高到 100V。加在电压继电器 KV 上的电压由正常时的零伏升高到 100V,KV 动作发出信号。

图 28 小电流接地系统交流绝缘监视的原理接线图
26、变压器强油循环风冷却器工作和备用电源自动切换回路接线图
如图 29 所示,变压器投入电网之前,先将 SA 开关手柄置于 I 工作 II 备用,或者 II 工作 I 备用位置。
当变压器投入电网时,1KM 常闭触点接通;1KV1、2KV1 带电,常开触点接通,起动 1KV、
2KV 使常闭触点断开;假定 SA 开关手柄在 I 位,则 SA1-2 接通起动 1KL 接触器,1KL 主触头闭合由工作电源(I)供电。2KL 线圈回路被 1KL 常闭触点断开(闭锁了)。
当工作电源(I)由于某种原因停电,1KL 线圈断电,1KL 主触头断开工作电源(I),1KL常闭触点接通,1KV 断电常闭触点接通,再经 SA5-6 触点动作 2KL 接触器,2KL 主触头闭合由工作电源(II)供电。
假如工作电源(I)恢复供电时,1KV1 动作起动,1KV 动作,1KV 常闭触点断开使 2KL 断电,2KL 的主触头断开工作电源(II),2KL 常闭触点起动 1KL,1KL 的主触头闭合由工作电源(I)供电。

图 29 变压器强油循环风冷却器工作和备用电源自动切换回路接线图
27、变电站事故照明原理图
平时交流接触器线圈 1KL 是接通的,正常时事故照明是由 380/22V 的交流电源供电。当交流电源发生故障,任何一相失去电压时,电压继电器 1KV、2KV、3KV 之一失去励磁,
该电压继电器的常开触点断开,常闭触点闭合,使交流接触器 1KL 的衔铁线圈失磁,1KL 主触头就断开,A、B、C 三相母线与交流电源脱离联系。当 1KL 断开后,其常闭触点 1KL 闭合, 而 1KV、2KV、3KV 之一的常闭触点已闭合。
所以交流接触器 2KL 的衔铁线圈励磁,2KL 主触头就接通,其常开触点 2KL 闭合,使直流接触器 3KL 的衔铁线圈励磁,3KL 主触头接通,事故照明被切换到直流电源上。
当三相交流电源都恢复时,电压继电器 1KV、2KV、3KV 都被励磁,其三个常闭触点均断开,3KL 的衔铁线圈失磁,3KL 主触头断开,三相母线触点与直流电源脱离关系。此时 3KL 的常闭触点接通,由于 1KV、2KV、3KV 的三个常开触点已闭合,使 1KL 的衔铁线圈励磁,1KL 主触头接通,事故照明恢复为三相交流电源供电。

图 30 变电站事故照明原理图
28、开关事故跳闸音响回路接线图
(1)利用开关的一对常闭辅助触点 QF,控制开关 SA1-3、SA17-19 两对触点和附加电阻串联组成。正常的开关辅助触点 QF 在断开位置,事故时开关跳闸辅助触点 QF 闭合,瞬时事故警报回路接通,发出跳闸警报信号。
(2)利用开关合闸回路的跳闸位置继电器 KTP 的一对常开辅助触点,控制开关 SA1-3、SA17-19 两对触点和附加电阻 R 串联组成。正常运行跳闸位置继电器在失磁状态,其触点在断开位置,当事故跳闸后 KTP 常开触点闭合,瞬时接通事故跳闸音响回路,发出跳闸警报信号。

图 31 开关事故跳闸音响回路接线图
29、10kV 线路保护原理接线图
二次回路的原理图是体现二次回路工作原理的图纸,并且是绘制展开图和安装图的基础。在原理接线图中,与二次回路有关的一次设备和一次回路,是同二次设备和二次回路画在一起的。因此,所有的一次设备(例如变压器、断路器等)和二次设备(如继电器、仪表等),都以整体的形式在图纸中表示出来,例如相互连接的电流回路、电压回路、直流回路等都是综合在一起的。因此,这种接线图的特点是能够使看图者对整个二次回路的构成以及动作过程,都有一个明确的整体概念。现以某 10kV 线路的继电保护装置为例加以说明,(见图 32)。
从图中可知,整套保护装置包括,时限速断保护,它由电流继电器 1LJ、2LJ,时间继电器 1SJ 及信号继电器 1XJ,连接片 1LP 所组成;过电流保护,它由电流继电器 3LJ、4LJ, 时间继电器 2SJ,信号继电器 2XJ,连接片 2LP 所组成。当线路发生 A、B 两相短路时,其动作过程如下:
若故障点在时限速断及过流保护的保护范围内,因 A 相装有电流互感器 1LH,其二次反应出短路电流,使时限速断保护的电流继电器 1LJ 和过电流保护的电流继电器 3LJ 均起动。
1LJ、3LJ 的常开触点闭合,将直流正电源分别加在 1SJ、2SJ 的线圈上,使两个时间继电器均起动。又因时限速断保护的动作时间小于过电流保护的动作时间,所以 1SJ 的延时常开触点先闭合,并经信号继电器 1XJ 及连接片 1LP 到断路器 DL 的跳闸线圈,跳开断路器,切除故障。
从图 32 中可以看出,一次设备(如 DL、1G 等)和二次设备(如 1LJ、1SJ、1XJ 等)都以完整的图形符号表示出来,能使我们对整套继电保护装置的工作原理有一个整体概念。但是这种图存在着许多缺点:
只能表示出继电保护装置的主要元件,而对细节之处则无法表示。
不能反映继电器之间连接线的实际位置,不便维护和调试。
没有反映出各元件内部的接线情况,如端子编号、回路编号等。
标出的直流“正”、“负”极比较分散,不易看图。
对于较复杂的继电保护装置(例如距离保护等)很难用原理接线图表示出来,即使画出了图,也很难看清。因此,在实际工作中广泛采用展开图。

图 32 10kV 线路保护原理接线图
30、继电保护直流回路展开图
直流回路展开图按其作用可分为继电保护回路、信号回路、控制回路等。现以继电保护回路为例加以说明,如图 33 所示。图的左边为保护装置的逻辑回路,右边相对于逻辑回路标有继电保护装置的种类及回路名称。如过电流、速断、瓦斯等。 从图中很容易看清继电保护的动作过程。例如速断保护,当速断保护的电流继电器 1LJ 或 2LJ 动作后,直流正电源就加到了信号继电器 3XJ 和保护出口继电器 1BCJ 线圈上。1BCJ 动作后,分别跳开 1DL、
2DL 断路器。
从图 33 中可知,展开图的接线清晰、易于阅读,便于掌握整套继电保护装置的动作过程和工作原理,特别是在复杂的继电保护装置的二次回路中,用展开图绘制,其优点更为突出。

图 33 继电保护直流回路展开图
31、三绕组变压器差动保护原理图
三绕组变压器差动保护的动作原理和双绕组变压器差动保护的动作原理是一样的,也是按循环电流原理构成的。正常运行和外部短路时,三绕组变压器三侧电流向量和(折算至同一电压等级)为零。它可能是一侧流入另两侧流出,也可能由两侧流入,而从第三侧流出。所以,若将任何两侧电流相加再去和第三侧电流相比较,就构成三绕组变压器的差动保护。其原理接线如图 34 所示。
当正常运行和外部短路时,若不平衡电流忽略不计,则流入继电器的电流为零。即ⅰR=ⅰI2+ⅰⅡ2+ⅰⅢ2=0
当内部短路时,流入继电器的电流则为ⅰR=ⅰI2+ⅰⅡ2+ⅰⅢ2=ΣⅰK/na
即等于各侧短路电流(二次值)的总和。
可见在正常及区外短路时,保护不会动作,而发生内部故障时,保护将灵敏动作。为保证三绕组变压器差动保护的可靠性和灵敏性,应注意以下几点:
各侧电流互感器的变比应统一按变压器最大额定容量来选择。
外部短路时的三绕组变压器比双绕组变压器的不平衡电流大,宜采用带制动特性的 BCH-1 型差动继电器,若 BCH-1 型仍不满足灵敏度要求,可采用二次谐波制动的差动保护,
为解决实际变比与计算变比不一致而引起的不平衡电流,以保证每两侧线圈之间的平衡,对 BCH-1 型差动保护,应将两组平衡线圈分别接在二次电流较小的两侧。

图 34 三绕组变压器差动保护单相原理图
32、自动按频率减负荷装置(LALF)原理
为了提高供电质量,保证系统自身的安全,在系统出现功率缺额而引起频率下降时,根据频率下降的程度,自动切除一部分次要用户,制止频率下降,并使其逐步恢复正常,这种根据频率下降程度自动切除部分用户的装置。称为自动按频率减负荷装置(LALF),简称低频减负荷装置。其原理接线如图 35 所示,LALF 装置由反应频率降低的低频继电器动作后, 时间继电器和中间继电器启动动作跳闸切除负荷,并闭锁重合闸装置,一般,LALF 按频率降低的程度,分轮次切除负荷,先切除次要负荷。
数字式低频继电器较先进、精度高,频率的级差整定,可由原来感应型的 0.5Hz 降到
0.2Hz;有较完善的防误动措施(如低压闭锁、电流闭锁和转差闭锁等),因此,得到广泛应用。

图 35 自动按频率减负荷装置(LALF)原理接线图D


