
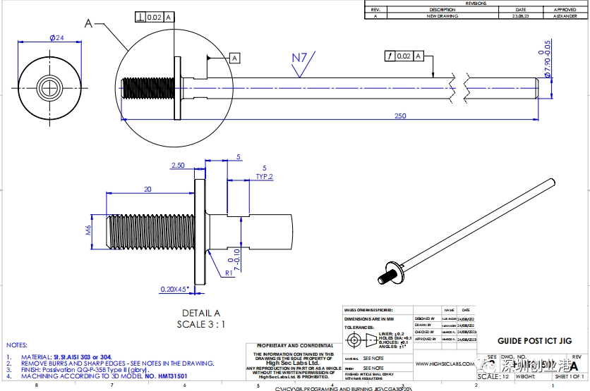
以色列公司需要以色列客户采购不锈钢加工件,
303或者304都行,有图纸,批次6-20个;
如工厂可以做或者有资源渠道,
烦请联系佟小姐。
邮件地址:jrs9@jrs-sou
电话:0755-86561465 133 6736 8778(可加微信)

更多采购请见深圳创业港www.szcyg.org


以色列公司需要以色列客户采购不锈钢加工件,
303或者304都行,有图纸,批次6-20个;
如工厂可以做或者有资源渠道,
烦请联系佟小姐。
邮件地址:jrs9@jrs-sou
电话:0755-86561465 133 6736 8778(可加微信)

更多采购请见深圳创业港www.szcyg.org
