
▌ 正投影法
投影时投影线都相互平行,投影线与投影面相垂直的平行投影法。

1. 基本视图


2. 向视图

3. 局部视图

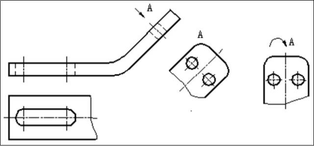
4. 斜视图

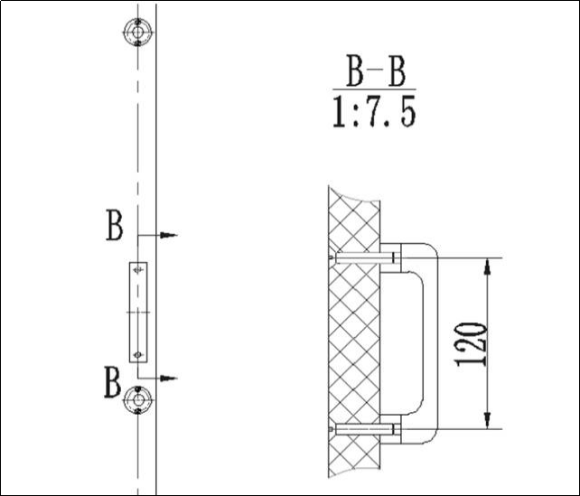
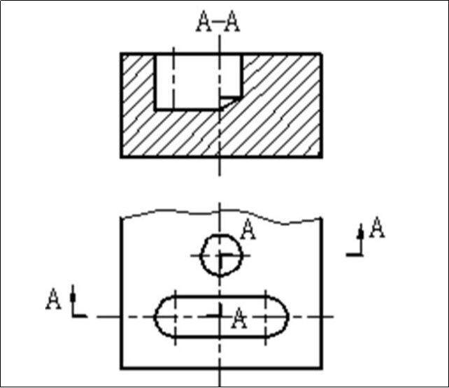
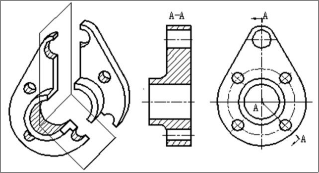
5. 剖视图

1)全剖视图

2)半剖视图

3)局部剖视图

4)阶梯剖

5)旋转剖

6. 断面图
假想用剖切平面将机件在某处切断,只画出切断面形状的投影并画上规定的剖面符号的图形,称为断面图,简称为断面。

▌识读零件图的一般方法和步骤
1)首先看标题栏,概括了解零件
看标题栏,了解零件名称、材料和比例等内容,从而大体了解零件的功用,从名称判断该零件属于哪一类零件。从材料判断该零件大致的加工方法。从比例判断该零件的实际大小,从而对零件有初步的了解。
2)分析研究视图,想象结构形状
看视图,分析零件各视图的配置及视图之间的关系,采用的表达方法和表达的内容。
读图时应弄清表面粗糙度、尺寸公差、形位公差等技术要求。了解其代号含义。必要时还要联系与该零件有关的零件一起分析。



