
1、最大限度地满足生产机械和生产工艺对电气控制系统的要求。电气控制系统设计的依据主要来源于生产机械和生产工艺的要求。
2、设计方案要合理。在满足控制要求的前提下,设计方案应力求简单、经济、便于操作和维修,不要盲目追求高指标和自动化。
3、机械设计与电气设计应相互配合。许多生产机械采用机电结合控制的方式来实现控制要求,因此要从工艺要求、制造成本、结构复杂性、使用维护方便等方面协调处理好机械和电气的关系。
4、确保控制系统安全可靠地工作。
电气控制系统设计的基本任务是根据控制要求设计、编制出设备制造和使用维修过程中所必须的图纸、资料等。图纸包括电气原理图、电气系统的组件划分图、元器件布置图、安装接线图、电气箱图、控制面板图、电器元件安装底板图和非标准件加工图等。
电气控制系统设计的内容主要包含原理设计与工艺设计两个部分:
A.原理设计内容
(l)拟订电气设计任务书。
(2)确定电力拖动方案,选择电动机。
(3)设计电气控制原理图,计算主要技术参数。
(4)选择电器元件,制订元器件明细表。
(5)编写设计说明书。
B.工艺设计内容
(l)设计电气总布置图、总安装图与总接线图。
(2)设计组件布置图、安装图和接线图。
(3)设计电气箱、操作台及非标准元件。
(4)列出元件清单。
(5)编写使用维护说明书。
电气控制系统设计的一般步骤:
1、拟订设计任务书
设计任务书是整个电气控制系统的设计依据,又是设备竣工验收的依据。由技术领导部门、设备使用部门和任务设计部门等共同完成。
电气控制系统的设计任务书中,主要包括以下内容:
设备名称、用途、基本结构、动作要求及工艺过程介绍。
电力拖动的方式及控制要求等。
联锁、保护要求。
自动化程度、稳定性及抗干扰要求。
作台、照明、信号指示、报警方式等要求。
设备验收标准。
其它要求。
2、确定电力拖动方案
电力拖动方案选择是电气控制系统设计的主要内容之一,也是以后各部分设计内容的基础和先决条件。
主要从几个方面考虑电力拖动方案:
拖动方式的选择:电力拖动方式,独立拖动?集中拖动?
调速方案的选择:大型、重型设备的主运动和进给运动,应尽可能采用无级调速;精密机械设备为保证加工精度也应采用无级调速;对于一般中小型设备,在没有特殊要求时,可选用经济、简单、可靠的三相笼型异步电动机。
电动机调速性质要与负载特性适应
恒功率负载?恒转矩负载?在选择电动机调速方案时,要使电动机的调速特性与生产机械的负载特性相适应,使电动机得到充分合理应用。
3、拖动电动机的选择基本原则
根据生产机械调速的要求选择电动机的种类。
工作过程中电动机容量要得到充分利用。
根据工作环境选择电动机的结构型式。
4、选择控制方式
控制方式要实现拖动方案的控制要求。随着现代电气技术的迅速发展,生产机械电力拖动的控制方式从传统的继电接触器控制向PLC控制、CNC控制、计算机网络控制等方面发展,控制方式越来越多。控制方式的选择应在经济、安全的前提下,最大限度地满足工艺的要求。
5、设计电气控制原理图,并合理选用元器件,编制元器件明细表。
6、设计电气设备的各种施工图纸。
7、编写设计说明书和使用说明书。

1、电气控制原理电路的基本设计方法
电气控制原理电路设计的方法有分析设计法和逻辑设计法。
(1)、分析设计法
分析设计法是根据生产工艺的要求选择适当的基本控制环节(单元电路)或将比较成熟的电路按其联锁条件组合起来,并经补充和修改,将其综合成满足控制要求的完整线路。当没有现成的典型环节时,可根据控制要求边分析边设计。
优点是设计方法简单,无固定的设计程序,它容易为初学者所掌握,在电气设计中被普遍采用;
缺点是设计出的方案不一定是最佳方案,当经验不足或考虑不周全时会影响线路工作的可靠性。
(2)、逻辑设计法
逻辑设计法是利用逻辑代数来进行电路设计,从生产机械的拖动要求和工艺要求出发,将控制电路中的接触器、继电器线圈的通电与断电,触点的闭合与断开,主令电器的接通与断开看成逻辑变量,根据控制要求将它们之间的关系用逻辑关系式来表达,然后再化简,做出相应的电路图。
优点是能获得理想、经济的方案。
缺点是这种方法设计难度较大,整个设计过程较复杂,还要涉及一些新概念,因此,在一般常规设计中,很少单独采用。
2、电气原理图设计的基本步骤
(l)根据确定的拖动方案和控制方式设计系统的原理框图。
(2)设计出原理框图中各个部分的具体电路。设计时按主电路、控制电路 、辅助电路、联锁与保护、总体检查反复修改与完善的先后顺序进行。
(3)绘制总原理图。
(4)恰当选用电器元件,并制订元器件明细表。
3、原理图设计的一般要求
(1)、电气控制原理应满足工艺的要求
在设计之前必须对生产机械的工作性能、结构特点和实际加工情况有充分的了解,并在此基础上来考虑控制方式,起动、反向、制动及调速的要求,设置各种联锁及保护装置。
(2)、控制电路电源种类与电压数值的要求
对于比较简单的控制电路,往往直接采用交流380V或220V电源,不用控制电源变压器。对于比较复杂的控制电路,应采用控制电源变压器,将控制电压降到110V或48V、24V。对于操作比较频繁的直流电力传动的控制电路,常用220V或110V直流电源供电。直流电磁铁及电磁离合器的控制电路,常采用24V直流电源供电。
交流控制电路的电压必须是下列规定电压的一种或几种:
6V,24V,48V,110V(优选值),220V,380V,50Hz。
直流控制电路的电压必须是下列规定电压的一种或几种:
6V,12V,24V,48V,110V,220V。
(3)、确保电气控制电路工作的可靠性、安全性
电器元件的工作要稳定可靠,符合使用环境条件,并且动作时间的配合不致引起竞争。
复杂控制电路中,在某一控制信号作用下,电路从一种稳定状态转换到另一种稳定状态,常常有几个电器元件的状态同时变化,考虑到电器元件总有一定的动作时间,对时序电路来说,就会得到几个不同的输出状态。这种现象称为电路的“竞争”。而对于开关电路,由于电器元件的释放延时作用,也会出现开关元件不按要求的逻辑功能输出的可能性,这种现象称为“冒险”。
“竞争”与“冒险”现象都将造成控制电路不能按照要求动作,当电器元件的动作时间可能影响到控制电路的动作时,需要用能精确反映元件动作时间及其互相配合的方法(如时间图法)来准确分析动作时间,从而保证电路正常工作。
电器元件的线圈和触点的连接应符合国家有关标准规定
电器元件图形符号应符合GB4728中的规定,绘制时要合理安排版面。例如,主电路一般安排在左面或上面,控制电路或辅助电路排在右面或下面,元器件目录表安排在标题上方。
在实际连接时,应注意以下几点:
① 正确连接电器线圈。
交流电压线圈通常不能串联使用,即使是两个同型号电压线圈也不能采用串联后,接在两倍线圈额定电压的交流电源上,以免电压分配不均引起工作不可靠。

在直流控制电路中,对于电感较大的电器线圈,如电磁阀、电磁铁或直流电机励磁线圈等,不宜与同电压等级的接触器或中间继电器直接并联使用。如图,当触点KM断开时,电磁铁YA线圈两端产生较大的感应电动势,加在中间继电器KA的线圈上,造成KA的误动作。为此在YA线圈两端并联放电电阻R,并在KA支路串入KM常开触点,如图b)就能可靠工作。

②合理安排电器元件和触点的位置。
对于某些回路,电器元件或触点位置互换时,并不影响其工作原理,但在实际运行中,影响电路安全并关系到导线长短,如图a)接法既不安全又浪费导线。图b)所示的接法较为合理。

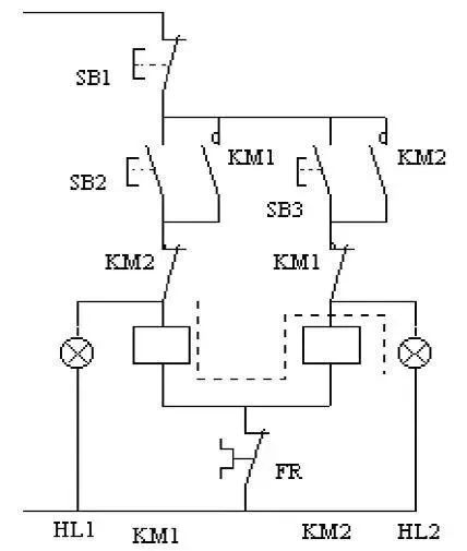
③防止出现寄生电路。
寄生电路是指在控制电路的动作过程中,意外出现不是由于误操作而产生的接通电路。图是一个具有指示灯和过载保护的电动机正反转控制电路。正常工作时,能完成正反向起动、停止与信号指示。但当FR动作断开后,电路出现了如图中虚线所示的寄生电路,使接触器KM1不能可靠释放而得不到过载保护。如果将FR触点位置移到SB1上端就可避免产生寄生电路。

④尽量减少连接导线的数量,缩短连接导线的长度。
⑤控制电路工作时,应尽量减少通电电器的数量,以降低故障的可能性并节约电能。
⑥在电路中采用小容量的继电器触点来断开或接通大容量接触器线圈时,要分析触点容量的大小,若不够时,必须加大继电器容量或增加中间继电器,否则工作不可靠。
4、应具有必要的保护环节
控制电路在事故情况下,应能保证操作人员、电气设备、生产机械的安全,并能有效地制止事故的扩大。为此,在控制电路中应采取一定的保护措施,必要时还可设置相应的指示信号。
5、操作、维修方便
控制电路应从操作与维修人员的工作出发,力求操作简单、维修方便。
6、控制电路力求简单、经济
在满足工艺要求的前提下,控制电路应力求简单、经济。尽量选用标准电气控制环节和电路,缩减电器的数量,采用标准件和尽可能选用相同型号的电器。
关注公众号,后台回复进群。




