
加我微信进资料共享群,请先关注公众号,谢谢
电气正反转控制和PLC正反转控制示意图

交流接触器结构原理图

永磁电机原理图

直流电机原理图

热继电器工作原理示意图

单相感应电机原理图

星三角启动原理示意图

速度继电器原理示意图

步进电机工作原理图

按钮开关结构示意图

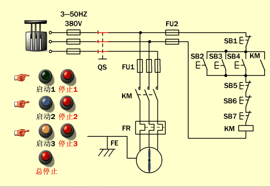
多点控制启动停止示意图

交流电机原理图


加我微信进资料共享群,请先关注公众号,谢谢
电气正反转控制和PLC正反转控制示意图

交流接触器结构原理图

永磁电机原理图

直流电机原理图

热继电器工作原理示意图

单相感应电机原理图

星三角启动原理示意图

速度继电器原理示意图

步进电机工作原理图

按钮开关结构示意图

多点控制启动停止示意图

交流电机原理图
