alc 板材中线盒板施工工艺简介
南方公司 郑陶兵
摘 要:ALC轻质隔墙板是一种性能优越的新型建材,被广泛应用在医院、商场、住宅等建筑内,其具有高强、绿色环保等优点,但是在进行ALC板材施工中水电二次预埋仍然采用传统的切槽、配管、补砂浆工艺,此工艺施工过程中切槽、剔凿对隔板墙结构具有一定破坏,后补砂浆易开裂,不利于后期的精装修等作业。本文所提的线盒板,即在ALC板材工厂生产过程中将水电线盒、线管预埋在板材里一次成型,现场安装只需将接头与主体结构施工时预埋的接头连接即可,免开槽及补砂浆工序,缩短水电二次预埋工期,避免了因后补砂浆导致开裂的质量隐患。
关键词:ALC板材;二次预埋;免开槽、开裂
蒸压加气混凝土ALC轻质隔墙板是一种性能优越的新型建材,具有定型化、工厂化、施工快捷、轻质高强、保温、隔热、绿色环保、无需抹灰可直接进行精装修施工等优点,目前被广泛应用于公共、住宅建筑的框架结构填充墙,替代传统的砌块、二次构件及抹灰施工。但是在进行ALC板材施工中水电二次预埋仍然采用传统的切槽、配管、补砂浆工艺,此工艺施工过程中切槽、剔凿对隔板墙结构具有一定破坏,后补砂浆易开裂,不利于后期的精装修等作业。珠海铁建城项目为集商业+住宅+学校的综合性建筑群体,项目用地面积73751.77m2,建筑面积为198034.88m2,共18栋建筑单体,其中包含16栋9~32层住宅、1栋6层学校以及1栋2层文体中心。主体结构含有预制外墙板、预制飘窗、叠合板、预制楼梯等装配式构建,内墙设计为ALC隔板墙。为克服水电二次配管施工过程中切槽、剔凿对板材结构的影响,以及线槽处后补砂浆易开裂的质量隐患,本文所提及的线盒板,即在ALC板材生产前,先对隔板墙进行深化排版,根据水电安装图纸定位出线盒位置,根据定位图将铁质水电线管、线盒先预埋固定于板材的钢筋骨架上(见图2),并在线管端口及线盒口做好封堵,最后浇筑泡沫混凝土,一次成型。进入施工现场严格按照排砖图安装,安装时只需将线盒板端口线管切割并剔凿露出管头,与主体施工时预留出来线管连接即可,免去了传统的开槽预埋线管。本文主要通过从线盒板工厂生产、运输、现场定位安装等各环节进行质量控制,以达到控制线盒板中线盒精装定位的目的。

图2 线盒板中线盒、线管固定
主要工艺流程图如图3所示。


图3 主要工艺流程图
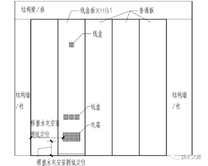
(1)内隔墙深化设计在板材安装前安排专业技术人员针对工程所有需要安装板材的内隔墙用CAD软件进行排版设计,然后根据水电安装图定位出所有墙板上线盒位置,对于局部线盒位于两块板材缝间的部位进行微调,保证一个线盒或电箱不跨两块板材,否则无法生产。在图纸上对有线盒的板材进行标记并编号XHB1、XHB2、XHB3…,并在板材上做好标记(见图1),便于现场施工定位。(2)板材内预埋线盒、线管的选材因ALC板材整个生产在高温环境下,所有预埋在板材里的线盒、电箱及线管必须采用铁质或钢制的,不能采用PVC管,防治线管在高温下融化破坏,导致后期线管堵塞,无法穿线。(3)线盒固定线盒采用点焊的方式固定于板材内配钢筋上,若线盒与内配钢筋冲突需将钢筋断开的部位,钢筋需加强。线管端口及线盒口用专用铁质盖板封堵保护,防止泡沫混凝土浇筑过程中线管堵塞。(4)现场安装定位现场安装时,严格按照排版图施工,每块线盒板立好后、管卡固定前,需用卷尺复测线盒平面位置,用激光仪复测线盒标高,符合图纸设计要求后再固定管卡,否则需用撬棍进行微调,直至符合设计要求。(5)线管连接在线盒板安装前,需将线管切割并剔凿露出管头,待线盒板固定好后,将管头与主体结构施工时预留出来的线管连接,并用专用砂浆将缺口补平,见图4。
图4 线管连接大样图
本文通过线盒板生产中的排版及现场安装定位讲述了线盒板在实际工程中的应用,免去了传统的线盒后预埋施工,避免了开槽对墙体结构的影响以及后补砂浆易开裂的质量隐患,既提高了施工质量,保证了后期精装修质量有利于后期的使用和维护,又免去了开槽预埋工序,缩短了施工工期。
图5 现场安装成型效果图
参考文献
[1]13J104.蒸压加气混凝堵土砌块、板材构造[S].[2]侯兆新等.轻质加气混凝土墙板施工及质量控制[J].施工技术,2011,40(344):5-7.[3]马廷亮.ALC板材拼缝处裂缝控制施工技术[J] .绿色环保建材.2017年06期.