推广 热搜: 采购方式  甲带  滤芯  气动隔膜泵  带式称重给煤机  减速机型号  无级变速机  链式给煤机  减速机  履带 

三种快速检查电气故障方法,火速收藏!【电力】

   日期:2023-08-27 02:04:10     来源:网络整理    作者:本站编辑    评论:0    

 重要提醒 

所有资料均有配套原版文件

扫描文末底部二维码入群可获取

点击链接:
全网唯一!可不办会员、立即下载资料平台,点击→【ABC安全官网】

点我!无条件免费领取800+资料!

全网最全视频库!3000+视频、10万+人关注,你要的都有!

一、电压检查法

电压检查法是利用电压表或万用表的交流电压档,对线路进行带电测量,是查找故障点的有效方法。电压检查法有电压分阶测量法和电压分段测量法。


(1)电压分阶测量法

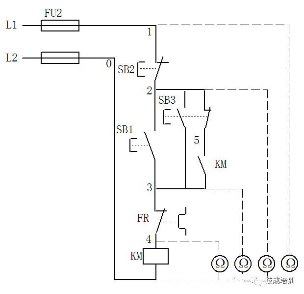
测量检查时,首先把万用表的转换开关置于交流电压500伏的档位上,然后按如图1所示的方法进行测量。

图1 电压分阶测量法

断开主电路,接通控制电路的电源。若按下启动按钮SB1或SB3时,接触器KM不吸合,则说明控制电路有故障。

检测时,需要两人配合进行。一人先用万用表测量0和1两点之间的电压。若电压为380V,则说明控制电路的电源电压正常。然后由另一人按下SB1不放,一人用黑表棒接到0点上,用红表棒依次接到2、3、4、5各点上,分别测量出0-2、0-3、0-4、0-5两点间的电压,根据测量结果即可找出故障点,见表1。

表1 电压分阶测量法查找故障点:

故障现象

测试状态

0-2

0-3

0-4

0-5

故障点

按下SB1或SB3时,KM不吸合

按下SB1不放

0

380V

380V

380V

380V

0

0

380V

380V

380V

0

380V或0

0

380V

380V

0

380V或0

0

0

380V

SB2常闭触头接触不良

SB3常闭触头接触不良

SB1触头接触不良

FR常闭触头接触不良

KM线圈断路


(2)电压分段测量法

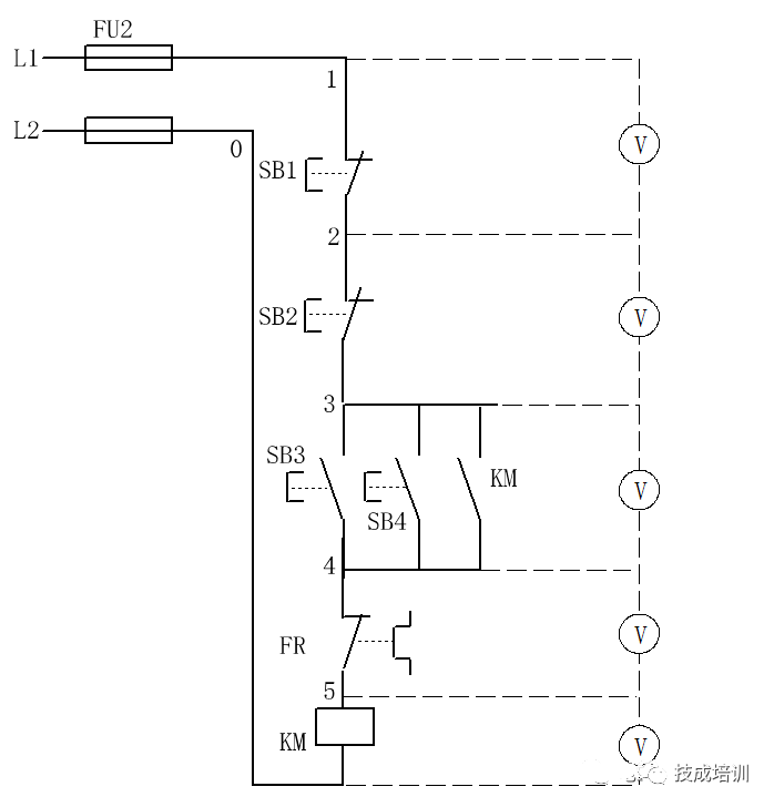
测量检查时,把万用表的转换开关置于交流电压500V的档位上,按如图2所示的方法进行测量。

图2 电压分段测量法

首先用万用表测量0和1两点之间的电压。若电压为380V,则说明控制电路的电源电压正常。然后,一人按下启动按钮SB3或SB4,若接触器KM不吸合,则说明控制电路有故障。这时另一人可用万用表的红、黑两根表棒逐段测量相邻两点1-2、2-3、3-4、4-5、5-0之间的电压,根据其测量结果即可找出故障点,见表2。

表2 电压分段测量法所测电压值及故障点:

故障现象

测试状态

1-2

2-3

3-4

4-5

5-0

故障点

按下SB3或SB4时,KM不吸合

按下SB3或SB4不放

380V

0

0

0

0

0

380V

0

0

0

0

0

380V

0

0

0

0

0

380V

0

0

0

0

0

380V

SB1常闭触头接触不良

SB2常闭触头接触不良

SB3或SB4常开触头接触不良

FR常闭触头接触不良

KM线圈断路

二、  电阻检查法

电阻检查法是利用万用表的电阻档,对线路进行断电测量,是一种安全、有效的方法,电阻检查法有电阻分阶测量法和电阻分段测量法。


(1)电阻分阶测量法

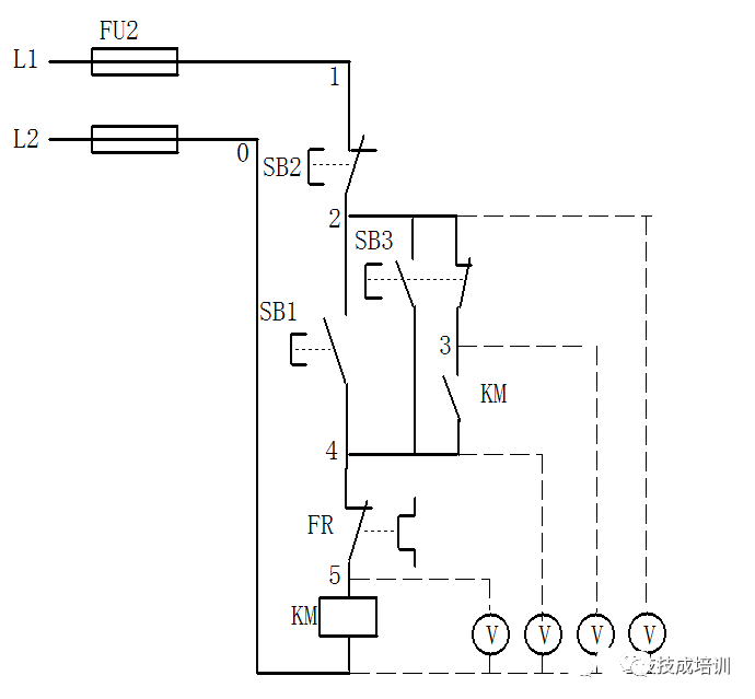
测量检查时,首先把万用表的转换开关置于倍率适当的电阻档,然后按图3所示方法测量。

图3 电阻分阶测量法

测量前先断开主电路电源,接通控制电路电源。若按下启动按钮SB1或SB3时,接触器KM不吸合,则说明控制电路有故障。

检测时应切断控制电路电源(这点与电压分阶测量法不同),然后一人按下SB1不放,另一人用万用表依次测量0-1、0-2、0-3、0-4各两点间电阻值,根据测量结果可找出故障点,见表3。

表3 电阻分阶测量法查找故障点:

故障现象

测试状态

0-1

0-2

0-3

0-4

故障点

按下SB1或SB3时,KM不吸合

按下SB1不放

R

R

R

R

R

R

SB2常闭触头接触不良

SB1或SB3常开触头接触不良

FR常闭触头接触不良

KM线圈断路

注:R为KM线圈电阻值


(2)电阻分段测量法

按图4所示方法测量时,首先切断电源,然后一人按下SB3或SB4不放,另一人把万用表的转换开关置于倍率适当的电阻档,用万用表的红、黑两根表棒逐段测量相邻两点1-2、2-3、3-4、4-5、5-0之间的电阻,如果测得某两点间电阻值很大(∞),则说明该两点间接触不良或导线断路,见表4。电阻分段测量法的优点是安全,缺点是测量电阻值不准确时,容易造成判断错误,为此应注意以下几点:

(1)用电阻分段测量法检查故障时,一定要先切断电源;

(2)所测量电路若与其它电路并联,必须断开并联电路,否则所测电阻值不准确;

(3)测量高电阻电器元件时,要将万用表的电阻档转换到适当档位。

图4 电阻分段测量法

表4  分段测量法所测电阻值及故障点:

故障现象

测量点

电阻值

故障点

按下SB3或SB4时,KM不吸合

1-2

2-3

3-4

4-5

5-0

SB1常闭触头接触不良

SB2常闭触头接触不良

SB3或SB4常开触头接触不良

FR常闭触头接触不良

KM线圈断路

三、 短接检查法

电气设备的常见故障为断路故障,如导线断路、虚连、虚焊、触头接触不良、熔断器熔断等。对这类故障,除用电压法和电阻法检查外,还有一种更为简便可靠的方法,就是短接法。检查时,用一根外层绝缘良好的导线,将所怀疑的断路部位短接,若短接到某处时电路接通,则说明该处断路,具体方法如图5所示。

图5 短接测量法


用短接法检查故障时必须注意以下几点:

☞ 用短接法检查时,是用手拿着绝缘导线带电操作的,所以一定要注意安全,避免触电事故;

☞ 短接法只适用于压降极小的导线及触头之类的断路故障,对于压降较大的电器,如电阻、线圈、绕组等断路故障不能采用短接法,否则会出现短路故障;

☞ 对于工业机械的某些要害部位,必须保证电气设备或机械设备不会出现事故的情况下,才能使用短接法。

短接法检查前,先用万用表测量图5所示1-0两点间的电压,若电压正常,可一人按下启动按钮SB3或SB4不放,然后另一人用一根绝缘良好的导线,分别短接标号相邻的两点1-2、2-3、3-4、4-5(注意千万不要短接5-0两点,否则造成短路),当短接到某两点时,接触器KM吸合,则说明断路故障就在该两点之间,见表5。

表5  法查找故障点:

故障现象

短接点标号

KM动作

故障点

按下SB3或SB4时,KM不吸合

1-2

2-3

3-4

4-5

KM吸合

KM吸合

KM吸合

KM吸合

SB1常闭触头接触不良

SB2常闭触头接触不良

SB3或SB4常开触头接触不良

FR常闭触头接触不良

业内文章精选-有资料哦

▽▽(点击阅读)

今天起,这些新规将影响你我生活

【PPT】有限空间作业安全隐患排查图集

【PPT】危险源辨识培训课件

【合集】如何建立特种设备档案,附:最新特种设备管理,一档搞定!制度、台账、预案

官方答复:安全帽到期后应进行报废处理!安全帽有效期到底是多久?

7分钟叉车事故警示录(包含各种叉车事故)

违规操作,头都扯断了,当场身亡!关于“10.23”青岛某厂机械伤害事故的通报

【PDF】最新《消防产品目录(2022修订本)》

【PDF】最新《危险化学品目录(2022调整版)》

【PPT】2022中高层领导应知应会安全知识(75页)

【WORD】5700字《液氧泄漏应急演练方案》可下载、编辑、直接使用!

【PPT】2022年交通安全日主题教育培训

【WORD】13万字《安全管理制度汇编,这样分类,清晰实用!》可下载、编辑、直接使用!

【PPT】安全生产36忌

【PPT】40页 | 安全管理培训通用课件

【PPT】解读新安法、刑法违法处罚、落实安全生产8个等式15个不等式10个关键13条红线

【安全五分钟】气瓶胶管颜色的规定

【PPT】各类作业十不准禁令汇总大全

【PPT】杜邦安全管理模式

人在屋中坐,祸从身边来!你的办公室安全吗?

【PPT】为什么说年尾是“安全事故高发期”?

深度思考:为什么塔吊配重必须固定?

【PPT】聚焦“四化” 围绕“五能”以信息化推进安徽应急管理现代化

【限时自助下载】员工安全行为观察与沟通

私拉乱接电线酿火灾,监控还原事故发生全过程!

事故实拍:防盗网阻挡火灾逃生

小心“防盗窗”变成“夺命网”

夺命的楼梯和防盗网

身处高层的你,需掌握这些火场逃生知识 | 高层建筑火灾自救

【PPT】空呼的检查及使用

【限时自助下载】员工安全行为手册 ,人手一份

【PPT】工程抢险救援力量建设及战法运用

【限时自助下载】防爆电器选型与隐患辨识

【WORD】应急救援队伍应急救援资金补助管理办法

培训必备:用人单位职业健康工作中存在的常见风险

【WORD】液氧泄漏应急演练方案

【PPT】习惯性违章行为解析

考考你!这些安全标志你都认识吗?不认识就麻烦了!

都是开吊车的,为啥差距这么大?【吊车】

PPT|交叉作业安全技术交流

关于职业病,你了解多少?【职卫】

每个员工都必须掌握消防“四懂三会”

【WORD】某区县《应急救援队伍应急救援资金补助管理办法》可下载、编辑、直接使用!

【PPT】疫情防控狙击战一线是干部的“试金石”

雾天行车风险识别分析与安全行车措施|Word

安全部经理述职报告|Word

燃气事故案例学习|PPT

冬季防火安全|PPT

新《安全生产法》解析及安全生产法律法规培训|PPT

《特种设备安全监察条例(征求意见稿)》,全文摘录!附对照表

灭火器到底要不要“年检”?到底是“3+1”还是“5+2”?依据是什么?看完就明白了!

杀人的电瓶车!西安5死3伤火灾最新消息...这个动作千万别做,最高罚1万!

教育培训、隐患排查未记录!这家企业被罚10.3万元!

@安全人:12月起,这些安全新规标准开始实施!

这也太假了:试卷总分80,成绩竟是100,企业安全培训弄虚造假被罚9000元!

【PPT】147页 | 安全生产教育培训,非常全面!

违规电焊作业惹祸 170余人被行政拘留

【隐患明白卡】第1137期:气瓶充装台设置充装超压报警装置

【隐患明白卡】第1138期:使用燃气场所保证通风良好,燃气具有熄火自动切断或燃气泄漏报警装置

2022年中小学生(幼儿)交通安全教育专题(学校版高学段)【视频】

▲上下滑动查看更多

 更多资料下载:

1:电脑浏览器打开:www.abcanquan.com

2:右上角搜索栏中输入关键字

3:微信扫码下载


提醒1:*苹果手机*下载资料必须用电脑端
提醒2:*苹果手机*必须用电脑端来付费购买资料及办理会员

来源:ABC安全、HSE不止步、网络,侵删

商务合作请后台留言“商务合作


本公众号已开通今日头条号,头条号名称:ABC安全

*苹果手机*收费只能在电脑浏览器进abcanquan.com

资料下载点击“阅读原文

 
打赏
 
更多>同类资讯
0相关评论

推荐图文
推荐资讯
点击排行
网站首页  |  关于我们  |  联系方式  |  使用协议  |  版权隐私  |  网站地图  |  排名推广  |  广告服务  |  积分换礼  |  网站留言  |  RSS订阅  |  违规举报  |  皖ICP备20008326号-18
Powered By DESTOON