手机版
二维码
购物车
(
0
)
供应
求购
公司
团购
展会
资讯
招商
品牌
人才
知道
专题
图库
视频
下载
商圈
推广
热搜:
采购方式
甲带
滤芯
气动隔膜泵
带式称重给煤机
减速机型号
减速机
链式给煤机
履带
无级变速机
首页
供应
求购
公司
团购
展会
资讯
招商
品牌
人才
知道
专题
图库
视频
下载
商圈
首页
>
资讯
>
工艺玩具
图解 | 涤纶与粘胶的生产工艺流程
日期:2023-08-26 10:34:03 来源:网络整理 作者:本站编辑
评论:0
涤纶与粘胶的典型生产工艺流程整理如下:
涤纶生产工艺流程
1、涤纶总体生产工艺流程
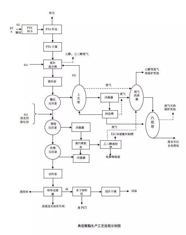
2、典型聚酯生产工艺流程
3、典型涤纶短纤生产工艺流程
4、典型涤纶长丝生产工艺流程
粘胶生产工艺流程
1、粘胶长丝生产工艺流程
2、粘胶短纤生产工艺流程
打赏
更多
>
同类资讯
• 我的粘土小火人也变蓝了?
0
条
相关评论
推荐图文
推荐资讯
点击排行
网站首页
|
关于我们
|
联系方式
|
使用协议
|
版权隐私
|
网站地图
|
排名推广
|
广告服务
|
积分换礼
|
网站留言
|
RSS订阅
|
违规举报
|
皖ICP备20008326号-18
(c)2008-2022 免费发布网 All Rights Reserved