
扫码添加进群↑↑↑↑↑

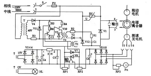
1、可控硅调速电路



2、电磁调速电机控制图



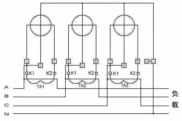
3、三相四线电度表互感器接线



4、能耗制动



5、顺序起动,逆序停止



6、锅炉水位探测装置



7、电机正反转控制电路



8、电葫芦吊机电路



9、单相漏电开关电路



10、单相电机接线图



11、带点动的正反转起动电路



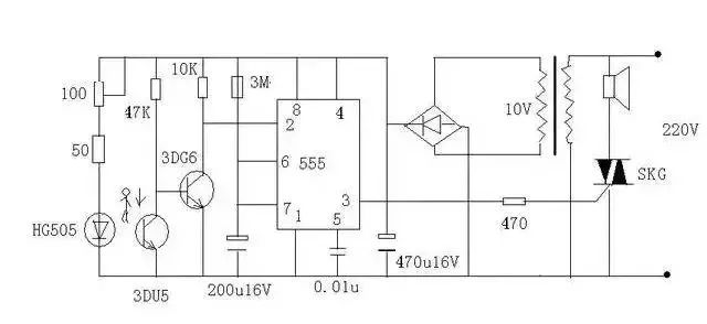
12、红外防盗报警器



13、双电容单相电机接线图



14、自动循环往复控制线路



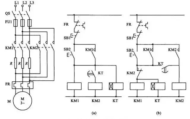
15、定子电路串电阻降压启动控制线



16、按启动钮延时运行电路



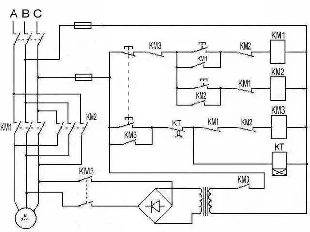
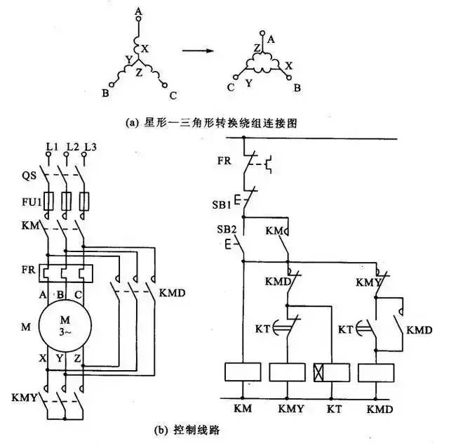
17、星形 - 三角形启动控制线路



18、单向反接制动的控制线路


19、具有反接制动电阻的可逆运行反接制动的控制线路



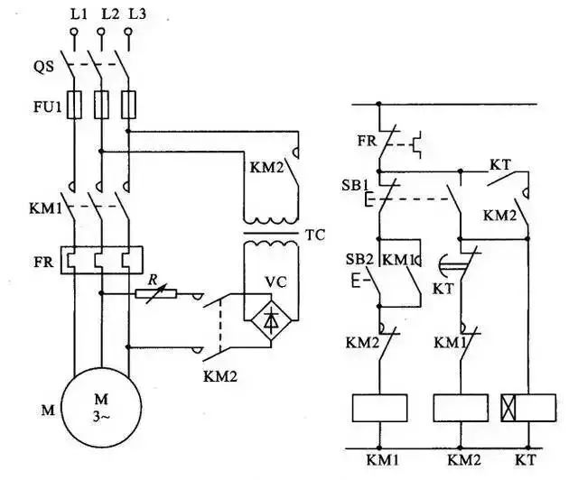
20、以时间原则控制的单向能耗制动线路



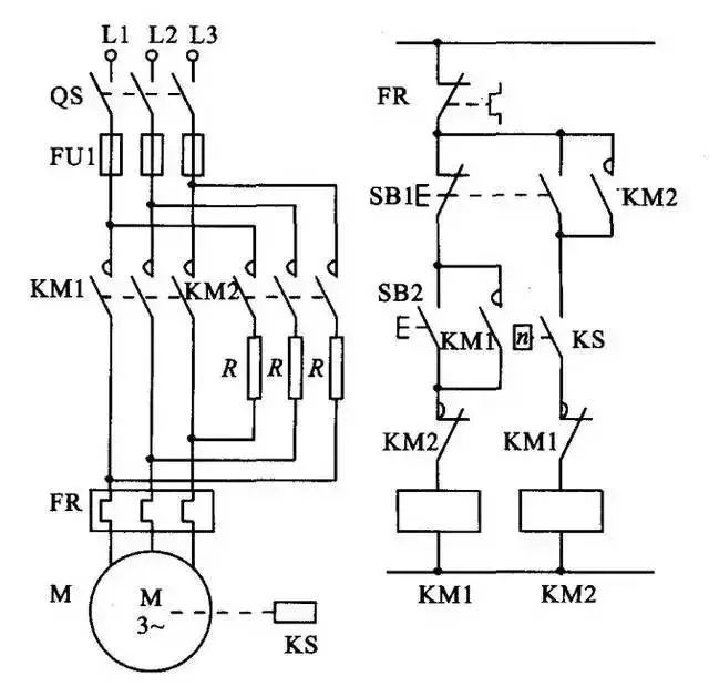
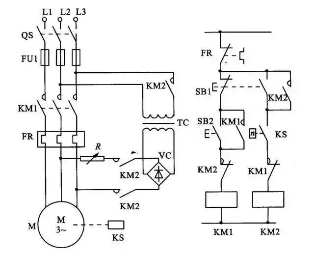
21、以速度原则控制的单向能耗制动控制线路



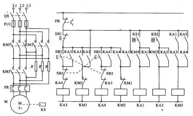
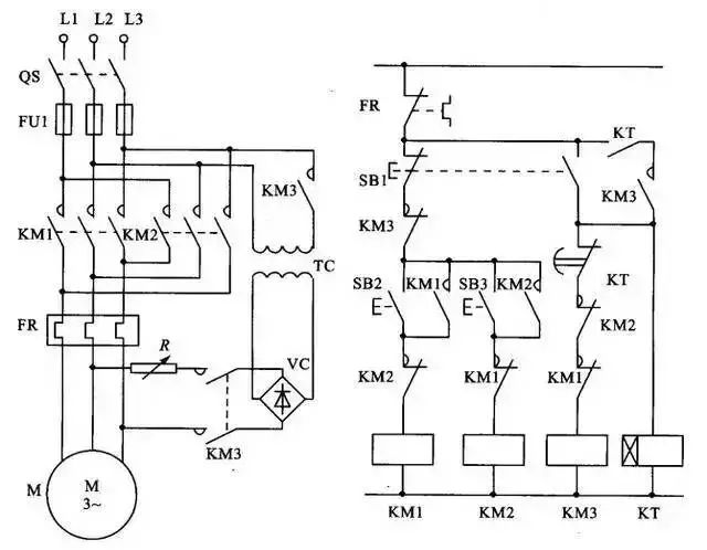
22、电动机可逆运行的能耗制动控制线路



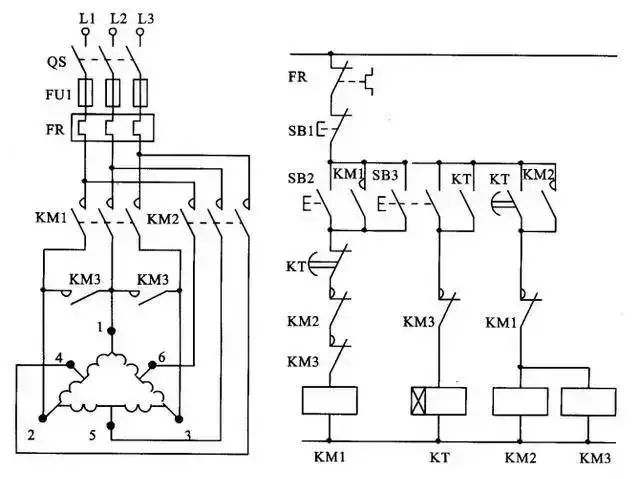
23、双速电动机改变极对数的原理



24、双速电动机调速控制线路



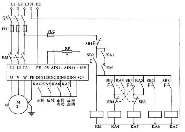
25、使用变频器的异步电动机可逆调速系统控制线路



26、正确连接电器的触点



27、线圈的连接



28、继电器开关逻辑函数



29、三相半波整流电路图



30、三相全波整流电路图



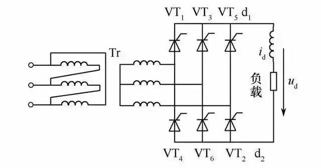
31、三相全波6脉冲整流原理图



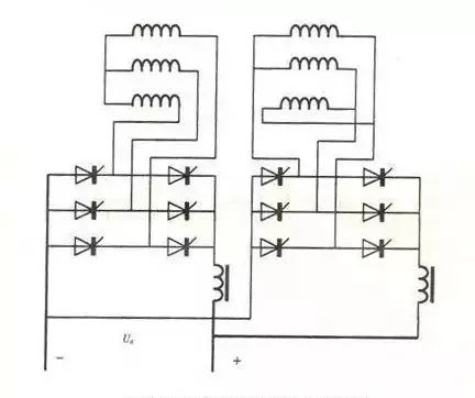
32、六相12脉冲整流原理图



33、负载两端的电压


在一个周期中,每个二极管只有三分这一的时候导通(导通角为120度)。负载两端的电压为线电压。

34、直流调速原理功能图


以上这34个电器接线图,看懂完胜80%的电工!各位小伙伴赶紧点赞收藏吧!
点击关注公众号☟☟☟
扫码添加【天天】回复:电工资料!
可领取电工学习资料包~



