很多人遇到过空开故障引起的问题,那该如何判断空开故障的原因?该怎么解决空开故障?依据什么原则选择空开的大小呢?
接下来会通过几个经典案例,教大家如何解决常见的空气开关问题。
案例回放:王先生家里常使用的大功率电器有浴霸、热水器、电磁炉、洗衣机、抽油烟机等,但是家里的空气开关频繁跳闸,针对这种情况,王先生应该选用多大的空开?

经过分析可知:王先生家中的空气开关在夜晚及节假日跳闸的频率较高,针对这种情况可以在电源线足够大的情况下,选择4平方的铜芯导线,漏电开关可以选30A的(具体参照热水器最大电流);
同时注意,漏电开关自动跳闸次数太多的情况下(一个月超过10次以上)必须要更换较大的漏电开关,另外漏电开关使用超过5年以上即使工作正常也必须更换。
案例回放:家中空开原来在负荷较大时偶尔跳一次闸,但是最近却总在夜晚6点半左右跳闸,且用电负荷不大。这是什么原因造成的?

这种情况很有可能是欠电压保护在起作用。
新的空气开关一般有四种自动保护:
1 过载保护
2 电路短路保护
3 漏电保护
4 欠电压保护
晚六点正是用电高峰,老旧房子的电压低于正常值的情况尤为突出,空开欠电压保护产生作用。
案例回放: 空开合闸几分钟就跳闸(电表下面的接地保护),这究竟是什么原因?

漏电保护器上面的接线孔, 有一个线柱,没有插在孔里。刚好挨着紧线柱的贴片,所以螺丝上的再牢固仍然是接触不良,只要有大功率用电器工作,就会跳闸!
所以针对类似情况,可以按照下列步骤:
先检查空开上面的火线,看线柱有没有都在卡片里!
其次计算电流的大小,判断是否空开选型不当。
如果上述原因都排除了,可以求助专业人士检查一下线路!
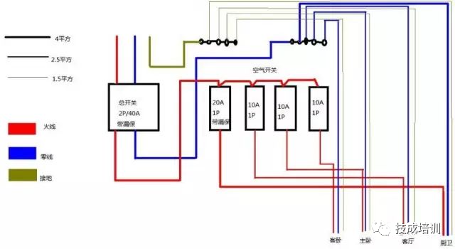
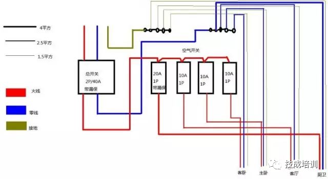
一般家庭的进户线是4mm2的,空气开关选型不宜过小。从总开关至空调插座的导线线径太细,而空调的负载有太大,也会造成跳闸。
空开老化,也会造成跳闸。如果仍然跳闸,就需要专业电工检查一下线路。
案例回放: 工厂空开白天正常工作,但每到凌晨总空开频繁跳闸,推上之后过1、2个小时内又会再次跳闸,这种怎么解决?
PS:另外白天正常的用电量大,夜间只有1.5空调和小型冰箱在工作。

可以利用排除法解决这个问题。
首先空开跳闸有几点原因:1.过负荷 2.有漏电的用电器或者线路 3.空开机构损坏。
外进线电压过高引起的。为空开问题,换;
第一,开关有问题;
第二,如果是空气开关就是线路过载了,如果是漏电开关那线路有漏的存在;
第三,你检查线路接头处或接线端有没有松动的,尽快加固。漏电保护器跳闸和空气开关跳闸性质不一样,你应该把这个先搞清楚!如你所说应该是漏电保护器跳闸,负荷开关应该不会,除非有人偷你的电。重点检查电气线路或是电器设备是否漏电。
案例回放: 宿舍楼总空气开关 400A,分出7个100A的空开。白天用电负荷小,但是 400A的空开频繁跳闸 ,100A的空开却不跳闸。这是什么原因?

可能有以下几点原因:
1. 空气开关本身就是不良品(概率极小)
2. 三相不平衡,负载集中于某一相(概率极小)
3. 400A空开有漏电保护功能,且线路漏电电流超过保护值。
4. 宿舍里有人使用质量不好的电器或者插排
5. 开关接线松动,接头处温度过高
案例回放: 乔迁新居,装修的时候原装电路没动,只更换了电器。总频繁跳闸,什么原因啊?

可以更换新的空开,也可能是线路接触不良。
案例回放: 为什么空开频繁跳闸,更换过后仍然如此?

首先应该排除空开的问题了, 现在家用空开一般选用36A的。
初步估计是电源线路老化的问题。
先把空开的进线接上,负载线不接,合闸。如果跳闸,就是空开故障。若空开不调,再接上负载线(先拔掉所有插座)。接着把灯打开,看看空开跳不跳。若不跳,再逐个试插座,若有跳闸,就排查该插座的对应线路。
另外要计算家中电器总功率是多少,然后除以220,根据实际电流选择空开大小。
PS:需要注意你进户线,若空开选定20A以上的,线径要保持4平以上。

免责声明:本文转自网络,版权归原作者所有,如有侵权请及时与我们联系删除,谢谢!

下方扫码即可免费体验电工和PLC的VIP课程

扫码免费学习PLC课程
点击阅读原文,系统学习电工、PLC全套视频


