

▲轴承摩擦原理

▲机械手臂

▲涡轮变速箱


▲差速器

球齿机机构

来一张机械前言以前发过的老图,齿轮、梁板、凸轮、滑轨……看似简单的零部件,被天才工程师巧妙地组合到一起,就能精确完成各类复杂的工作。

机械动态图用一种简短的动画方式清晰的表达出了机械动作、原理和制作过程,令人神往,堪称机械行业的最美写真图,喜欢机械人的往往看后喜欢的不得了!

四冲发动机
▼

单曲轴对置活塞式发动机直升机
▼

双直列八缸蒸汽发动机
▼

凸轮导轨机构
▼

斯特林发动机
▼

水平对置发动机
▼

缝纫机
▼

机械手
▼


滑块机构
▼

夹具
▼

飞机发动机
▼

破碎机
▼

凸轮式间歇运动机构
▼

带传动
▼

齿轮传动
▼

齿轮齿条传动
▼

喜欢吗
小编想听到你的声音
最后再来一个能看分钟的动图


▲100多年前,古老自鸣钟的自动报时小鸟机构

▲别小瞧一直原子笔,机械结构绝对不简单

▲看到这个齿轮机构,心都碎了

▲仔细看和琢磨才发现这个看似简单机构的奥妙

▲凸轮还是齿轮?你分得清吗

▲全自动小型冲锋枪的上弹、击发、退壳机构,看三分钟,才有完整连续的印象

▲特殊的减速传动机构,有没有参考性?

▲中学生用乐高积木营造的自动化世界

▲周期性滑轨拨叉机构,巧妙而常用的机械结构

▲细密的小型金属锁链就是这样高速形成的

▲最清晰、完整的自动枪械(机枪)上弹、击发、退壳机构

▲扭簧摆动机构,工程师既熟悉又陌生的机构

▲连续摆、滑机构

▲这一定是中国保定出品的机械手,保定府才玩铁球嘛

▲鲁班自制飞鸟,骑乘游九州,不是传说哦

▲让人发狂的异型齿轮机构,你能想象其中的三维啮合和运行状态吗

▲除了炫技,这个齿轮机构实在没有卵用

▲德国人菲加士·汪克尔在上世纪初发明的转子发动机

▲数一数,这是多少缸、多少气门的发动机

▲机械工程师给妻子的戒指,每次吵架狂怒可以转动几下静一静,败败火,结果……更抓狂了

▲磁性软泥吞没小铁球,只要在软泥中添加细细的氧化铁粉就可以制成这样神奇的自带吞噬功能的磁性泥了。

▲好麻利,看着手疼

▲原来这就是装冰淇淋的蛋卷

▲开锁过程原来是这样的

▲火车头原理

▲电梯门(原来电梯门是这样开关的啊)

▲一排排子弹的自动生产过程

▲红通通的玻璃瓶加工过程

▲螺旋状的通心粉就是这样被制造出来的

▲晾衣架一次成型

▲一张图看懂电风扇的结构

▲两种液体勾兑的神奇

▲神奇的家具

▲木质模仿水波

▲星型发动机工作原理

▲飞机的星形发动机

▲缝纫机

▲舰炮弹药装填系统

▲汽车等速万向节

▲V 型发动机 ——汽缸排列在成一定角度的两个平面上,V6发动机

▲直列式发动机——它的汽缸肩并肩地排成一排,L4发动机,一般的车都用

▲水平对置式发动机 ——汽缸排列在发动机相对的两个平面上,保时捷911用的是这种的6缸

▲马耳他十字机芯——用于控制时钟的秒针运动

▲斯特林发动机

▲铁链制作原理

▲拉链工作原理

▲无管虹吸原理

▲确认就这样悄悄的进村吗

▲简直是脑洞大开,打火机和火柴结婚后
▲这只手确认一直动下去,大拇指表示不满
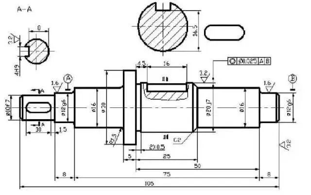
给你一张机械图纸,你认识多少?

欢迎留言转发,一起涨知识!
声明:文章内容来源于网络,本文不作任何商业用途,如不慎侵权,请联系小编。

— 往期回顾 —
2023.08.16

2023.08.03

2023.08.03



欢迎关注矿业权学堂





