手机版
二维码
购物车
(
0
)
供应
求购
公司
团购
展会
资讯
招商
品牌
人才
知道
专题
图库
视频
下载
商圈
推广
热搜:
采购方式
滤芯
甲带
减速机
气动隔膜泵
减速机型号
带式称重给煤机
履带
无级变速机
链式给煤机
首页
供应
求购
公司
团购
展会
资讯
招商
品牌
人才
知道
专题
图库
视频
下载
商圈
首页
>
资讯
>
电工电气
精通这30多个电气控制图,皆为顶尖高手!
日期:2023-08-16 20:38:29 来源:网络整理 作者:本站编辑
评论:0
对于没有任何基础或者一个入门阶段的同学们来说,电气控制原理可能有些复杂。
因
此,小编特意
准备了以下30多个电气控制图,
希望能够为
各位初学者
打开通向电气领域的大门,让各位小伙伴能够从基础开始,逐步掌握其中的奥秘,一起来看看吧:
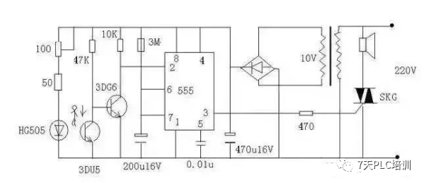
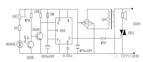
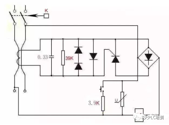
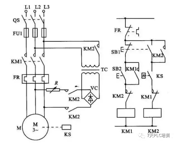
可控硅调速电路
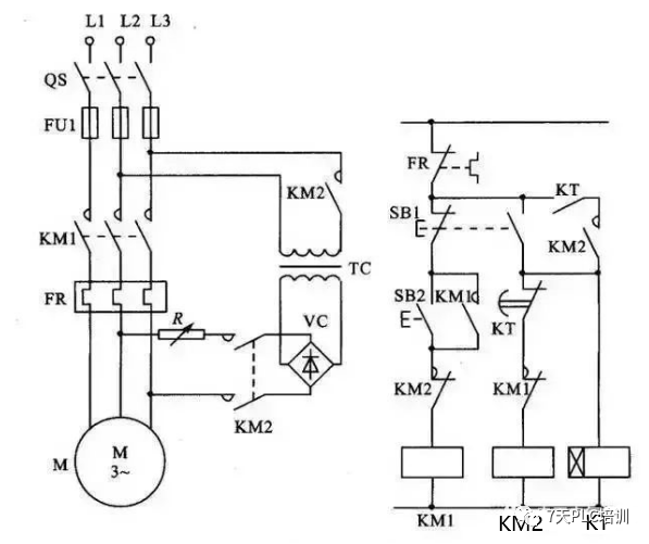
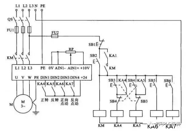
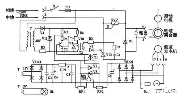
电磁调速电机控制图
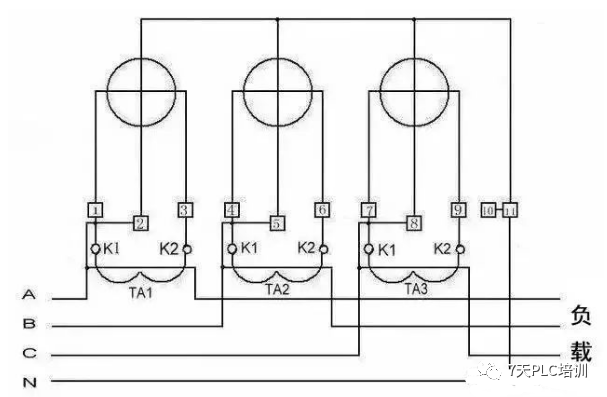
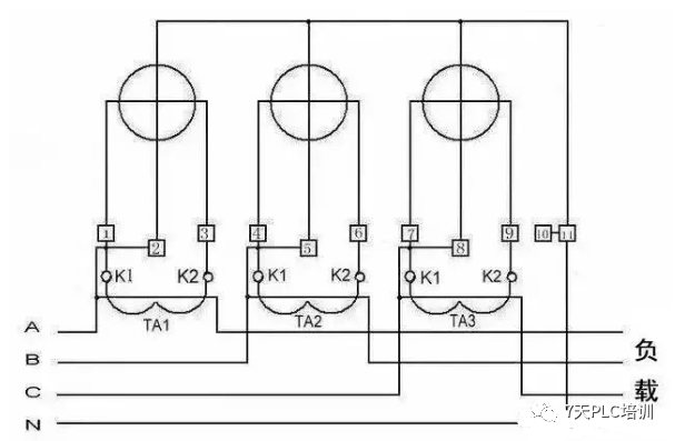
三相四线电度表互感器接线
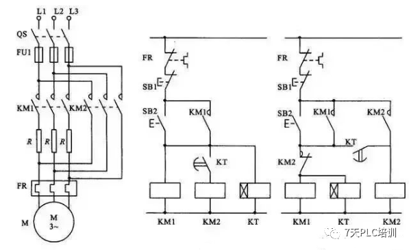
能耗制动
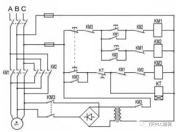
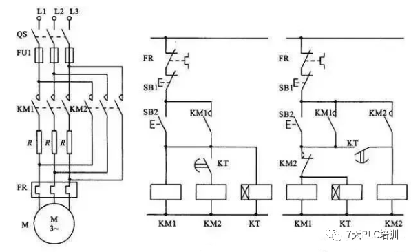
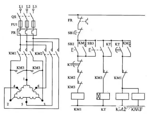
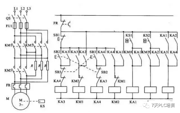
顺序起动,逆序停止
锅炉水位探测装置
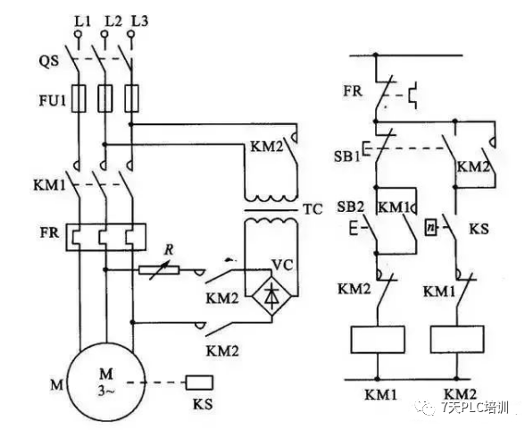
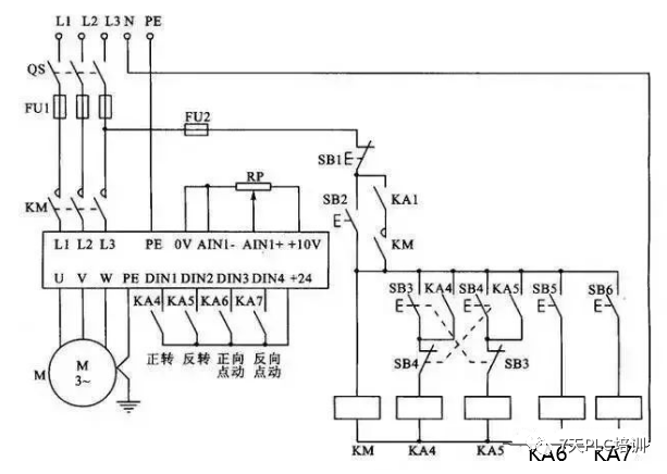
电机正反转控制电路
电葫芦吊机电路
单相漏电开关电路
单相电机接线图
带点动的正反转起动电路
红外防盗报警器
双电容单相电机接线图
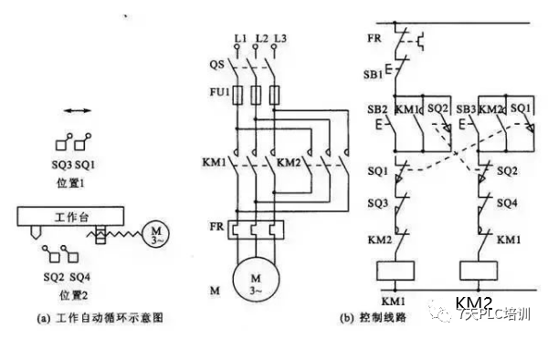
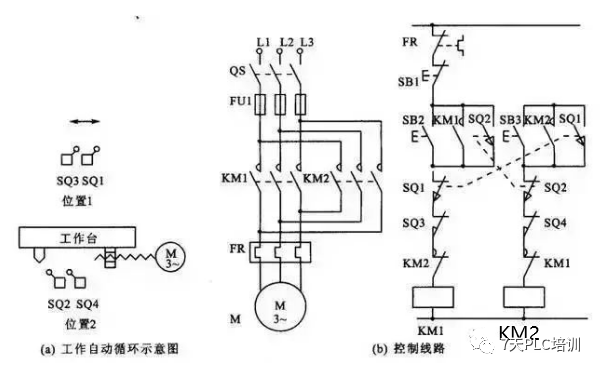
自动循环往复控制线路
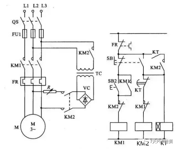
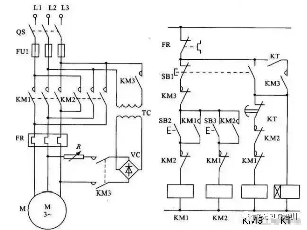
定子电路串电阻降压启动控制线
按启动钮延时运行电路
星形 - 三角形启动控制线路
单向反接制动的控制线路
反接制动电阻的可逆运行反接制动
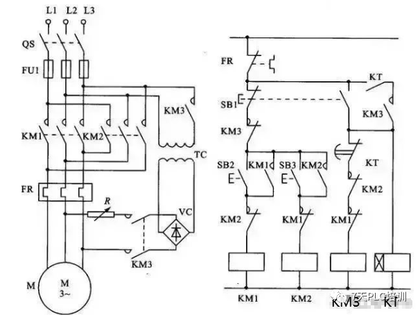
以时间原则控制的单向能耗制动线路
单向能耗制动控制线路
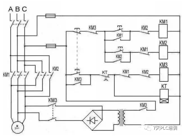
电动机可逆运行的能耗制动控制线路
电动机改变极对数的原理
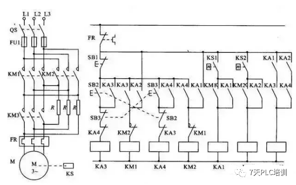
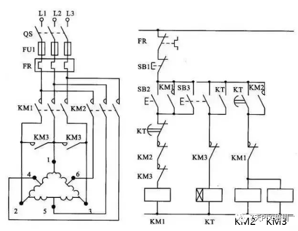
双速电动机调速控制线路
异步电动机可逆调速系统控制线路
正确连接电器的触点
线圈的连接
继电器开关逻辑函数
三相半波整流电路图
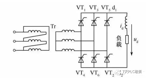
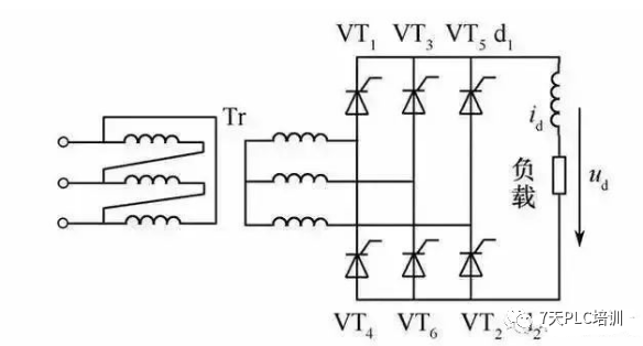
三相全波整流电路图
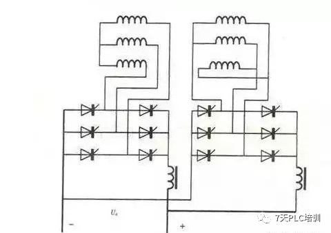
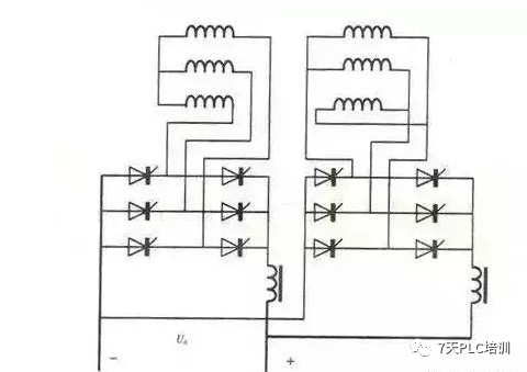
三相全波6脉冲整流原理图
六相12脉冲整流原理图
负载两端的电压
直流调速原理功能图
-END-
关注我们
关注更多PLC小知识
打赏
更多
>
同类资讯
• 卑微打工人在线求厂家
0
条
相关评论
推荐图文
推荐资讯
点击排行
0
1
稳压器
0
2
铜柱式大功率150KVA稳压器
0
3
三相电力稳压器和普通稳压器区别在哪?
0
4
1500卖30KVA稳压器 需要自己来拉
0
5
高低压智能组合式稳压器!SBW大功率稳压器
0
6
工厂大功率稳压器的作用
0
7
大功率交流稳压器的作用
0
8
大功率稳压器有必要买吗?
0
9
80kw稳压器是智商税吗?
网站首页
|
关于我们
|
联系方式
|
使用协议
|
版权隐私
|
网站地图
|
排名推广
|
广告服务
|
积分换礼
|
网站留言
|
RSS订阅
|
违规举报
|
皖ICP备20008326号-18
(c)2008-2022 免费发布网 All Rights Reserved