

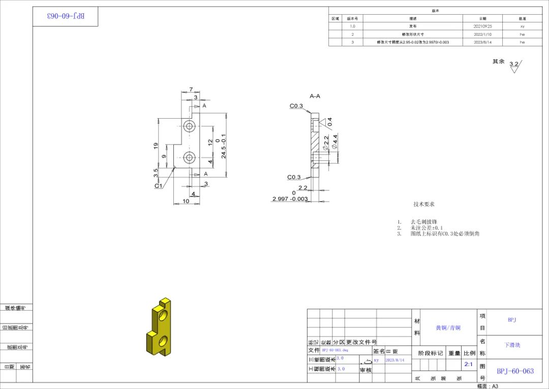
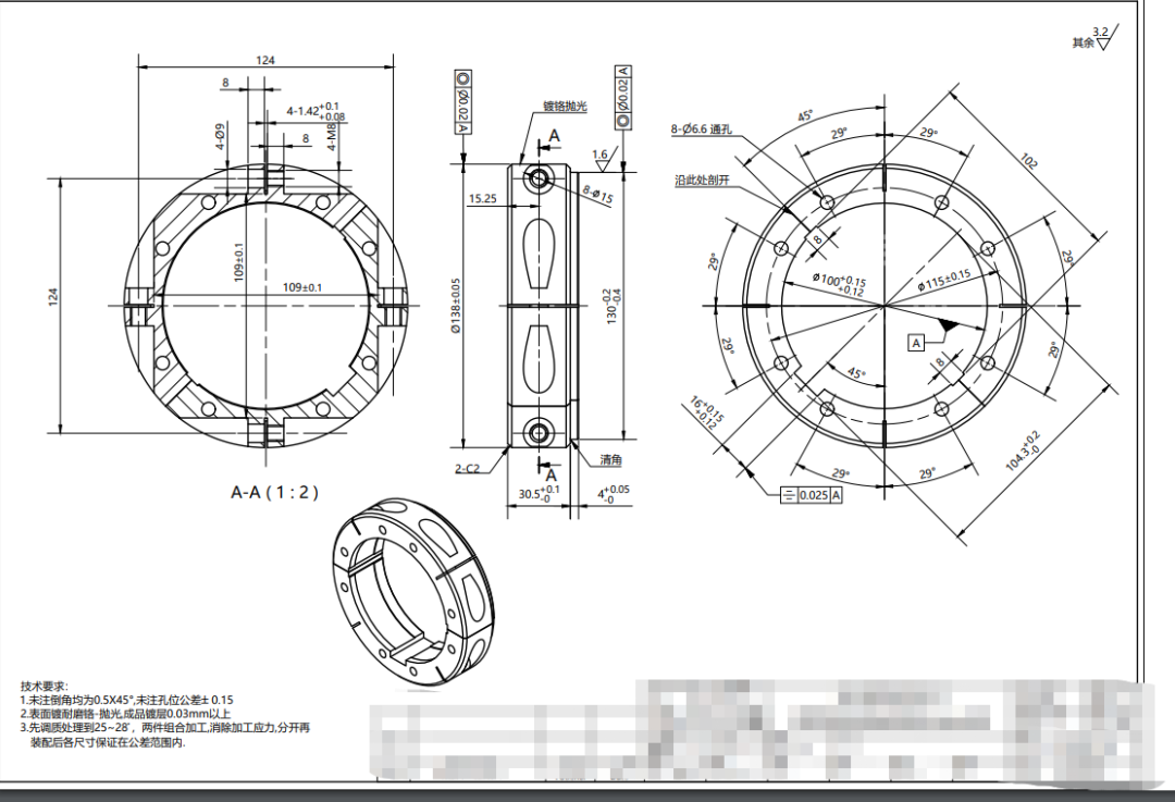
订单编号:20230816-1
订单信息 :滑块加工
详细内容:如图所示,按图纸加工,材质H62铜,需要精密磨床,能做的厂家联系
数量:700件
地点:广东 深圳
联系人: 先生
电话:公众号首页点击联系各省群主

订单编号:20230816-2
订单信息 :车削加工
详细内容:如图所示,按图纸加工,材质材质:1.4305 X10 CrNiS 18-9,能做的厂家联系
数量:100件
地点:江苏 苏州
联系人: 先生
电话:公众号首页点击联系各省群主

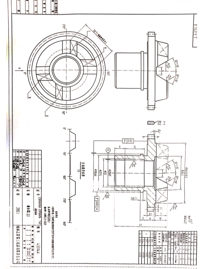
订单编号:20230816-3
订单信息 :双凹导轮加工
详细内容:如图所示,按图纸加工,材质45#钢调质,能做的厂家联系
数量:100件
地点:湖南 株洲
联系人 : 先生
电话:公众号首页点击联系各省群主

订单编号:20230816-4
订单信息 :真空电镀加工
详细内容:产品首饰类,有认识广大地区做真空电镀的供应商吗? 有的话麻烦联系一下!
数量:1批
地点:广东 惠州
联系人 : 先生
电话:公众号首页点击联系各省群主
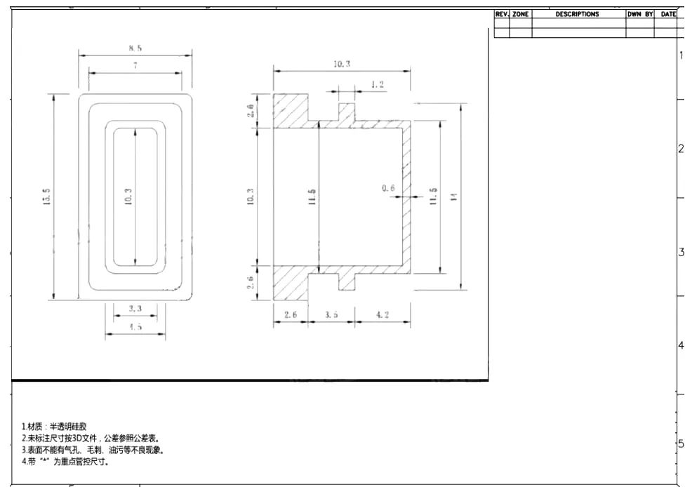
订单编号:20230816-5
订单信息 :开关防水套加工
详细内容:如图所示,按图加工,这款开关防水套(宫庭灯用),15.5*8.5*10.3mm,半透明硅胶,公模的联系我。谢谢!
数量:600件
地点:广东 深圳
联系人: 小姐
电话:公众号首页点击联系各省群主

订单编号:20230816-6
订单信息 :毛坯件加工
详细内容:如图所示,按图加工,材质A3,只要毛坯,浙江内最好是诸暨附近的能做的电话联系。
数量:600件
地点:浙江 温州
联系人: 先生
电话:公众号首页点击联系各省群主


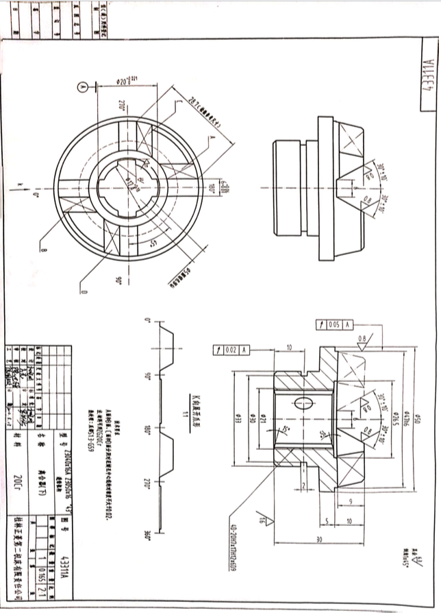
订单编号:20230816-7
订单信息 :离合器加工
详细内容:如图所示,按图加工,分别30件和40件,能做的厂家联系
数量:70件
地点:湖南 长沙
联系人: 先生
电话:公众号首页点击联系各省群主


订单编号:20230816-8
订单信息 :采购硅胶圈
详细内容:如图所示,目标价格:0.98元 个,含模具,运,税。计划采购数量:100万件 年。采购方式:货到付款,现货现款。采购说明: 1、可分批采购。2、希望制造商保证质量,质量做得 的供应商可以提价。3、采购程序:1样品合格,2 小批量合格,3 合同,之后按合同办
数量:100万件/年
地点:广东 东莞
联系人: 先生
电话:公众号首页点击联系各省群主

订单编号:20230816-9
订单信息 :不锈钢外六角光杆
详细内容:如图所示,:201或者304材质的外六角,6*175,不需要牙,整根光杆就可以,长期用,一次1000支!有可以接单的报价给我
数量:1000件/批
地点:福建 泉州
联系人 : 先生
电话:公众号首页点击联系各省群主

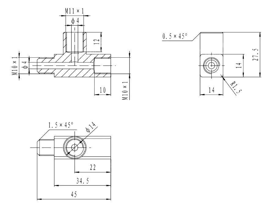
订单编号:20230816-10
订单信息 :异形件加工
详细内容:如图所示,按图加工,能做的厂家联系
数量:400件
地点:河北 邯郸
联系人 : 先生
电话:公众号首页点击联系各省群主

订单编号:20230816-11
订单信息 :包装吸塑盒
详细内容:如图所示,沉板,1.9级吸塑盒,需长期供应商。
数量:10万件
地点:广东 深圳
联系人: 先生
电话:公众号首页点击联系各省群主

订单编号:20230816-12
订单信息 :钢件加工
详细内容:如图所示,材质20#钢材,首批5000件,能做的报价
数量:5000件
地点:山东 青岛
联系人: 先生
电话:公众号首页点击联系各省群主

订单编号:20230816-13
订单信息 :钛合金件加工
详细内容:如图所示,按图纸加工,材质TC钛合金,28元不含税,能做联系
数量:3万件
地点:广东 东莞
联系人: 先生
电话:公众号首页点击联系各省群主




订单编号:20230816-14
订单信息 :无缝钢管加工
详细内容:如图所示,按图纸加工,请详细查看图纸要求,能做的厂家联系
数量:210吨
地点:广东 东莞
联系人: 先生
电话:公众号首页点击联系各省群主

订单编号:20230816-15
订单信息 :铝合金按键
详细内容:如图所示,按图纸加工,材质6061铝,能做的厂家联系
数量:15件
地点:上海
联系人: 先生
电话:公众号首页点击联系各省群主

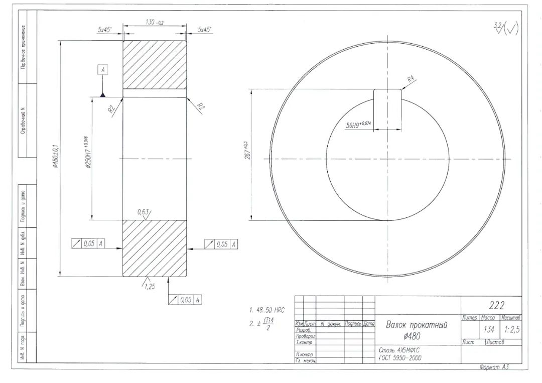
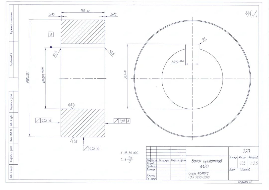
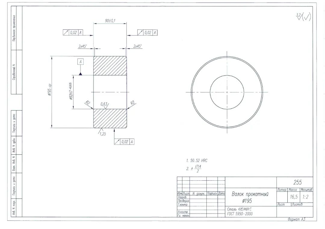
订单编号:20230816-16
订单信息 :辊件加工
详细内容:如图所示,按图纸加工,4款辊件产品加工,共计32件,能做的厂家联系
数量:32件
地点:河南 郑州
联系人: 先生
电话:公众号首页点击联系各省群主





订单编号:20230816-17
订单信息 :钢件加工
详细内容:如图所示,按图纸加工,材质45#钢,能做的厂家联系
数量:1套
地点:广东 东莞
联系人: 先生
电话:公众号首页点击联系各省群主


订单编号:20230816-18
订单信息 :五金件加工
详细内容:如图所示,按图纸加工,能做的厂家联系
数量:10万件
地点:河北 邯郸
联系人: 先生
电话:公众号首页点击联系各省群主

订单编号:20230816-19
订单信息 :尼龙钩子
详细内容:如图所示,产品颜色:黑色,材质:尼龙,数量:1000PCS,尺寸:2.2CM*1.5CM*3CM,要求:现货,或是有现有模具的,能做的厂家联系
数量:1000件
地点:广东 中山
联系人: 先生
电话:公众号首页点击联系各省群主

订单编号:20230816-20
订单信息 :铝挤出加工
详细内容:如图所示,找铝挤压供应商,最好是东莞附近的,先试产,试产后量产产品
数量:1批
地点:湖南 衡阳
联系人: 先生
电话:公众号首页点击联系各省群主

订单编号:20230816-21
订单信息 :硅胶表带
详细内容:如图所示,采购硅胶表带和硅胶表克各1万件,能做的厂家联系
数量:2万
地点:广东 深圳
联系人: 先生
电话:公众号首页点击联系各省群主





