
订单编号4-3
图纸拆链器谁嫩个做,需要5-10万只,能做的电话联系报价。
地区:江苏 常州
联系方式:时正洪13016851251

订单编号4-4
橡胶产品,每个月60-70吨,能做的厂家联系。
地区:江苏 南京
联系方式:徐19863438939


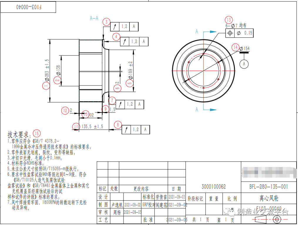
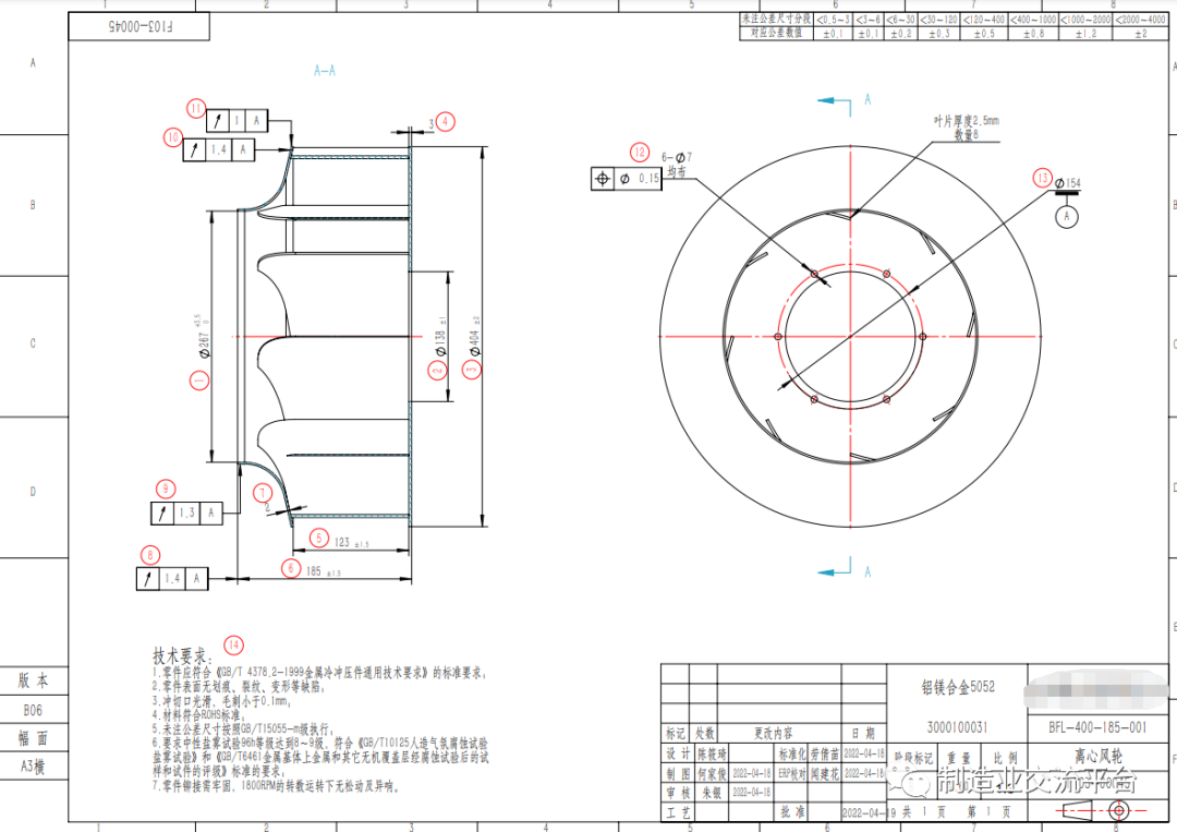
订单编号4-5
图中产品谁能做,10万件/年,7个类似规格,能做的电话联系。
地区:北京 大兴
联系方式:武18910076906
订单编号5-1
杭州亚运会活动板房2套,可以做好联系我,按着图纸要求全部做好,19万含税二套,验收合格立即付清!按着图纸要求施工完成,包括里面全部。
地区:浙江 杭州
联系方式:谢大银18868850793

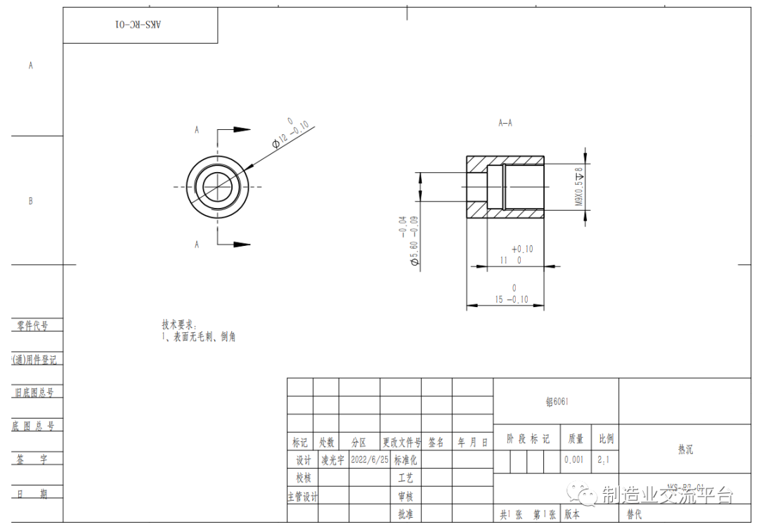
订单编号5-2
寻外协加工厂家,按图纸要求,试制品,就1件需求,能做的联系,没有加工地区要求。
地区:山东青岛
联系方式:高18678958102



订单编号5-3
寻外协加工厂家,气缸,Q235材质,预计30个,能做的联系。
地区:江苏 南通
联系方式:环13912210968



订单编号5-4
图中产品谁能做,长期订单:大号单价:0.3元/件。小号,0.11元/个,含税,含运,含材料,含加工-产品不需要表面处理,无毛刺,无滑伤:大号,订单数量:15000件,小号10000件,付款方式:预付款二十,余款60天。最高峰10万一个月订单量,能接受单价与付款方式实力厂家联系。
地区:浙江 杭州
联系方式:谢大银18868850793


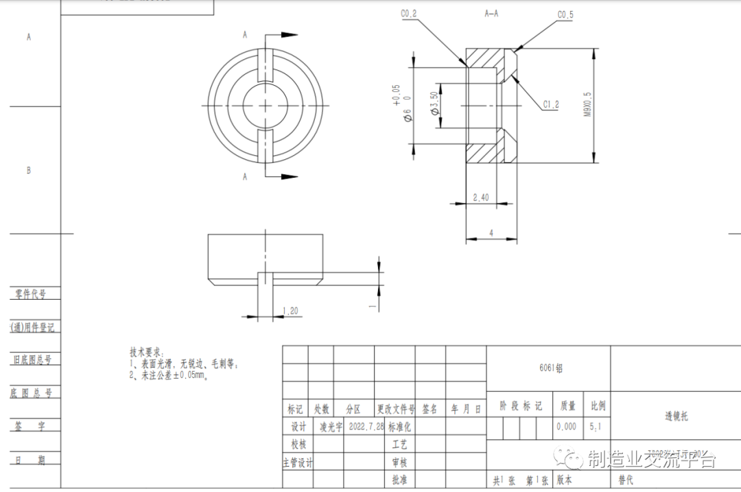
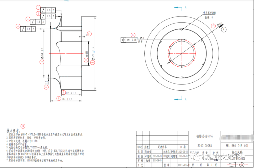
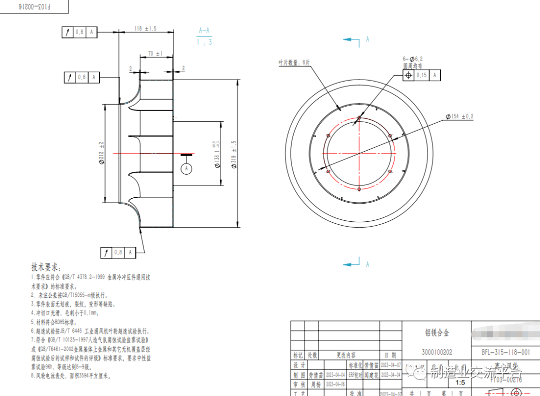
订单编号5-5
图中产品谁能做,图纸比较多能做的具体电话联系索要全部图纸。
地区:浙江 杭州
联系方式:谢大银18868850793









订单编号6-1
求购珩磨头配件,油石座数百个,见图纸3张,具体电话联系。
地区:辽宁 沈阳
联系方式:杨丽13840165126



订单编号6-2
哪家有做国标20#冷拔钢丝?需要10多吨,能报价的微信联系。
地区:广东 广州
联系方式:潘伟思13760799618
本平台订单和采购信息来自群友提供发布,请谨慎使用,谢谢!


