依据TSG Z6001-2019《特种设备作业人员考核规则》、TSG Z6002-2010《特种设备焊接操作人员考核细则》要求如下:
一.特种设备作业人员初次取证:
1.申请人应当符合下列条件:
(一)年龄18周岁以上且不超过60周岁,并且具有完全民事行为能力;
(二)无妨碍从事作业的疾病和生理缺陷,并且满足申请从事的作业项目对身体条件的要求;
(三)具有初中以上学历,并且满足相应申请作业项目要求的文化程度;
(四)符合相应的考试大纲的专项要求。
2.申请人应当向工作所在地或者户籍(户口或者居住证)所在地的发证 机关提交下列申请资料:
(一)《特种设备作业人员资格申请表》 ( 1份);
(二)近期2寸正面免冠白底彩色照片(2张);
(三)身份证明(复印件1份);
(四)学历证明(复印件1份);
(五)体检报告(1份,相应考试大纲有要求的)。
二.特种设备作业人员复审:
1.持证人员应当在持证项目有效期届满的1个月以前,向工作所在地或者户籍(户口或者居住证)所在地的发证机关提出复审申请,并提交下列资料:
(一)《特种设备作业人员资格复审申请表》 (1 份);
(二)《特种设备安全管理和作业人员证》 (原件)。
2.满足下列要求的,复审合格:
(一)年龄不超过 65 周岁;
(二)持证期间,无违章作业、未发生责任事故;
(三)持证期间, 《特种设备安全管理和作业人员证》的聘用记录中所从事持证项目的作业时间连续中断未超过 1 年。

三.焊接操作人员初次取证:
报名参加考试的焊工,应当向考试机构提交以下资料:
(一)《特种设备焊接操作人员考试申请表》 (1份);
(二)居民身份证(复印件,1份);
(三)正面近期免冠照片(1寸,2张);
(四)初中以上(含初中)毕业证书(复印件)或者同等学历证明(1份);
(五)医疗卫生机构出具的含有视力、色盲等内容的身体健康证明。
《特种设备焊接操作人员考试申请表》由用人单位或者培训机构签署意见, 并且明确申请人经过安全教育和培训的内容及课时。
四.焊接操作人员复审:
1.申请复审时,持证焊工应当提交以下资料:
(一)《特种设备焊接操作人员复审申请表》 (1份);
(二)《特种设备作业人员证》 (原件);
(三)《特种设备焊接操作人员焊绩记录表》 (1份);
(四)《特种设备焊接操作人员考试基本情况表》 (1份);
(五)焊接操作技能考试检验记录表(适用于重新考试或者抽考的焊工, 1份);
(六)医疗卫生机构出具含有视力、色盲等内容的身体健康证明(原件)。
《特种设备焊接操作人员复审申请表》由聘用焊工的单位或者培训机构签署意见,明确申请人经过安全教育和培训的内容及课时,有无违规、违法等不良记录。
2.复审时,满足以下所有要求的为复审合格:
(一)提交的复审申请资料真实齐全;
(二)年龄不超过55岁(超过 55 岁的按照TSG Z6002-2010第二十九条要求)的;
(三)没有因违反工艺纪律以致发生重大质量事故的;
(四)重新考试合格的项目或者按照TSG Z6002-2010附件A的A8,附件B的B7抽考合格的项目。
五.各考试项目学历要求、体检要求具体如下表:
序号 | 种类 | 作业项目 | 项目代号 | 学历要求 | 体检要求 |
1 | 特种设备安全管理 | 特种设备安全管理 | A | 中专/高中及以上学历 | 不需要 |
2 | 锅炉作业 | 工业锅炉司炉 | G1 | 中专/高中及以上学历 | 不需要 |
电站锅炉司炉 | G2 | 不需要 | |||
锅炉水处理 | G3 | 体检表(眼科) | |||
3 | 压力容器作业 | 快开门式压力容器操作 | R1 | 初中及以上学历 | 不需要 |
移动式压力容器充装 | R2 | 初中及以上学历 | 不需要 | ||
氧舱维护保养 | R3 | 中专/高中及以上学历 | 不需要 | ||
4 | 气瓶作业 | 气瓶充装 | P | 初中及以上学历 | 不需要 |
5 | 电梯作业 | 电梯修理 | T | 初中及以上学历 | 不需要 |
6 | 起重机作业 | 起重机指挥 | Q1 | 初中及以上学历 | 不需要 |
起重机司机 | Q2 | 初中及以上学历 | 不需要 | ||
7 | 客运索道作业 | 客运索道修理 | S1 | 中专/高中及以上学历 | 不需要 |
客运索道司机 | S2 | 体检表(眼科) | |||
8 | 大型游乐设施作业 | 大型游乐设施修理 | Y1 | 初中及以上学历 | 不需要 |
大型游乐设施操作 | Y2 | 初中及以上学历 | 不需要 | ||
9 | 场(厂)内专用机动车辆作业 | 叉车司机 | N1 | 初中及以上学历 | 体检表(眼科+肢体) |
观光车和观光列车司机 | N2 | 初中及以上学历 | |||
10 | 安全阀附件维修作业 | 安全阀校验 | F | 中专/高中及以上学历 | 不需要 |
11 | 特种设备焊接作业 | 金属焊接操作 | / | 初中及以上学历 | 体检表(眼科) |
非金属焊接操作 | / | 初中及以上学历 |
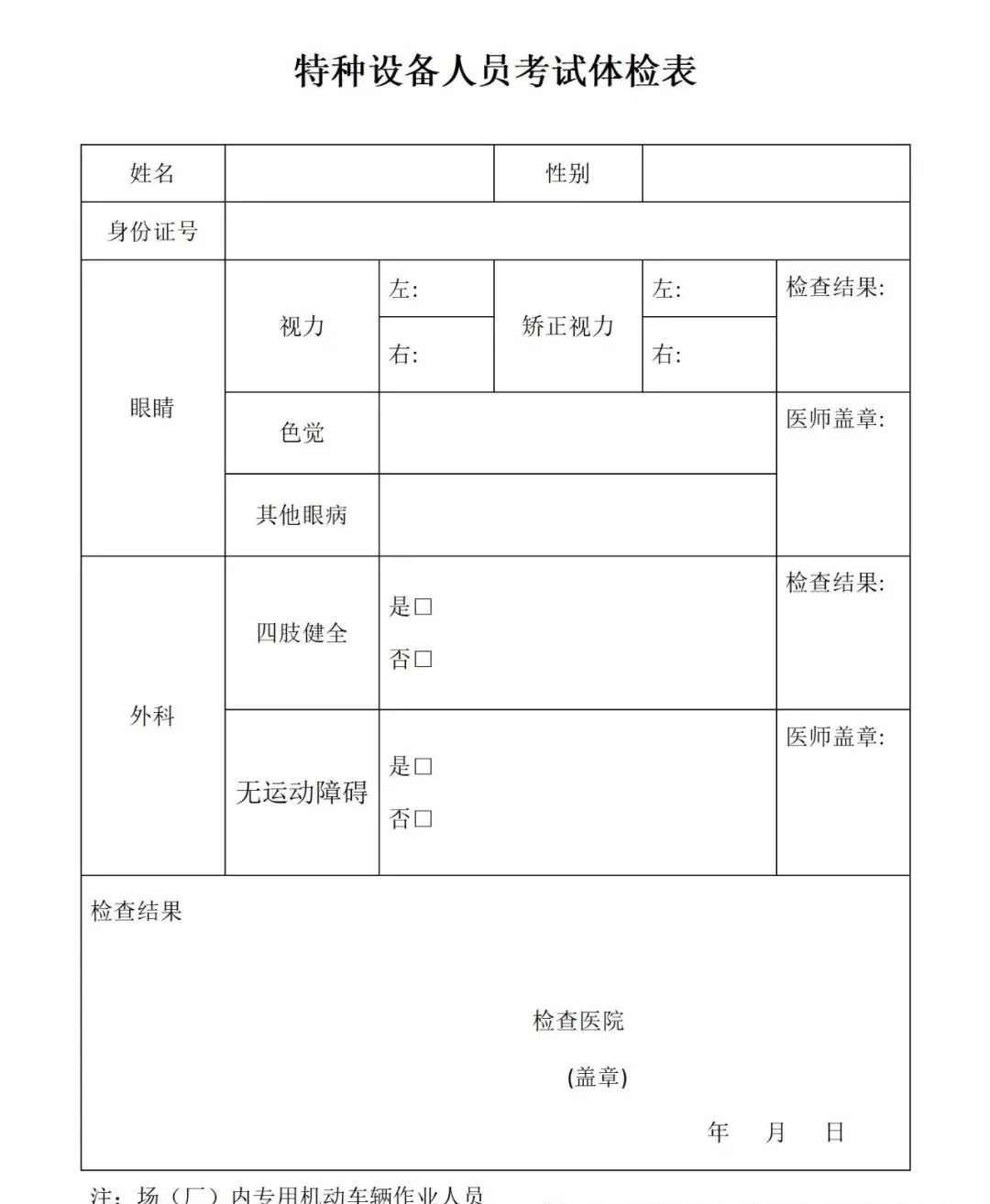
附件一:体检表(眼科)
附件二:场(厂)内专用机动车辆作业人员体检表(眼科+肢体)





