









化妆品质检报告 盖CMA或CNAS报告
检测报告#化妆品 #美妆 #化妆品检测
口红质检报告,粉底液质检报告,散粉质检报告,眼影质检报告,化妆品质检报告等等化妆品,日化产品都可以送检。
注意 !!!只接受企业委托,比如厂家或者贸易商!!
此报告是国标质量检测,化妆品有害物质检测,
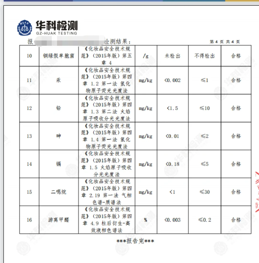
通常需要进行常规理化检验,主要是重金属带入量检测,和微生物检验,通简称为“常规9项”。
出厂备案检测!!
并非真假鉴定!!谢谢
并非真假鉴定!!谢谢
化妆品质量检测报告申请流程
1.委托方寄送样品
2.委托方填写申请表
3.双方签订合同
4.我方收到以上资料开案检测
5.测试合格,出具报告
化妆品质检报告测试周期,正常情况下是5~7个工作日
#护肤品 #化妆品工厂
检测报告#化妆品 #美妆 #化妆品检测
口红质检报告,粉底液质检报告,散粉质检报告,眼影质检报告,化妆品质检报告等等化妆品,日化产品都可以送检。
注意 !!!只接受企业委托,比如厂家或者贸易商!!
此报告是国标质量检测,化妆品有害物质检测,
通常需要进行常规理化检验,主要是重金属带入量检测,和微生物检验,通简称为“常规9项”。
出厂备案检测!!
并非真假鉴定!!谢谢
并非真假鉴定!!谢谢
化妆品质量检测报告申请流程
1.委托方寄送样品
2.委托方填写申请表
3.双方签订合同
4.我方收到以上资料开案检测
5.测试合格,出具报告
化妆品质检报告测试周期,正常情况下是5~7个工作日
#护肤品 #化妆品工厂


