撬装设备由于其装置布置的集合化,结构的紧凑复杂化,控制过程的自动化,成为设备管理的难点。三原销售公司从优化工艺图纸、深化风险辨识、强化员工培训三方面入手,下苦功夫啃硬骨头,抓细抓实油气回收设备管理。

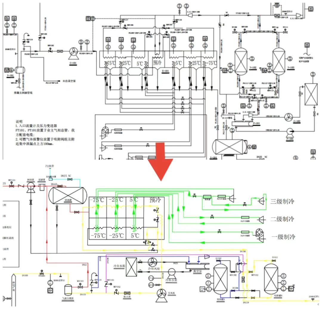
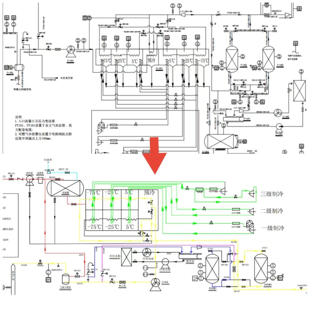
细化工艺图纸,理论实践一手抓。一般工艺流程图与现场配管都存在一定的差异,常常出现看懂了工艺流程图,看不懂现场布局,导致理论知识不能很好应用于实践中。技术人员将工艺流程图与现场布局相结合优化工艺图纸,绘制与现场管线走势相同的工艺图纸,并用不同颜色标注不同介质的处理流程,清晰明了、一目了然,实现了工艺图纸与现场布局的无差转换。

深化风险辨识,分级管控夯责任。公司组织安环部、油库技术人员,开展油气回收专项风险辨识,综合采用HAZOP、WIF分析方法,并结合生产运行实际,深入分析设备运行中可能存在的问题、产生的原因、可能导致的后果以及应采取的措施。结合分析结果,制定分级管控措施,明确、夯实各个岗位和各级管理人员责任,监督落实,形成长效机制,确保油气回收装置的安全运行。

强化员工培训,直面难点补短板。开展管理人员、运行班组、维修班组全员油气回收专项培训,全面开展油气回收工艺流程、现场操作、问题分析和解决能力培训。建立油气回收知识专项题库,通过钉钉平台日日练周周考,确保人人满分通过,不留知识和能力死角。
安全工作只有起点没有终点,三原销售公司将以肯下苦功夫的毅力,敢啃硬骨头的决心,抓细抓实各项工作,不断夯实公司发展的安全基础。
作者:付 悦、 刘 英
编辑:芦 洋
审核:韩 斐




 
  
