一是明白电路的图形符号和文字符号所表达的电气元件。三是电路图是看明白是先左后右,先上后下,先看主电路再看控制回路。关注《电子技术控》一起交流探讨行业机会吧,回复: 进群
同事老张喝酒的时候在喋喋不休地讲,现在年龄大,在厂里工作时间长了,觉得主管电工部门的领导越来越不太重视自己了,上个月厂里集体调薪,给自己调的太少了。以前设备出现问题同事都是很尊敬地讲:“张师傅,我这的设备有点问题来,你不忙了,来给我看看”,现在上了自动化设备,同时公司招聘来了一个年轻的电工王师傅,大约30岁左右,每天有什么问题,都是王师傅和张师傅一块去处理,但是每次王师傅动手很少都是拿着图纸,让张师傅动手干。张师傅很是郁闷,确实自己拿着电气图去看,像看天书一样,叹一声,落伍了,然后漠然工作。其实在我们做电工的工作中,确实有很多师傅,会干但是不明白电路图有很多,但是只要我们明白了电气工程图绘制原创,看懂电气图还是很简单。下面我们来学习下电气工程图绘制的规则。
电气工程图定义
电气工程图的定义:采用国家标准规定的电器图形文字符号绘制而成的,用以表达电气控制系统原理、功能、用途以及电气元件之间的布置、连接、安装关系的图形。在定义中我们看到电气图采用的是国家标准规定的电器图形文字符号,所以我们在日常工作中应该多学多记,在很多电气设备上都会有自己的电气符号,如果没有可以在网上收索下。图形符号、文字符号是基础,明白每一个符号的作用就是读懂器件的作用。


电气制图规则
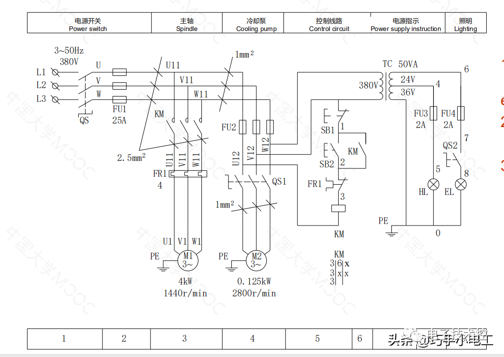
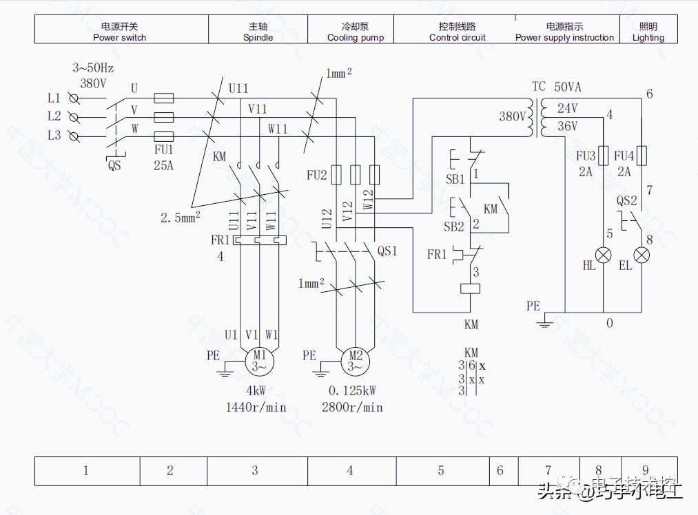
(1)电气图中电气元件的触头状态应该按照电器的不通电状态和不受力状态绘制。比如我们在日常工作中见到的开关,未在通电时是断开的,那么电路绘制就是按照断开时画出。(2)文字标注规则遵循就近原则和相同规则。就近规则就是指电气元件各导电部件的文字符号应标注在图形符号的附近位置。相同规则是指同一电气元件的不同导电部件必须采用相同的文字标注符号。如下图所示
1)垂直布置形式 设备及电器元件图形符号从左至右纵向排列,连接线垂直布置。设备及电器元件图形符号从上至下横向排列,连水平布置。注意:电气原理图绘制时采用的连线布置形式应与电气控制柜内实际的连线布置形式相三相交流电源采用L1、L2、L3标记,中性线采用N标记。电源开关后的主电路分别按U、V、W顺序加下标标记。
上方一般按主电路及各功能控制环节自左至右进行分区,并在各分区方框内加注文字说明。下方一般按“支路居中”原则从左至右进行数字标注分区。“支路居中”原则是指各支路垂线应对准数字分区方框的中线位置。