这世上从来都没有一件容易的事,机械设计也是这样。任何一个从事机械设计行业的人,刚开始都是从画好最简单的零件图开始的。比如测绘一个简单的零部件,帮别人从部件图里拆画零件图等等,这些都是一个新手必须要经过的阶段。然而,即使是简单的零件图,都会错误百出:或者尺寸标注不全,或者公差标注不合适,或者有封闭尺寸链,或者技术要求不对等等。所以,机械行业向来都是需要长时间的积累和学习的。万丈高楼平地起,基础很重要,让我们先从画好一张零件图做起吧!

表达零件的图样称为零件图。它是制造和检验零件的依据,是工艺部门进行工艺路线制作的依据,是质检部门进行检验的依据。
1 零件图的内容
我们首先应该知道的是,一个完整的零件图应包括哪些内容。
(1)图形:用一组视图(包括视图、剖视图、断面图等),完整、清晰和简便地表达此零件的结构形状。

(2)尺寸:用一组尺寸,完整、清晰和合理地标注出零件的结构形状及其相互位置的大小。

(3)技术要求:用一些规定的符号和文字,简明地给出零件在制造、检验和使用时应达到的技术要求。包括粗糙度、尺寸公差、形位公差、基准符号、技术要求等。

(4)标题栏:用标题栏填写出零件的名称、材料、图样的比例、制图人与校核人的姓名和日期等(此图所用标题栏为简化版,工程中只用完整版)。

2 零件结构分析方法
任何从事设计行业的人,都是从模仿开始的。模仿别人的外形,学习他们的设计思路,不断积累经验。零件的结构分析,就是从设计要求和工艺要求出发,分析零件不同结构的功用。我们不仅需要知道这个零件是什么样的(简单地测绘),也要知道为什么要这样设计(设计思路),这样才能提升自己的设计思想,而不是一味地模仿。
(1)从设计要求方面看,零件在机器中,可以起到支撑、容纳、传动、配合、连接、安装和定位等功用,这是决定零件主要结构的依据。
(2)从工艺要求方面看,为了使零件的毛坯制造、加工、测量以及装配和调整工作能顺利、方便,应设计出圆角、起模斜度、倒角等结构,这是决定零件局部结构的依据。
(3)从实用和美观方面看,不仅要求产品能使用,而且还要求经济、美观等,要从美学的角度来考虑结构形状。
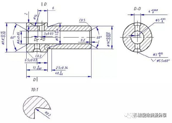
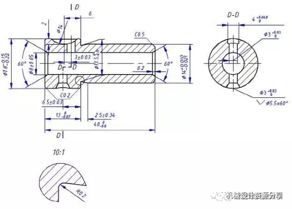
3 零件结构分析的示例1
下图为一个减速机的从动轴,它的主要共用是装在轴承中,支撑齿轮传递扭矩,并于外部设备连接。

我们分析它各个特征的作用,以及设计思路。





4 零件结构分析的示例2
下图为一个齿轮箱的底座,这是个较复杂的零件。我们在学校课程设计中必然有设计一个减速箱这一项。现分析齿轮箱底座各个特征的作用。














