相信好多人看到此文章会想,我只是一个维修工,不需要去设计电路,我只要会接线,会认识元气件就行了,还需要学什么电气设计!
这你就大错特错了!本次文章只是让大家有一定的了解,并不是要让大家很精通,了解一下总是有好处的。
熟悉电动机的控制原则、保护措施和选择方法,以及电气控制线路设计的基本原则、设计方法、应注意的问题,能进行简单生产机械电气控制线路的设计。所以本篇还是很有用处的!
一、电动机的控制。
我们都知道电动机的控制离不开,交流接触器,热过载继电器,以及按钮开关,包括行程开关,接近开关。时间继电器,速度继电器等等。
1.行程控制原则
根据生产机械运动部件的行程或位置,利用行程开关来控制电动机的工作状态称为行程控制原则。
2.时间控制原则
利用时间继电器按一定时间间隔来控制电动机的工作状态称为时间控制原则。
3.速度控制原则
根据电动机的速度变化,利用速度继电器等电器来控制电动机的工作状态称为速度控制原则。
4.电流控制原则
根据电动机主回路电流的大小,利用电流继电器来控制电动机的工作状态称为电流控制原则。
二、电动机的保护
1.短路保护
在三相交流电力系统中,最常见和最危险的故障是各种形式的短路。线路出现短路现象时,会产生很大的短路电流,使电动机、电器及导线等电气设备严重损坏,甚至引发火灾。因此,在发生短路故障时,要求保护电器必须立即动作,迅速将电源切断。
常用的短路保护电器是熔断器和低压断路器。


2.过载保护
当电动机负载过大、启动操作频繁或缺相运行时,会使电动机的工作电流长时间超过其额定电流,电动机绕组过热,温升超过其允许值,导致电动机的绝缘材料变脆,寿命缩短,严重时会使电动机损坏。因此,当电动机过载时,保护电器应动作切断电源,使电动机停转,避免电动机在过载下运行。
常用的过载保护电器是热继电器。


3.欠压保护
当电网电压降低时,电动机便在欠压下运行。由于电动机负载没有改变,所以欠压下电动机转速下降,定子绕组的电流增加。因为电流增加的幅度尚不足以使熔断器和热继电器动作,所以这两种电器起不到保护作用。如不采取保护措施,时间一长将会使电动机过热损坏。另外,欠压将引起一些电器释放,使线路不能正常工作,也可能导致人身设备事故。因此,应避免电动机在欠压下运行。
实现欠压保护的电器是接触器和电磁式电压继电器。


4.失压保护(零压保护)
生产机械在工作时,由于某种原因而发生电网突然停电,这时电源电压下降为零,电动机停转,生产机械的运动部件也随之停止运转。一般情况下,操作人员不可能及时拉开电源开关,如不采取措施,当电源电压恢复正常时,电动机便会自行启动运转,很可能造成人身和设备事故,并引起电网过电流和瞬间网络电压下降。因此,必须采取失压保护措施。
在电气控制线路中,起失压保护作用的电器是接触器和中间继电器。


5.过流保护
为了限制电动机的启动或制动电流,在直流电动机的电枢绕组中或在交流绕线转子异步电动机的转子绕组中需要串入附加的限流电限。如果在启动或制动时,附加电阻被短接,将会造成很大的启动或制动电流,使电动机或机械设备损坏。因此,对直流电动机或绕线转子异步电动机常常采用过流保护。
过流保护常用电磁式过电流继电器来实现。

6.弱磁保护
直流电动机必须在磁场具有一定强度时才能启动和正常运转。若在启动时,电动机的励磁电流太小,产生的磁场太弱,将会使电动机的启动电流很大;若电动机在正常运转过程中,磁场突然减弱或消失,电动机的转速将会迅速升高,甚至发生“飞车”。因此,在直流电动机的电气控制线路中要采取弱磁保护。
弱磁保护是在电动机励磁回路中串入弱磁继电器(即欠电流继电器)来实现的。

7.多功能保护器
电子式电机多功能保护器具有过载、缺相、欠压、过压、漏电、电机堵转等多种保护功能,并具有无机械误差与磨损、耐冲击振动、体积小、功耗低、功能全、安装调试简便、维护工作量小等优点,适用范围广。

3.选择电动机
基本原则:
第一,电动机能够完全满足生产机械在机械特性方面的要求。如生产机械所需要的工作速度、调速指标、加速度以及启动、制动时间等。
第二,电动机在工作过程中,其功率能被充分利用。即温升应达到国家标准规定的数值。
第三,电动机的结构形式应适合周围环境的条件。
1.电动机额定功率的选择
(1)连续工作制电动机额定功率的选择
l)恒定负载下电动机额定功率的选择
若负载功率为PL,电动机的额定功率为PN ,则应满足下式:
PN ≥PL
电机制造厂生产的电动机,一般都是按照恒定负载连续运转设计的,井进行形式试验和出厂试验,完全可以保证电动机在额定功率工作时,电动机的温升不会超过允许值。
2)变化负载下电动机额定功率的选择
在变化负载下使用的电动机,一般是为恒定负载工作而设计的。因此,这种电动机在变化负载下使用时,必须进行发热校验。
在变化负载下长期运转的电动机功率可按以下步骤进行选择:
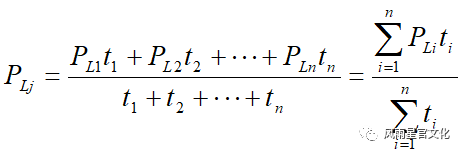
第一步,计算并绘制如图3-22所示生产机械的负载记录图;
第二步,根据下列公式求出负载的平均功率PLj;

第三步,按 PN≥(1.1~ 1.6 )PLj预选电动机。如果在工作过程中大负载所占的比例较大时,则系数应选得大些。
第四步,对预选电动机进行发热、过载能力及启动能力校验,合格后即可使用。
(2)短期工作制电动机额定功率的选择
为了满足某些生产机械短期工作的需要,电机生产厂家专门制造了一些具有较大过载能力的短期工作制电动机,其标准工作时间有15min、30 min 、60 min 、90 min 四种。因此,若电动机的实际工作时间符合标准工作时间时,选择电动机的额定功率PN只要不小于负载功率PL即可,即满足PN≥PL。
(3)周期性断续工作制电动机额定功率的选择
电机制造厂专门设计生产的周期性断续工作制的交流电动机有YZR和YZ系列。标准负载持续率FC%(负载工作时间与整个周期之比称为负载持续率)有15%、25%、40%和60%四种,一个周期的时间规定不大于10 min。
周期性断续工作制电动机功率的选择方法和连续工作制变化负载下的功率选择相类似。
当负载持续率FC≤10%时,按短期工作制选择;当负载持续率FC≥70%时,可按长期工作制选择。
2. 电动机额定电压的选择
中小型交流电动机的额定电压一般为380V,大型交流电动机的额定电压一般为3 kV、6kV等。直流电动机的额定电压一般为110V、220V、440V等,最常用的直流电压等级为220V。
选择电动机的额定电压时,要与供电电网的交流电压及不同形式的整流电路相配合。当交流电压为 380V时,若采用晶闸管整流装置直接供电,电动机的额定电压应选用440 V(配合三相桥式整流电路)或160V(配合单相整流电路),电动机采用改进的Z3型。
3.电动机额定转速的选择
选择电动机的额定转速时,必须全面考虑,在电动机性能满足生产机械要求的前提下,力求电能损耗少,设备投资少,维护费用少。通常,电动机的额定转速选在750~1500r/min比较合适。
4.电动机种类的选择
选择电动机的种类时,在考虑电动机的性能必须满足生产机械的要求下,优先选用结构简单、价格便宜、运行可靠、维修方便的电动机。
交流电动机优于直流电动机,笼型电动机优于绕线转子电动机,异步电动机优于同步电动机。
5.电动机形式的选择
从额定功率、额定电压、额定转速、种类和形式几方面综合考虑,做到既经济又合理。
Ø安装方式
Ø轴伸个数
防护形式
一、设计电气控制线路的基本原则
基本原则:
1.应最大限度地满足机械设备对电气控制线路的控制要求和保护要求。
2.在满足生产工艺要求的前提下,应力求使控制线路简单、经济、合理。
3.保证控制的可靠性和安全性。
4.操作和维修方便。
二、设计电气控制线路举例
经验设计法——根据生产工艺要求,选择适当的基本控制线路,再把它们综合地组合在一起。这种设计方法比较简单,在设计过程中要经过多次反复修改、完善,才能使线路符合设计要求。
逻辑设计法——根据生产工艺要求,利用逻辑代数来分析、设计线路。这种设计方法设计出来的线路比较合理,但是掌握这种方法的难度比较大,在完成较复杂生产工艺要求所需的控制线路时用的比较多。
经验设计法设计电气控制线路举例
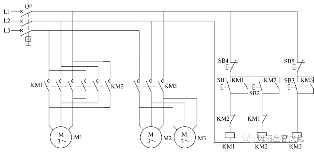
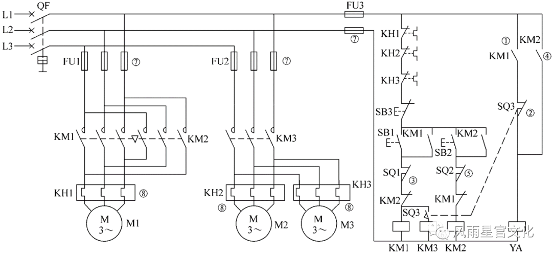
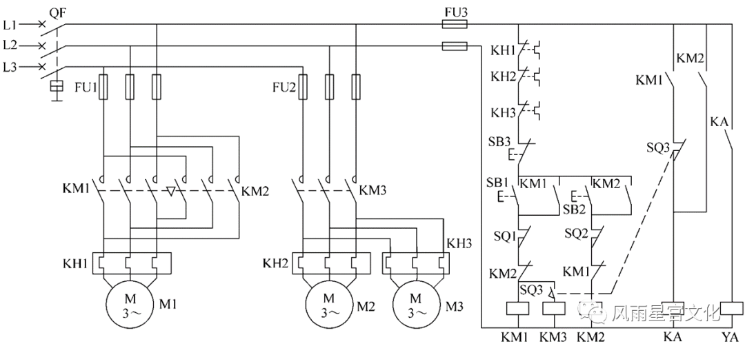
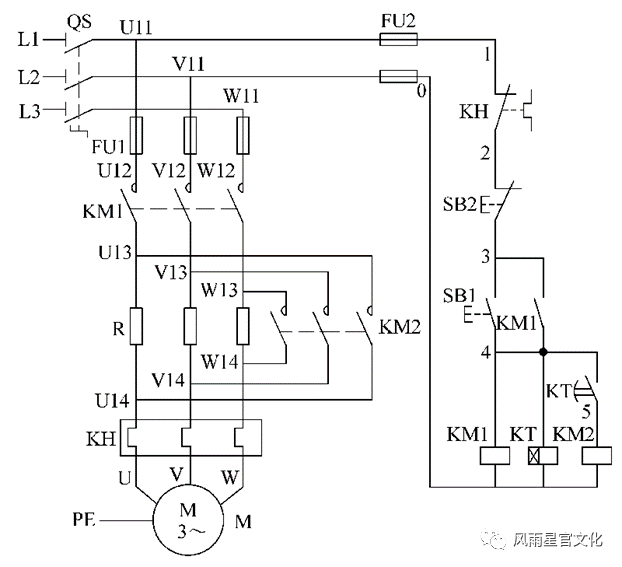
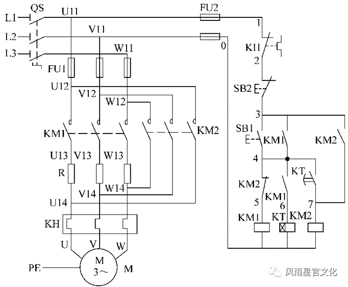
现用某专用机床给一箱体加工两侧平面。加工方法是将箱体夹紧在可前后移动的滑台上,两侧平面用左右动力头铣削加工。其要求如下:
第一,加工前滑台应快速移动到加工位置,然后改为慢速进给。快进速度为慢进速度的20倍,滑台速度的改变是由齿轮变速机构和电磁铁来实现的,即电磁铁吸合时为快速,电磁铁释放时为慢速。
第二,滑台从快速移动到慢速进给应自动变换,铣削完毕要自动停车,然后由人工操作滑台快速退回原位后自动停车。
第三,具有短路、过载、欠压及失压保护。
本专用机床共有三台笼型异步电动机,滑台电动机Ml的功率为1.1kW,需正反转;两台动力头电动机M2和M3的功率为4.5kW,只需要单向运转。试设计该机床的电气控制线路。
1.选择基本控制线路

2.修改完善线路

3.校核完成线路

三、设计电气控制线路应注意的问题

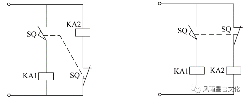
第一张为错误图片,第二张为正确图片
2.尽量缩短连接导线的数量和长度

第一张为错误图片,第二张为正确图片
3.正确连接电器的线圈

第一张为错误图片,第二张为正确图片
4.正确连接电器的触头

第一张为错误图片,第二张为正确图片
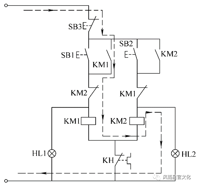
5.在满足控制要求的情况下,应尽量减少电器通电的数量


6.应尽量避免采用许多电器依次动作才能接通另一个电器的控制线路

前两张图片是错误的画法,最后一张是正确的画法。
7.在控制线路中应避免出现寄生回路

8.保证控制线路工作可靠和安全
为了保证控制线路工作可靠,最主要的是选用可靠的电器元件。
选用电器时,尽量选用机械和电气寿命长、结构合理、动作可靠、抗干扰性能好的电器。
在线路中采用小容量继电器的触头断开和接通大容量接触器的线圈时,要计算继电器触头断开和接通容量是否足够。若不够,必须加大继电器容量或增加中间继电器,否则工作不可靠。
9.线路应具有必要的保护环节
应根据线路的需要选用过载、短路、过流、过压、失压、弱磁等保护环节,必要时还应考虑设置合闸、断开、事故、安全等指示信号。
四、设计电气控制线路
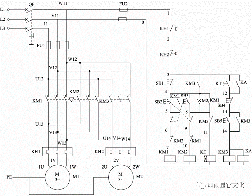
设计任务要求:某机床需要两台电动机拖动,根据该机床的特点,一台电动机M1需要正反转控制,而另一台电动机M2只需单向控制,并且要求电动机M1启动3min后另一台电动机M2才能启动;停车时逆序停止;两台电动机都具有短路保护、过载保护、失压保护和欠压保护(电动机M1、M2为:Y132M-6,9.4A,△接法,4kW)。试设计符合要求的电气控制线路,并进行安装和调试。
参考线路



