什么是二次回路?
在变电站内,各类继电保护装置、测控装置、安全自动装置、故障录波装置等统称为二次设备。
所谓的二次回路即是把这些二次设备,按一定功能要求连接起来,所形成的电气回路,以实现对一次系统设备运行工况的监视、测量、控制、保护、调节等功能。
二次回路的种类(按电的性质)
二次回路要实现各自的功能,一般都需要接入提供一次设备运行状态的信息源和保证二次设备工作的电源等。因此按电的性质,二次回路可简单划分为交流采样回路、交流电源回路和直流回路三种。
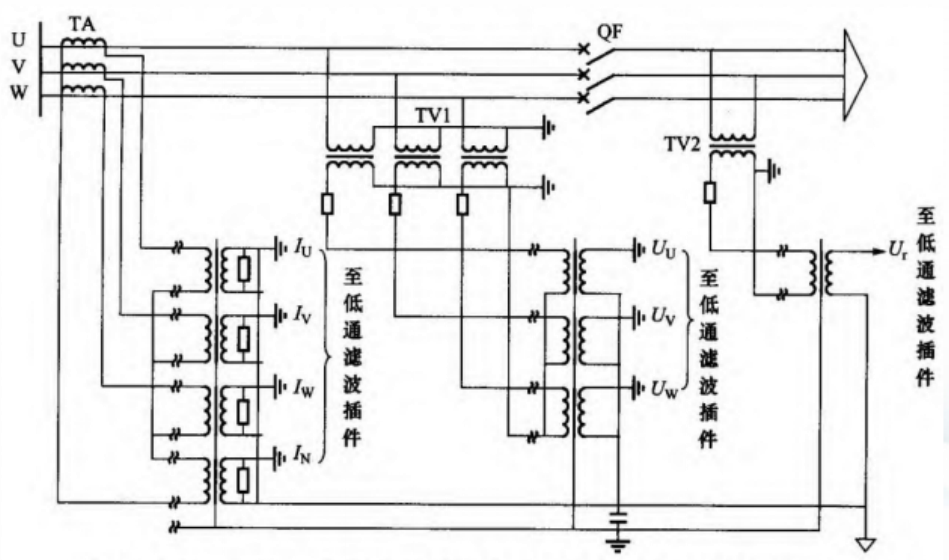
交流采样回路
交流采样回路是由电流互感器和电压互感器相关的回路。其作用是∶为二次设备采集相关一次设备的运行参数量(电流、电压等交流信号),以实现对一次系统设备运行工况的监视、测量、控制、保护、调节等功能。
交流电源回路
交流电源回路是指使用交流电作为电源的相关的回路。如∶开关储能电机电源、刀闸驱动电机电源、照明电源、加热器电源等。
点击红色字体: 2022年“继保小家”公众号发表内容汇总目录>>>>>
直流回路
直流回路指的是直流电源正极到负极之间连接的全部回路。主要作用是∶1、对断路器及隔离开关等设备的操作进行控制。隔离开关操作回路多采用交流 380V供电,也有采用直流供电的方式。
2、指示一、二次设备运行状态、异常及故障情况。3、提供二次装置工作的电源,一般为±220V(或±110V)
二次回路的功能
继电保护回路及安全自动装置回路
用于自动、快速、有选择地切除故障设备,并尽快恢复系统的正常运行,保证电力系统的稳定。
断路器控制回路
用于对变电站断路器分、合操作的手动控制和自动控制。
隔离开关操作及闭锁回路
用于隔离开关操作的手动控制和自动控制。实现隔离开关和断路器之间防止带负荷拉合隔离开关的闭锁、隔离开关与接地开关之间防止带地线合闸的闭锁等。
信号回路
用于指示一次设备的运行状态,为运行人员提供操作、调节和处理故障的可靠依据。
测量回路
用于对输电线路和电气设备运行中的电气参数量及电能耗用量进行测量。通常包括电流、电压、频率、功率、电能等测量。
同期回路
在需要经常解列、并列的变电站,用于电力系统的并列。目前需要经常进行解列、并列的变电站越来越少。
调节回路
用于实时调节某些主设备的工作参数,以保证主设备和电力系统的安全、经济、稳定运行。
点击红色字体: 2022年“继保小家”公众号发表内容汇总目录>>>>>
保护、测控装置的开入与开出
开入:
1、模拟量开入
电流互感器和电压互感器变换成小电流、低电压;保护装置需要采集电流和电压两种模拟量。测控装置需要采集电流、电压量外,有时还包括温度量等。

2、数字量(开关量)开入
由各种设备的辅助接点通过"断开/闭合"转换提供,只有两种状态,也叫为硬接点开入。保护装置∶闭锁重合闸开入、功能压板开入等。测控装置∶开关、刀闸、地刀的位置、告警信号等。

开出∶
1、操作命令开出
1.1.保护装置操作命令开出∶(被动的、自动的)线路保护跳闸或者重合闸,主变保护、母差保护跳闸,主变启动风冷,母差动作闭锁线路重合闸、母差动作闭锁备自投等
1.2.测控装置操作命令开出∶(主动的、人为的)对断路器、电动刀闸及地刀等各类电动机构发出的操作命令。("分"、"合")
2、信号开出
2.1、保护装置信号开出∶保护动作、重合闸动作。(装置断电、装置异常/闭锁等信号属于装置自身故障,不属于保护范畴)
2.2、测控装置信号开出:测控装置将自己采集的开关量信号进行转换后通过网络传输给监控系统,它的作用是单纯的转接。


