手机版
二维码
购物车
(
0
)
供应
求购
公司
团购
展会
资讯
招商
品牌
人才
知道
专题
图库
视频
下载
商圈
推广
热搜:
采购方式
甲带
滤芯
气动隔膜泵
带式称重给煤机
减速机型号
链式给煤机
减速机
无级变速机
履带
首页
供应
求购
公司
团购
展会
资讯
招商
品牌
人才
知道
专题
图库
视频
下载
商圈
首页
>
资讯
>
机械设备
铝加工件询价
日期:2025-11-15 23:52:37 来源:网络整理 作者:本站编辑
评论:0
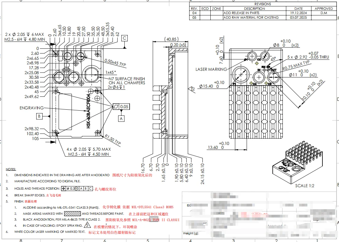
铝加工件询价
材质 AL6061-T6,能做的加工厂联系我,后台加v
#机械加工
#数控加工
打赏
更多
>
同类资讯
• 欢迎光临《2026第28届上海电机展
0
条
相关评论
推荐图文
推荐资讯
点击排行
网站首页
|
关于我们
|
联系方式
|
使用协议
|
版权隐私
|
网站地图
|
排名推广
|
广告服务
|
积分换礼
|
网站留言
|
RSS订阅
|
违规举报
|
皖ICP备20008326号-18
(c)2008-2022 免费发布网 All Rights Reserved