手机版
二维码
购物车
(
0
)
供应
求购
公司
团购
展会
资讯
招商
品牌
人才
知道
专题
图库
视频
下载
商圈
推广
热搜:
采购方式
甲带
滤芯
气动隔膜泵
减速机
带式称重给煤机
履带
减速机型号
链式给煤机
无级变速机
首页
供应
求购
公司
团购
展会
资讯
招商
品牌
人才
知道
专题
图库
视频
下载
商圈
首页
>
资讯
>
机械设备
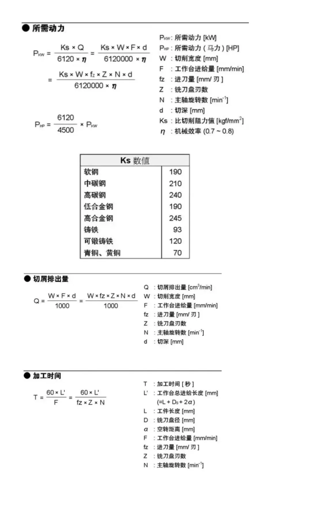
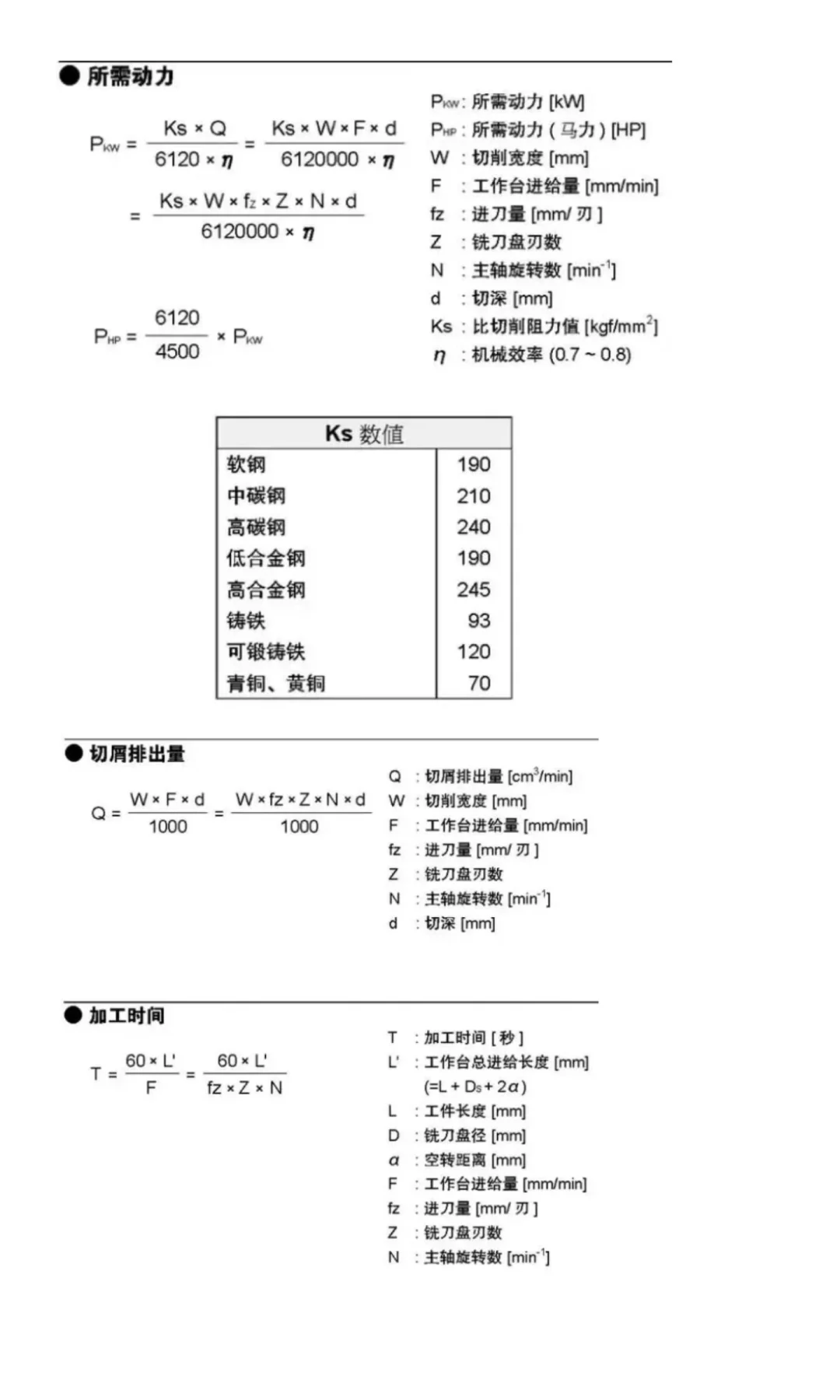
制造业采购一定要会的-机加工常用计算公式
日期:2025-11-12 01:26:11 来源:网络整理 作者:本站编辑
评论:0
制造业采购一定要会的-机加工常用计算公式
#采购
#企业采购
#供应链管理
#制造业
#采购证书
#数控加工
#自动化
#数控车床
#机械加工
#行政采购
打赏
更多
>
同类资讯
• 欢迎光临《2026第28届上海电机展
0
条
相关评论
推荐图文
推荐资讯
点击排行
0
1
锂电池工厂,可定制
0
2
锂电池单轨吊 | 正负极材料车间洁净行
0
3
18650电池组PACK自动化生产线探析
0
4
锂离子电池生产基本工序详解(入壳)
0
5
电池自动生产线的核心技术流程与价值
0
6
每天吃家公司【金银河】#0167
0
7
锂电池加解拘束机与拘束托盘技术解析
0
8
必看!电池模组pack 生产线TOP4
0
9
电池模组 pack 线咋选?看这篇就够!
网站首页
|
关于我们
|
联系方式
|
使用协议
|
版权隐私
|
网站地图
|
排名推广
|
广告服务
|
积分换礼
|
网站留言
|
RSS订阅
|
违规举报
|
皖ICP备20008326号-18
(c)2008-2022 免费发布网 All Rights Reserved