




一、设计步骤
1. 确定运动要求
• 首先要明确丝杠螺母机构在设备中需要实现的运动功能。例如,是直线往复运动还是旋转运动的转换。如果是用于机床的进给机构,需要确定进给速度、行程等参数。根据这些运动要求来初步确定丝杠的螺距和螺母的尺寸范围。
2. 选择材料
• 考虑工作环境和载荷情况。对于普通精度要求的机构,丝杠和螺母可以选用中碳钢(如45钢);如果精度要求高,可选用合金钢(如38CrMoAl)并进行热处理。材料的选择要兼顾强度、耐磨性和加工性能。
3. 计算强度和精度
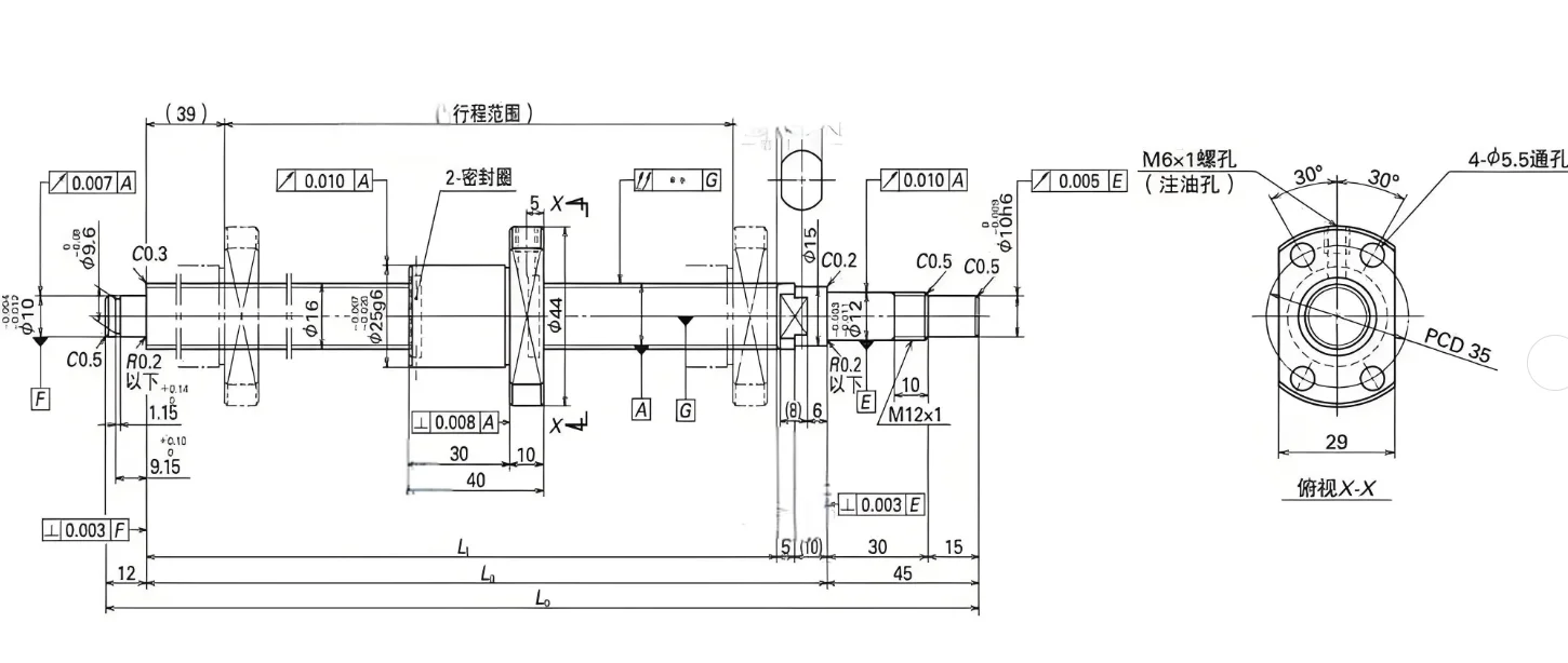
• 计算丝杠的强度,包括弯曲强度和扭转强度。根据工作载荷,采用合适的力学公式进行计算,确保丝杠在工作过程中不会因强度不足而损坏。同时,要确定丝杠螺母的精度等级。对于精密加工设备,精度等级要求高,如P5或P3级,这会影响螺纹的加工精度和配合间隙。
4. 结构设计
• 设计丝杠的支撑结构,一般采用两端支撑或一端固定一端自由等方式。对于长丝杠,要考虑热膨胀的影响,适当留有膨胀间隙。螺母的结构设计要考虑安装方式,如焊接式、螺纹连接式等,并且要考虑润滑通道的设计,保证润滑油脂能够顺利到达螺纹副,减少磨损。
5. 绘制图纸和加工
• 根据设计结果绘制丝杠和螺母的详细图纸,包括尺寸标注、公差要求等。然后按照图纸进行加工,加工过程中要严格控制尺寸精度和表面粗糙度,特别是螺纹部分的加工精度。
二、应用场合
1. 机床设备
• 在各种金属切削机床中,如车床、铣床、磨床等,丝杠螺母机构用于实现刀具的进给运动。例如在车床上,丝杠带动刀架沿床身导轨做直线运动,以实现车削加工中的切削。
2. 机械传动装置
• 在一些机械传动系统中,用于将旋转运动转换为直线运动。例如在升降机中,丝杠螺母机构可以将电机的旋转运动转换为升降台的垂直运动,实现货物或人员的升降。
3. 自动化设备
• 在自动化装配线、机器人等设备中,用于精确控制部件的移动。如在机器人手臂的关节部分,丝杠螺母机构可以精确控制手臂的伸缩动作,实现高精度的装配操作。
三、主要事项
1. 润滑和密封
• 要保证丝杠螺母机构的良好润滑,定期添加润滑油或润滑脂。同时,要做好密封,防止灰尘、杂质进入螺纹副,否则会加剧磨损,降低传动精度和使用寿命。
2. 安装精度
• 安装时要保证丝杠的同轴度和直线度,螺母与丝杠的配合要紧密且灵活。如果安装精度不高,会导致传动不平稳,产生振动和噪声,影响设备的正常运行。
#机械设计 #机械毕业设计
1. 确定运动要求
• 首先要明确丝杠螺母机构在设备中需要实现的运动功能。例如,是直线往复运动还是旋转运动的转换。如果是用于机床的进给机构,需要确定进给速度、行程等参数。根据这些运动要求来初步确定丝杠的螺距和螺母的尺寸范围。
2. 选择材料
• 考虑工作环境和载荷情况。对于普通精度要求的机构,丝杠和螺母可以选用中碳钢(如45钢);如果精度要求高,可选用合金钢(如38CrMoAl)并进行热处理。材料的选择要兼顾强度、耐磨性和加工性能。
3. 计算强度和精度
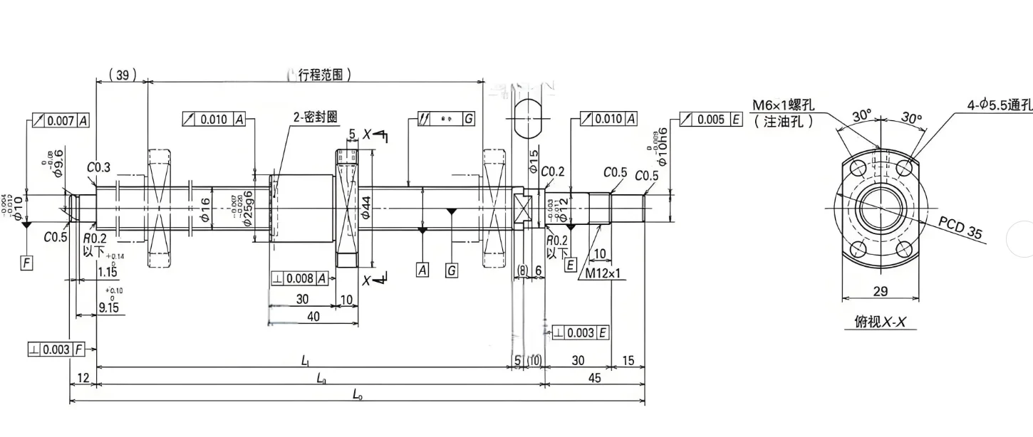
• 计算丝杠的强度,包括弯曲强度和扭转强度。根据工作载荷,采用合适的力学公式进行计算,确保丝杠在工作过程中不会因强度不足而损坏。同时,要确定丝杠螺母的精度等级。对于精密加工设备,精度等级要求高,如P5或P3级,这会影响螺纹的加工精度和配合间隙。
4. 结构设计
• 设计丝杠的支撑结构,一般采用两端支撑或一端固定一端自由等方式。对于长丝杠,要考虑热膨胀的影响,适当留有膨胀间隙。螺母的结构设计要考虑安装方式,如焊接式、螺纹连接式等,并且要考虑润滑通道的设计,保证润滑油脂能够顺利到达螺纹副,减少磨损。
5. 绘制图纸和加工
• 根据设计结果绘制丝杠和螺母的详细图纸,包括尺寸标注、公差要求等。然后按照图纸进行加工,加工过程中要严格控制尺寸精度和表面粗糙度,特别是螺纹部分的加工精度。
二、应用场合
1. 机床设备
• 在各种金属切削机床中,如车床、铣床、磨床等,丝杠螺母机构用于实现刀具的进给运动。例如在车床上,丝杠带动刀架沿床身导轨做直线运动,以实现车削加工中的切削。
2. 机械传动装置
• 在一些机械传动系统中,用于将旋转运动转换为直线运动。例如在升降机中,丝杠螺母机构可以将电机的旋转运动转换为升降台的垂直运动,实现货物或人员的升降。
3. 自动化设备
• 在自动化装配线、机器人等设备中,用于精确控制部件的移动。如在机器人手臂的关节部分,丝杠螺母机构可以精确控制手臂的伸缩动作,实现高精度的装配操作。
三、主要事项
1. 润滑和密封
• 要保证丝杠螺母机构的良好润滑,定期添加润滑油或润滑脂。同时,要做好密封,防止灰尘、杂质进入螺纹副,否则会加剧磨损,降低传动精度和使用寿命。
2. 安装精度
• 安装时要保证丝杠的同轴度和直线度,螺母与丝杠的配合要紧密且灵活。如果安装精度不高,会导致传动不平稳,产生振动和噪声,影响设备的正常运行。
#机械设计 #机械毕业设计


