手机版
二维码
购物车
(
0
)
供应
求购
公司
团购
展会
资讯
招商
品牌
人才
知道
专题
图库
视频
下载
商圈
推广
热搜:
采购方式
甲带
滤芯
气动隔膜泵
带式称重给煤机
减速机型号
链式给煤机
减速机
无级变速机
履带
首页
供应
求购
公司
团购
展会
资讯
招商
品牌
人才
知道
专题
图库
视频
下载
商圈
首页
>
资讯
>
机械设备
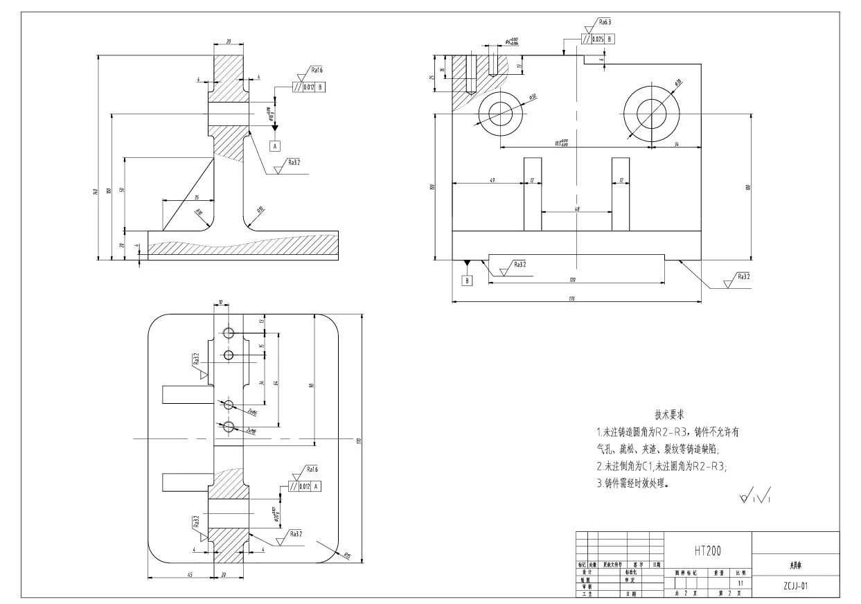
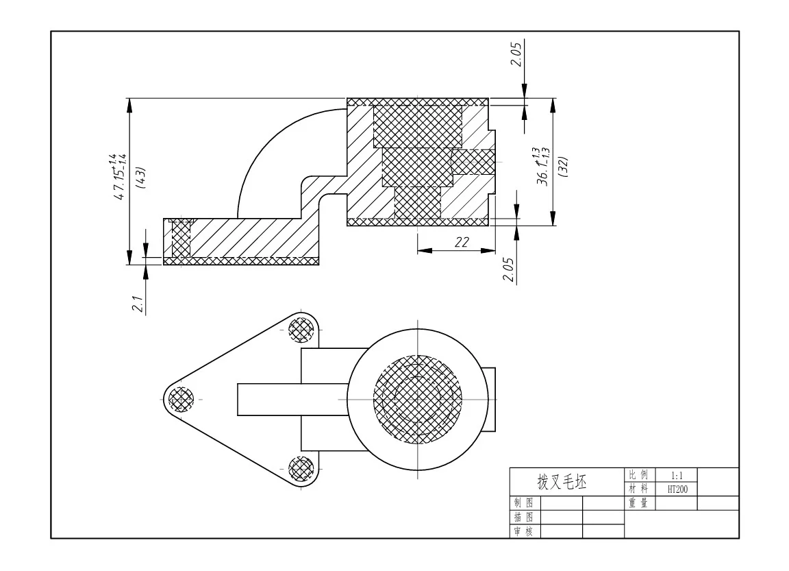
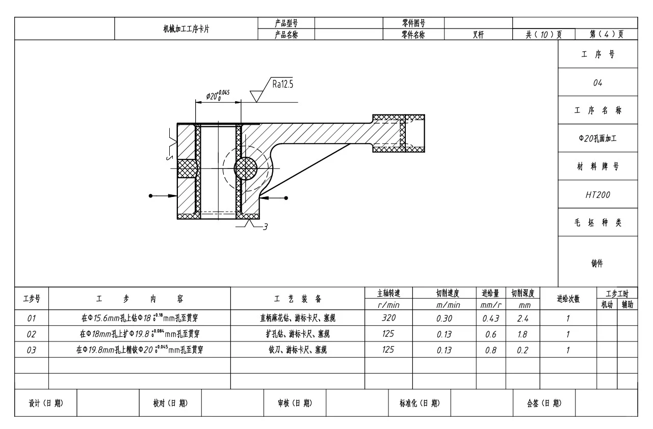
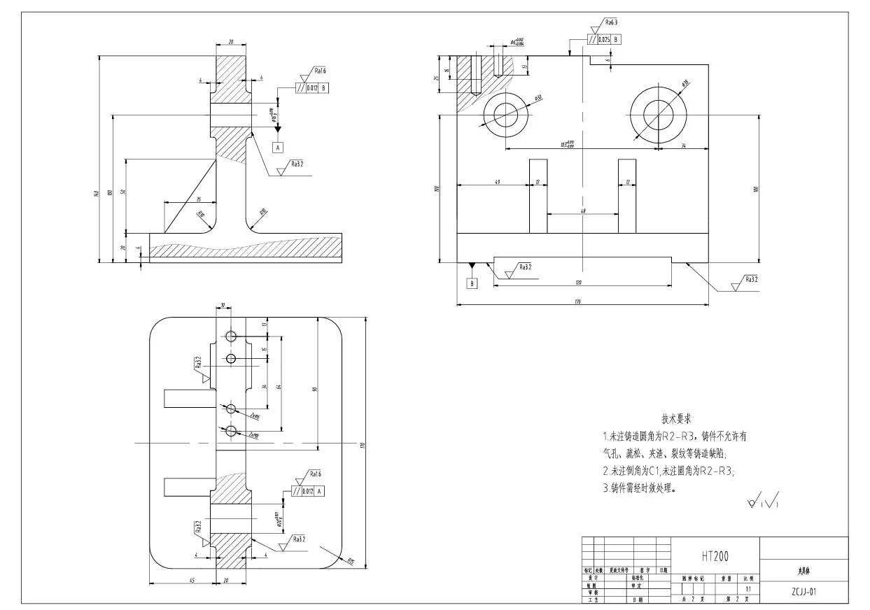
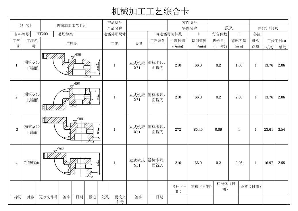
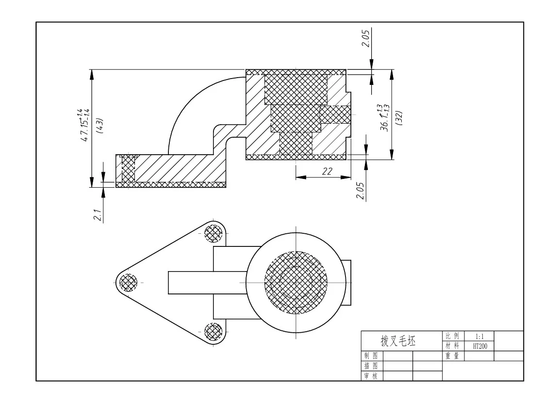
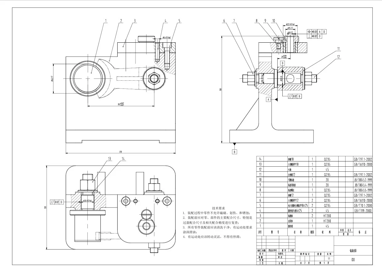
钻床、铣床夹具设计!!!
日期:2025-11-11 05:55:13 来源:网络整理 作者:本站编辑
评论:0
钻床、铣床夹具设计!!!
机械加工工艺学课程设计、机械制造技术基础课程设计指导,钻床铣床夹具设计指导,工艺综合卡片、工序卡设计指导!!!
#cad机械制图
#机械加工工艺设计
#钻床夹具设计
#铣床夹具零件图
#机械制造技术基础资料
#机械制造技术课程设计
#机械制造工艺学课程设计
#夹具设计与参数计算
#夹具课程设计
#夹具设计
打赏
更多
>
同类资讯
• 欢迎光临《2026第28届上海电机展
0
条
相关评论
推荐图文
推荐资讯
点击排行
网站首页
|
关于我们
|
联系方式
|
使用协议
|
版权隐私
|
网站地图
|
排名推广
|
广告服务
|
积分换礼
|
网站留言
|
RSS订阅
|
违规举报
|
皖ICP备20008326号-18
(c)2008-2022 免费发布网 All Rights Reserved