





配电网优化,微网调度,综合能源管理,电气工程及其自动化指导
1.电气工程及其自动化指导
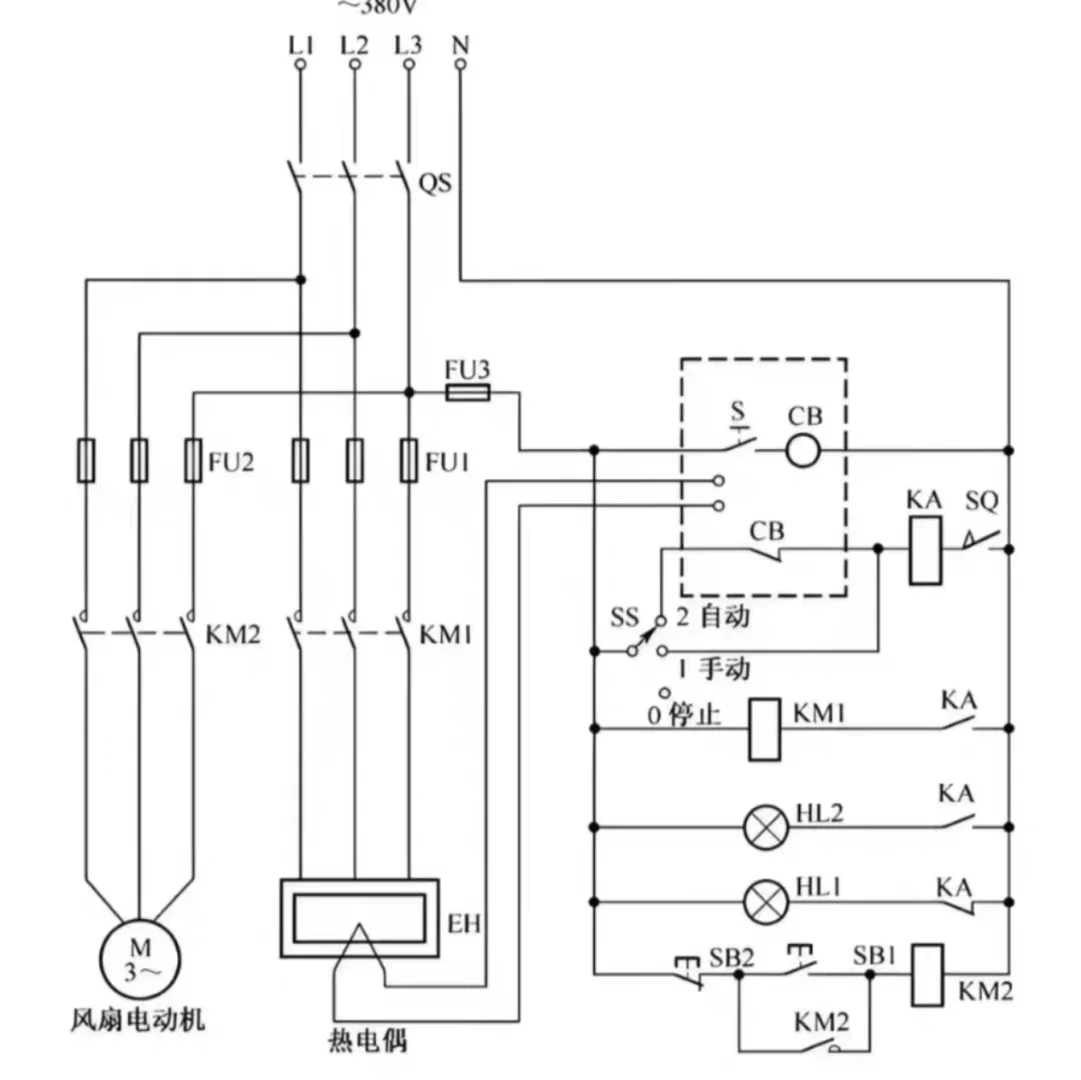
主做电路理论、信息电子技术、电力电子技术、自动控制原理、微机原理与应用、电气工程基础、电机学、电器学、电力系统分析、电机设计、高低压电器、电机控制、智能化电器原理与应用、电力系统继电保护、电力系统综合自动化、建筑供配电等方向。
可做发电、输电、工业、交通运输、低压商用、永磁同步电机等项目,发电领域可再生能源、化石燃油、核能发电,输电网络配电系统、配电管理系统、变电站自动化、微电网主控制器,工业模型可视化、电气安全接地,低压电缆计算、电力系统分析、保护配合、低压商用模型和单线图、永磁同步电机等。
2.配电网优化,涵盖配网重构、有功无功优化、调度、最佳潮流分析,全方位提升电网运行效率与稳定性
微网优化,聚焦多目标调度、多微网协同交易、P2P 能量交易,精准优化资源配置
综合能源优化,实现冷热电联供优化、能源交易定价,打造高效能源系统
技术深度整合,MATLAB 优化调度、多时间尺度优化、鲁棒优化、主从博弈策略,助力智能电网、虚拟电厂、分布式能源协同优化。PWM 技术、储能系统、MMC 等前沿应用,优化电力系统性能。声源定位、盲源分离、卡尔曼滤波技术集成,提升系统监测与控制精度。
树莓派、智能配网重构,解决配电网优化、微网优化、综合能源管理等难题#电气工程
个人在做
#电气工程 #电气#电气工程及其自动化#电路 #电力 #电气 #配电网优化 #微网调度
1.电气工程及其自动化指导
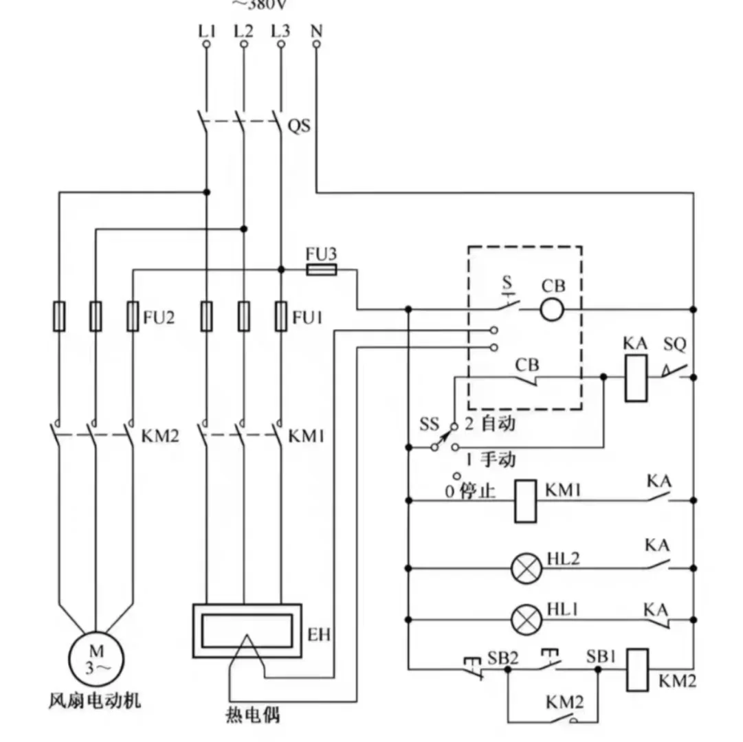
主做电路理论、信息电子技术、电力电子技术、自动控制原理、微机原理与应用、电气工程基础、电机学、电器学、电力系统分析、电机设计、高低压电器、电机控制、智能化电器原理与应用、电力系统继电保护、电力系统综合自动化、建筑供配电等方向。
可做发电、输电、工业、交通运输、低压商用、永磁同步电机等项目,发电领域可再生能源、化石燃油、核能发电,输电网络配电系统、配电管理系统、变电站自动化、微电网主控制器,工业模型可视化、电气安全接地,低压电缆计算、电力系统分析、保护配合、低压商用模型和单线图、永磁同步电机等。
2.配电网优化,涵盖配网重构、有功无功优化、调度、最佳潮流分析,全方位提升电网运行效率与稳定性
微网优化,聚焦多目标调度、多微网协同交易、P2P 能量交易,精准优化资源配置
综合能源优化,实现冷热电联供优化、能源交易定价,打造高效能源系统
技术深度整合,MATLAB 优化调度、多时间尺度优化、鲁棒优化、主从博弈策略,助力智能电网、虚拟电厂、分布式能源协同优化。PWM 技术、储能系统、MMC 等前沿应用,优化电力系统性能。声源定位、盲源分离、卡尔曼滤波技术集成,提升系统监测与控制精度。
树莓派、智能配网重构,解决配电网优化、微网优化、综合能源管理等难题#电气工程
个人在做
#电气工程 #电气#电气工程及其自动化#电路 #电力 #电气 #配电网优化 #微网调度


