一、接地简述
接地(earthing)接地指电力系统和电气装置的中性点、电气设备的外露导电部分和装置外导电部分经由导体与大地相连。可以分为工作接地、防雷接地和保护接地。

二、接地分类及作用
按带电性质可分为交流接地系统和直流接地系统两大类。按用途可分为工作接地系统、保护接地系统和防雷接地系统。而防雷接地系统中又可分为设备防雷和建筑防雷。

2.1 交流接地系统
交流接地系统有工作接地和保护接地。
(1)所谓工作接地,在低压交流电网中就是将三相电源中的中性点直接接地
(2)所谓保护接地,就是将受电设备在正常情况下与带电部分绝缘的金属外壳部分与接地装置作良好的电气连接。


2.2直流接地系统
1) 直流接地系统分类
按照性质和用途的不同,直接接地系统可分为工作接地和保护接地两种。
工作接地用于保护通信设备和直流通信电源设备的正常工作;
保护接地则用于保护人身和设备的安全。
2)直流工作接地的作用
利用大地作良好的参考零电位,保证在各通信设备间甚至各局(站)间的参考电位没有差异,从而保证通信设备的正常工作。
减少用户线路对地绝缘不良时引起的通信回路间的串音。
3)直流保护接地的作用
防止直流设备绝缘损坏时发生触电危险,保证维护人员的人身安全。
减小设备和线路中的电磁感应,保持一个稳定的电位,达到屏蔽的目的,减小杂音的干扰,以及防止静电的发生。

2.3联合接地系统
1)联合接地系统组成
联合接地示意图联合接地系统由接地体、接地引入、接地汇集线、接地线所组成。

2)联合接地系统优点
①地电位均衡,同层各地线系统电位大体相等,消除危及设备的电位差。
②公共接地母线为全局建立了基准零电位点。当发生地电位上升时,各处的地电位一齐上升,在任何时候,基本上不存在电位差。
③消除了地线系统的干扰。通常依据各种不同电特性设计出多种地线系统。彼此间存在相互影响,而今采用一个接地系统之后,使地线系统做到了无干扰。
④电磁兼容性能变好。由于强、弱电,高频及低频电等电位,又采用分屏蔽设备及分枝地线等方法,所以提高了电磁兼容性能。
2.4防雷接地
在通信局(站)中,通常有两种防雷接地:
(1)一种是为保护建筑物或天线不受雷击而专设的避雷针防雷接地装置,这是由建筑部门设计安装的;

(2)另一种是为了防止雷击过电压对通信设备或电源设备的破坏需安装避雷器而埋设的防雷接地装置。如高压避雷器的下接线端汇接后接到接地装置。

三、保护接地和保护接零
3.1 接地和接地装置
电气设备的某部分与大地之间做良好的电气连接,称为接地。
接地装置是由接地体和接地线两部分组成:
(1)埋入地中并直接与大地接触的金属导体,称为接地体或接地极。专门为接地而人为装设的接地体,称为人工接地体。兼作接地体用的直接与大地接触的各种金属构件、建筑物的基础等,称为自然接地体。
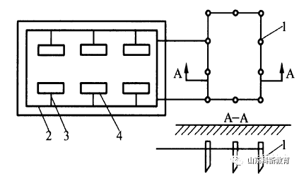
(2)接地体与电气设备的金属外壳之间的连接线,称为接地线。接地线在设备正常运行时是不载流的,但在故障情况下通过接地故障电流。接地线又分为接地干线和接地支线。由若干接地体在大地中相互用接地线连接起来的一个整体,称为接地网。

▲ 1.接地体;2.接地干线;3.接地支线;4.设备
3.2 接地电流和对地电压
当电气设备发生接地故障时,电流就通过接地体向大地作半球形散开,这一电流,称为接地电流。试验表明,在距单根接地体或接地故障点20米左右的地方,实际上散流电阻已趋近于零,这电位为零的地方,称为电气上的“地”或“大地”。电气设备的接地部分与零电位的“地”(大地)之间的电位差,就称为接地部分的对地电压。

3.3 接触电压和跨步电压
接触电压是指设备绝缘损坏时,在身体同时触及的两部分间出现的电位差。如人站在发生接地故障的设备旁,手触及设备金属外壳,则人手与脚之间的电位差,即为接触电压。
跨步电压是指在故障点附近行走,两脚间出现的电位差。在带电的断线落地点附近及防雷装置泄放雷电流的接地体附近行走时,同样也有跨步电压。
跨步电压的大小与距接地点的远近有关,距离短路接地点愈远,跨步电压愈小,距离20米以外时,则跨步电压近似等于零。因此在敷设变配电所的接地装置时,应尽量使接地网做到电位分布均匀,以降低接触电压和跨步电压。

四、接地的种类
4.1工作接地
工作接地是为保证电力系统和电气设备达到正常工作要求而进行的一种接地,例如电源中性点的接地、防雷装置的接地等。
各种工作接地有各自的功能。例如电源中性点直接接地,能在运行中维持三相系统中相线对地电压不变,而电源中性点经消弧线圈接地,能在单相接地时消除接地点的断续电弧,防止系统出现过电压。至于防雷装置的接地,其功能更是显而易见的,不进行接地就无法对地泄放雷电流,从而无法实现防雷的要求。

4.2保护接地
由于绝缘的损坏,在正常情况下不带电的电力设备外壳有可能带电,为了保障人身安全,将电力设备正常情况不带电的外壳与接地体之间作良好的金属连接,称为保护接地
保护接地一般应用在高压系统中,在中性点直接接地的低压系统中有时也有应用。
保护接地可分为三种不同类型:
TN系统(保护接零)
IT系统和TT系统(保护接地)
安全接地:包括 保护接地 和防雷接地

TN-C系统:中性线N与保护线PE是合在一起的,电气设备不带电金属部分与之相连,适用于三相负荷比较平衡且单相负荷不大的场所,在工厂低压设备接地保护中使用相当普遍。
TN-S系统:中性线N与保护线PE分开,电气设备的金属外壳接在保护线PE上,适用于环境条件较差、安全可靠要求较高以及设备对电磁干扰要求较严的场所。
TN-C-S系统:是两者的综合,电气设备大部分采用TN-C系统接线,在设备有特殊要求场合局部采用专设保护线接成TN-S形式
IT系统:是对电源小电流接地系统的保护接地方式,电气设备的不带电金属部分直接经接地体接地。当电气设备因故障金属外壳带电时,接地电容电流分别经接地体和人体两条支路通过,只要接地装置的接地电阻在一定范围内,就会使流经人体的电流被限制在安全范围。

TT系统:针对大电流接地系统的保护接地。配电系统的中性线N引出,但电气设备的不带电金属部分经各自的接地装置直接接地,与系统接线不发生关系
发生绝缘损坏故障时,故障电流较大,对小容量设备,可使其熔丝熔断或自动开关跳闸切断电源;但对大容量设备无法确保切断电源,无法保障人身安全,可通过加装漏电保护开关弥补。

4.3保护接地和保护接零中注意的问题

(1)同一中性点接地系统中,不能有的采取保护接地,有的又采取保护接零,否则当采取保护接地的设备发生单相接地故障时,采取保护接零的设备外露可导电部分将带上危险的电压。
(2)中性点不接地系统中,凡有电联系的设备的保护接地装置应连为一体。因为设备发生双碰壳时,将使所有设备外壳上出现危险的对地电压。
(3)在零线上不允许安装熔断器和开关,以防零线断线,失去保护接零的作用,为安全起见,中性线还必须实行重复接地,以保证接零保护的可靠性。
(4)不能把保护接地装置引下线作为单相设备的中性线。
(5)不能把中性线有作为保护零线,安全性差。
4.4重复接地

在中性点直接接地的低压电力网中采用接零时,将零线上的一点或多点再次与大地作金属性连接,称为重复接地。
作用是:当系统中发生碰壳短路时,可以降低零线的对地电压,当零线断裂时,或当零线与相线交叉连接时,都可以减轻触电的危险。
在中性点直接接地的低压电力网中采用接零时,必须实行重复接地。对实行重复接地的要求如下:
在低压架空线末端及沿线每1km处;当高低压线路共杆架设时,在共杆架设段的两端终端杆上,低压线路的零线要接地;没有专用线芯作零线,或利用电缆金属外皮作零线的低压电缆线路;电缆和架空线在引入车间或大型建筑物处。
五、接地装置

5.1自然接地体的利用
装设接地装置时,首先利用自然接地体,以节约投资。可作为自然接地体的有:与大地有可靠连接的建筑物的刚结构和钢筋、行车的钢轨、埋地的非可燃可爆的金属管等。对于变配电所来说,可利用其建筑物钢筋混凝土基础作为自然接利用自然接地体时,一定要保证良好的电气连接,在建构筑物的结合处,除已焊接者外,凡用螺栓连接或其它连接的,都应采用跨接焊接,而且跨接线不得小于规定值。

5.2人工接地体的埋设
人工接地体的埋设,应注意不要埋设在垃圾、炉渣和有强烈腐蚀性土壤处,遇有这些情况应进行换土。

5.3接地线
自然接地线为了节约金属,减少投资,应尽量选择自然导体作为接地线。如建筑物的金属构架、电梯竖井、电缆的金属外皮等都可以作为自然接地线。各种金属管道(可燃液体、可燃或爆炸性气体的金属管道除外)可作为低压电力设备的自然接地线。

人工接地线为了连接可靠并有一定的机械强度,一般采用钢作为人工接地线。对于接地体和接地线的截面积应符合我国电气规定的最小规格。
接地电阻是接地体的散流电阻与接地线和接地体电阻的总和。由于接地体和接地线的电阻相对较小,可略去不计。因此接地电阻可认为就是接地体的散流电阻。

扫码关注
微信号|13615417996
关注左侧二维码 免费获取
【西门子资料大全】


