推广 热搜: 采购方式  甲带  滤芯  气动隔膜泵  带式称重给煤机  减速机型号  链式给煤机  减速机  无级变速机  履带 

通用硅酸盐水泥国家标准GB 175-2023

   日期:2025-11-08 07:26:54     来源:网络整理    作者:本站编辑    评论:0    
通用硅酸盐水泥国家标准GB 175-2023

通用硅酸盐水泥国家标准GB 175-2023

通用硅酸盐水泥国家标准GB 175-2023

通用硅酸盐水泥国家标准GB 175-2023

通用硅酸盐水泥国家标准GB 175-2023

通用硅酸盐水泥国家标准GB 175-2023

通用硅酸盐水泥国家标准GB 175-2023

通用硅酸盐水泥国家标准GB 175-2023

通用硅酸盐水泥国家标准GB 175-2023

通用硅酸盐水泥国家标准GB 175-2023

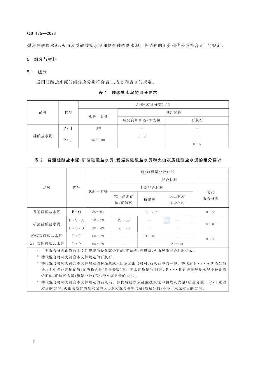
通用硅酸盐水泥中国强制性国家标准(GB 175-2023),由工业和信息化部归口管理,2024年6月1日起实施,全面替代2007版标准。
 
打赏
 
更多>同类资讯
0相关评论

推荐图文
推荐资讯
点击排行
网站首页  |  关于我们  |  联系方式  |  使用协议  |  版权隐私  |  网站地图  |  排名推广  |  广告服务  |  积分换礼  |  网站留言  |  RSS订阅  |  违规举报  |  皖ICP备20008326号-18
Powered By DESTOON