



在硬件设计的江湖里,有一个默默无闻的“老好人”,它不争不抢,却总能在关键时刻挺身而出,它就是——线性稳压器!今天我们就来聊聊这位“老好人”的日常,顺便扒一扒它的几个“好兄弟”!
线性稳压器:电路界的“佛系青年”
它的工作很简单:输入电压不稳定?我来搞定!输出电压不稳?我来搞定!总之,它就是电路里的“佛系青年”,不管输入电压怎么蹦跶,它都能淡定地输出一个稳定的电压,简直是硬件界的“情绪稳定器”!
线性稳压器的“好兄弟”们
别看它低调,它的兄弟们可都是江湖上响当当的人物!
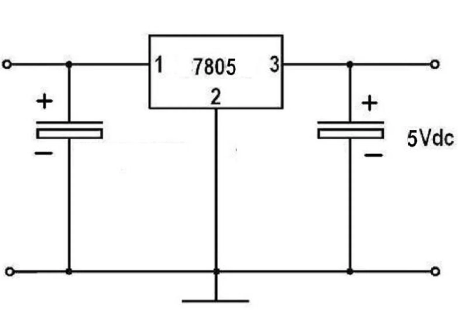
1. 7805:稳如老狗的“老大哥”
特点: 输出5V,稳得一批!
江湖地位: 经典款,单片机的好基友,电路设计入门必用!
口头禅: “别慌,有我在,5V稳稳的!”
缺点: 压差大了会发热,像个暴躁的老大哥,需要散热片降降温。
2. AMS1117-3.3:小巧玲珑的“小老弟”
特点: 输出3.3V,低功耗设备的最爱!
江湖地位: 小巧精致,适合空间紧张的电路板。
口头禅: “3.3V,够用就行,别太卷!”
缺点: 电流输出能力有限,带不动大功率设备,像个“瘦弱的小老弟”。
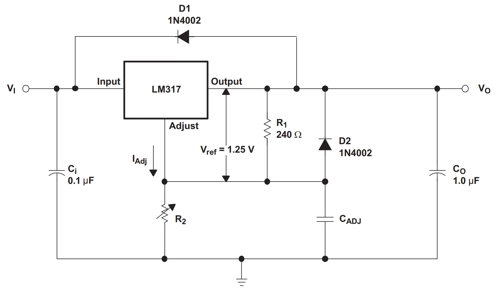
3. LM317:灵活多变的“万金油”
特点: 输出电压可调,DIY神器!
江湖地位: 灵活性超高,适合各种奇葩需求。
口头禅: “你要多少V?我都能调!”
缺点: 需要外接电阻调节电压,像个“事儿多的万金油”。
线性稳压器的“人生哲学”
优点: 简单、可靠、低成本,像个“老实人”。
缺点: 效率低,压差大时发热严重,像个“容易上头的热血青年”。
总结
线性稳压器虽然效率不高,但胜在简单可靠,是硬件设计界的“老好人”!它的兄弟们也各有所长,适合不同的场景。下次设计电路时,别忘了请这位“老好人”出山哦!
#线性稳压器#硬件设计 #电气 #电路 #电子信息 #大学生就业 #嵌入式 #电子手工 #diy
线性稳压器:电路界的“佛系青年”
它的工作很简单:输入电压不稳定?我来搞定!输出电压不稳?我来搞定!总之,它就是电路里的“佛系青年”,不管输入电压怎么蹦跶,它都能淡定地输出一个稳定的电压,简直是硬件界的“情绪稳定器”!
线性稳压器的“好兄弟”们
别看它低调,它的兄弟们可都是江湖上响当当的人物!
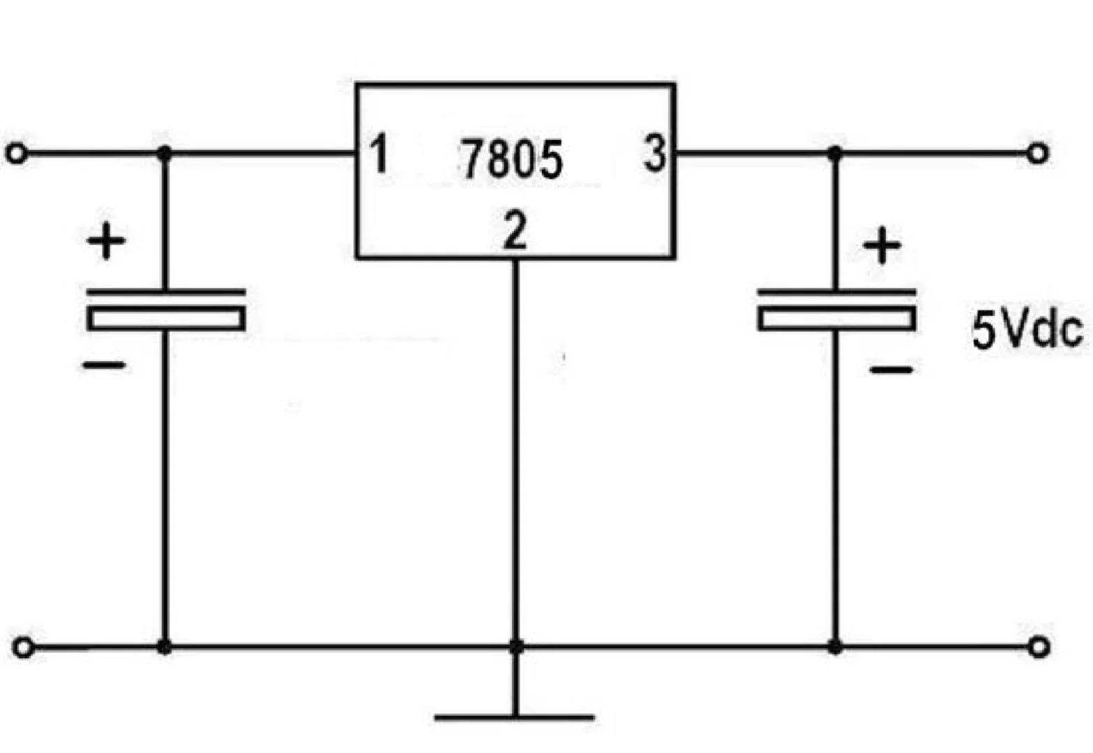
1. 7805:稳如老狗的“老大哥”
特点: 输出5V,稳得一批!
江湖地位: 经典款,单片机的好基友,电路设计入门必用!
口头禅: “别慌,有我在,5V稳稳的!”
缺点: 压差大了会发热,像个暴躁的老大哥,需要散热片降降温。
2. AMS1117-3.3:小巧玲珑的“小老弟”
特点: 输出3.3V,低功耗设备的最爱!
江湖地位: 小巧精致,适合空间紧张的电路板。
口头禅: “3.3V,够用就行,别太卷!”
缺点: 电流输出能力有限,带不动大功率设备,像个“瘦弱的小老弟”。
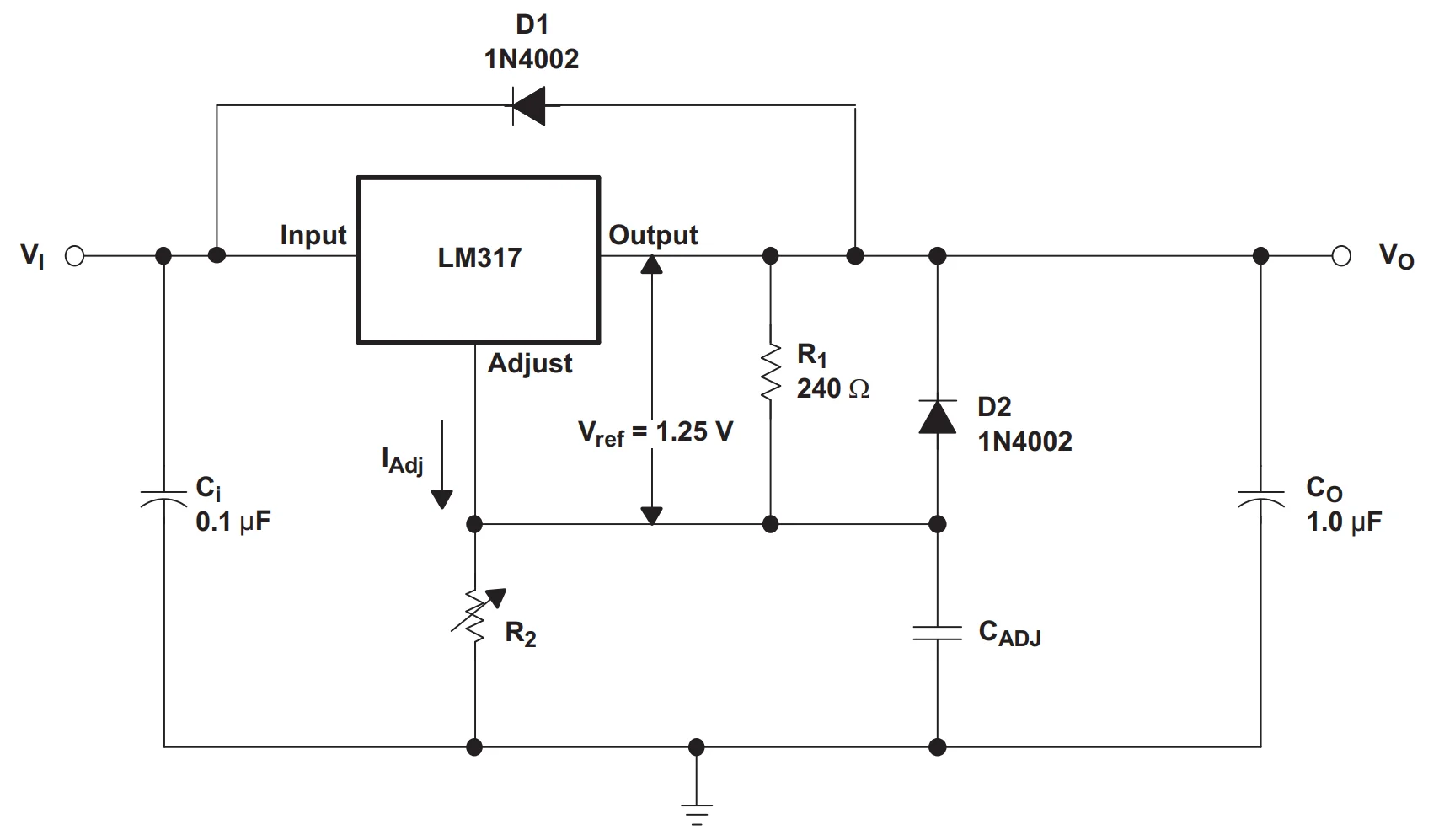
3. LM317:灵活多变的“万金油”
特点: 输出电压可调,DIY神器!
江湖地位: 灵活性超高,适合各种奇葩需求。
口头禅: “你要多少V?我都能调!”
缺点: 需要外接电阻调节电压,像个“事儿多的万金油”。
线性稳压器的“人生哲学”
优点: 简单、可靠、低成本,像个“老实人”。
缺点: 效率低,压差大时发热严重,像个“容易上头的热血青年”。
总结
线性稳压器虽然效率不高,但胜在简单可靠,是硬件设计界的“老好人”!它的兄弟们也各有所长,适合不同的场景。下次设计电路时,别忘了请这位“老好人”出山哦!
#线性稳压器#硬件设计 #电气 #电路 #电子信息 #大学生就业 #嵌入式 #电子手工 #diy


