









采购主管必看!这份高效工作手册太实用了
资深采购总监力推,《199 采购主管高效工作手册》,里面全是干货,能帮大家理清工作思路,提升工作效率!
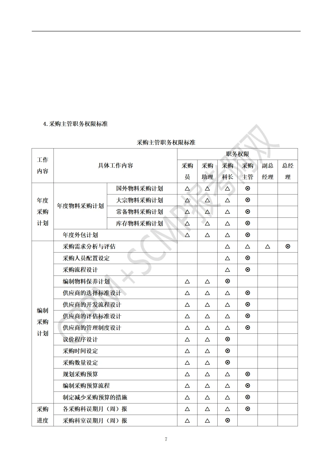
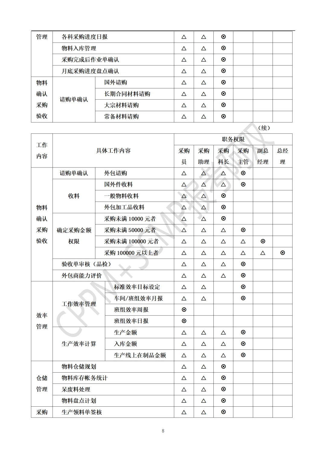
手册第一章详细介绍了采购部组织结构职责,像采购主管、采购员、采购助理的岗位说明书都很清晰。采购主管要制定采购计划、管理供应商、审查请购单等,还有 15 条岗位职责和 7 项岗位职权,连任职资格都明确了。采购员和采购助理的工作内容、职责、职权也写得很详细,能帮大家更好地管理团队。
第二章是采购计划制定与费用预算,有物料需求分析表、物料采购单等多种实用表单,还有 ABC 三类产品采购比较,能帮大家科学制定采购计划,合理控制预算,避免浪费。
第三章供应商选择与管理更是重点,从供应商市场调查到定期评估,再到奖惩制度,都有对应的表格和办法。比如供应商评估表、考核表,能帮大家筛选出优质供应商,还给出了供应商管理办法和管理制度,助力维护长期稳定的合作关系。
第四章采购品质管理也很关键,有各种检验表单和管理制度,像物料品质检验报告、不合格品处理流程等,能帮助大家严格把控采购品质,减少纠纷。
全册199页,内容全面,实用性强,值得赶紧学起来,让采购工作更高效、更规范!#2026校招季 #采购 #采购部 #供应链管理 #企业采购 #行政采购 #管理系统 #管理制度 #项目管理 #Excel操作技巧
资深采购总监力推,《199 采购主管高效工作手册》,里面全是干货,能帮大家理清工作思路,提升工作效率!
手册第一章详细介绍了采购部组织结构职责,像采购主管、采购员、采购助理的岗位说明书都很清晰。采购主管要制定采购计划、管理供应商、审查请购单等,还有 15 条岗位职责和 7 项岗位职权,连任职资格都明确了。采购员和采购助理的工作内容、职责、职权也写得很详细,能帮大家更好地管理团队。
第二章是采购计划制定与费用预算,有物料需求分析表、物料采购单等多种实用表单,还有 ABC 三类产品采购比较,能帮大家科学制定采购计划,合理控制预算,避免浪费。
第三章供应商选择与管理更是重点,从供应商市场调查到定期评估,再到奖惩制度,都有对应的表格和办法。比如供应商评估表、考核表,能帮大家筛选出优质供应商,还给出了供应商管理办法和管理制度,助力维护长期稳定的合作关系。
第四章采购品质管理也很关键,有各种检验表单和管理制度,像物料品质检验报告、不合格品处理流程等,能帮助大家严格把控采购品质,减少纠纷。
全册199页,内容全面,实用性强,值得赶紧学起来,让采购工作更高效、更规范!#2026校招季 #采购 #采购部 #供应链管理 #企业采购 #行政采购 #管理系统 #管理制度 #项目管理 #Excel操作技巧


